Not charging

2010 HONDA CIVIC
140,000 MILES • 1.8L • 4 CYL • 2WD • MANUAL
Avatar
NEIL2002CIVIC
  • MEMBER
  • 119 POSTS
Hi, this is my friends car. The battery terminals were loose. I know it can short out the alternator. I had a 2002 Honda Civic and it was the eld. Does a 2010 have one also? I have voltage to the alternator. I did notice the battery light goes on and off real fast when i turn on the key. It doesn't stay on steadily with the key on. It also is not on and it's not charging. I did check the main power fuses all good. Am I overlooking anything before i diagnose it as a bad alternator? Thanks, Neil
Dec 23, 2020 at 4:53 PM
Advertisement
Avatar
DANNY L
  • CERTIFIED EXPERT
  • 5,648 POSTS
Hello, I'm Danny.

Having the battery terminals loose won't necessarily short the alternator out but it will keep it from charging properly. After tightening the battery cable clamps I would definitely have have alternator load tested to see the actual output. Most auto parts store will do this for free. Here is a tutorial showing what is involved for an alternator load test and replacement:

https://www.2carpros.com/articles/how-to-check-a-car-alternator

https://www.2carpros.com/articles/how-to-replace-an-alternator

If you want to remove the alternator yourself to be tested here is a tutorial showing how to remove and replace the serpentine belt to gain access:

https://www.2carpros.com/articles/replace-serpentine-belt

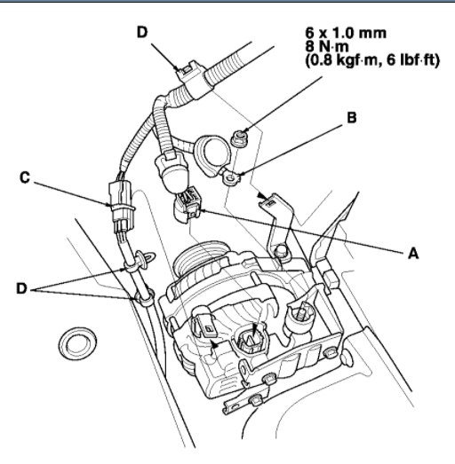
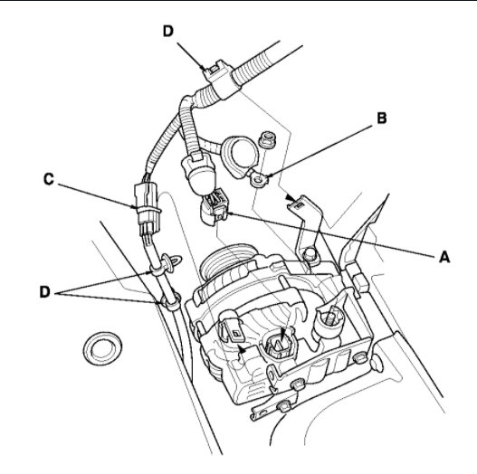
I've attached picture steps below on how to remove and replace both the serpentine belt and alternator on your car. Get back to us with the alternator load test results and we'll go from there. Hope this helps and thanks for using 2CarPros.

Dec 23, 2020 at 8:37 PM
Avatar
JACOBANDNICKOLAS
  • CERTIFIED EXPERT
  • 110,175 POSTS
Hi,

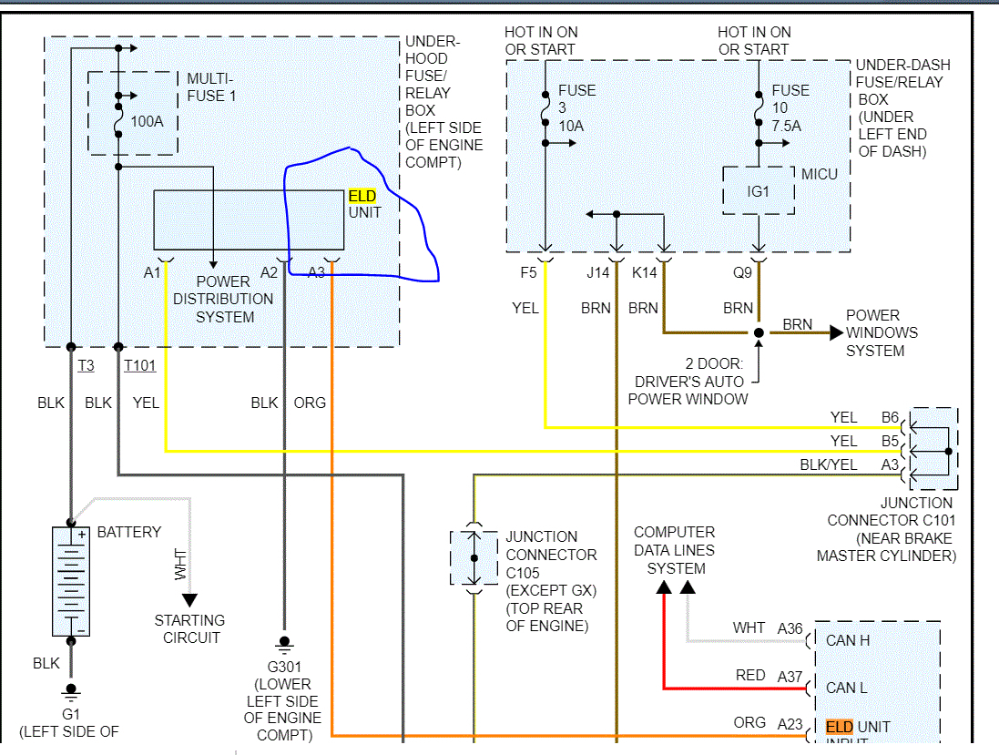
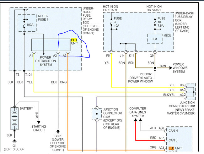
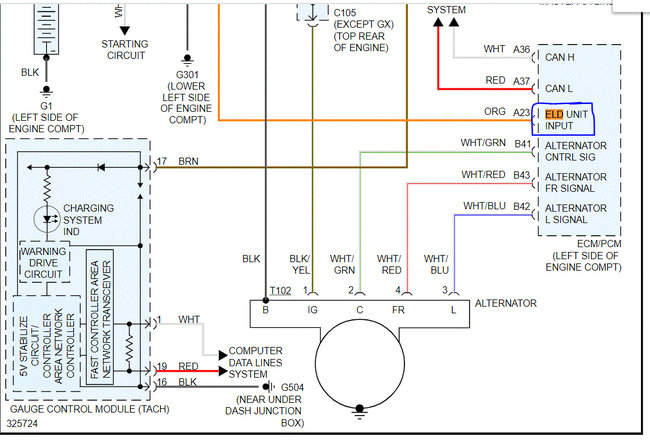
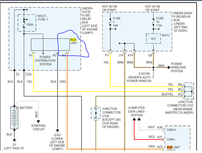
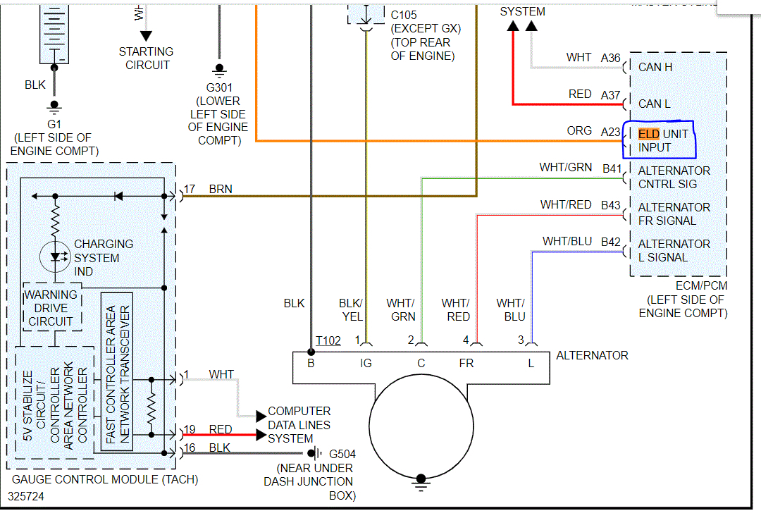
It does have a load detector. If you take a look at the attached pic, they show the entire charging system. I had to cut the pic in half to make it readable. I did overlap them.

If you look on the pics, I highlighted ELD to help you find it. I also highlighted where it attached at the PCM.

If you find it is bad, here are the directions for replacement. The remaining pics correlate with the directions.

_______________________________________

2010 Honda Civic L4-1.8L
Removal and Replacement
Vehicle Powertrain Management Sensors and Switches - Powertrain Management Sensors and Switches - Computers and Control Systems Electric Load Sensor Service and Repair Removal and Replacement
REMOVAL AND REPLACEMENT
ELD Replacement

1. Remove the ECM/PCM. See: Engine Control Module > Removal and Replacement

2. Remove the under-hood fuse/relay box. See: Fuse Block > Removal and Replacement > Under-Hood Fuse/Relay Box Removal/Installation

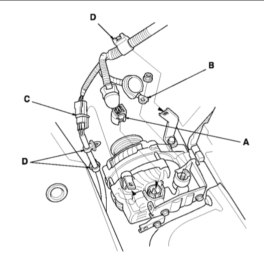
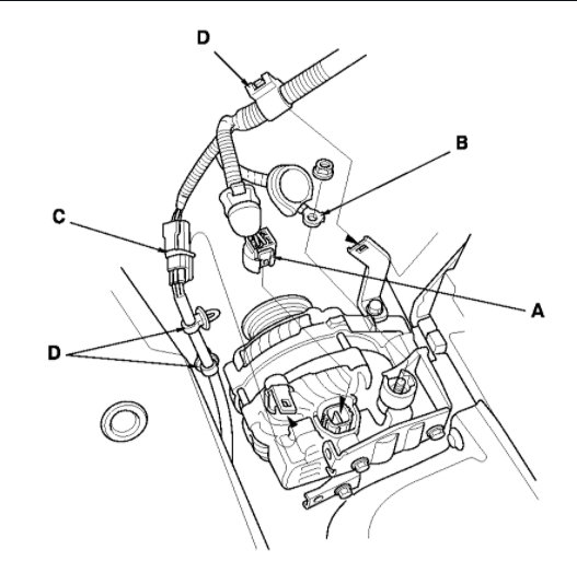
3. Remove the screw (A).


pic 3



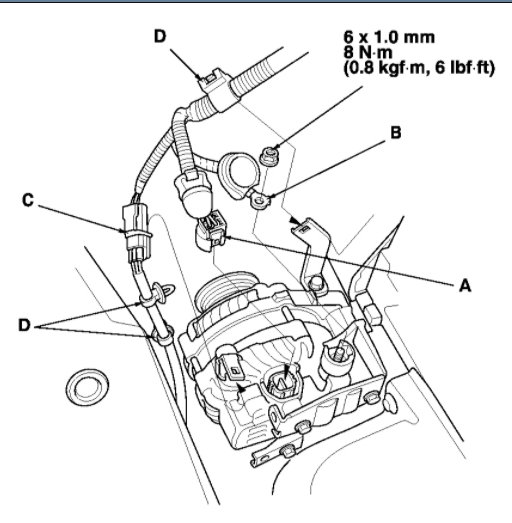
4. Turn the housing over, then remove the screw (A).


pic 4



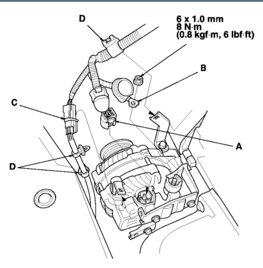
5. Turn the housing over again. Using two flat-tip screwdrivers, release the tabs (A), and pry up the fuse/relay box base (B) from the fuse/relay box housing (C).
NOTE: Make sure the terminals (D) are not bent or damaged.

pic 5



6. Remove the ELD (A).

7. Install the parts in the reverse order of removal.


pic 6

_____________________________

Let me know if this helps or if you have other questions.

Take care,
Joe



Dec 23, 2020 at 9:39 PM
Advertisement
Avatar
NEIL2002CIVIC
  • MEMBER
  • 119 POSTS
Hi, sorry I've been recovering from hip replacement surgery. Is there a way to check the ELD or bypass it to confirm it's good or bad? I also noticed the battery light when you put the key on goes on and off quick. Is it supposed to stay on all the time while the key is in the on position? Just something i noticed not sure if it means anything. i thought it was wrong/weird. Thanks. Stay healthy and have a great day.
Jan 16, 2021 at 4:33 PM
Avatar
JACOBANDNICKOLAS
  • CERTIFIED EXPERT
  • 110,175 POSTS
Hi,

There isn't a general test, but there are specifics based on diagnostics codes. Have you been able to pull any codes?

Joe
Jan 18, 2021 at 12:25 PM
Avatar
NEIL2002CIVIC
  • MEMBER
  • 119 POSTS
Battery was removed to charge. No check engine light. Would it store it? One more question/possibility. If we pull the alternator and have it tested and it tests good, would it be the ELD then? It does have power at the main lead on the alternator. I checked it while running.. Thanks
Jan 18, 2021 at 5:17 PM
Avatar
JACOBANDNICKOLAS
  • CERTIFIED EXPERT
  • 110,175 POSTS
If the alternator is good and all connections are good, that would be my first suspect.

Let me know what you find.

Joe
Jan 18, 2021 at 8:18 PM
Avatar
DANNY L
  • CERTIFIED EXPERT
  • 5,648 POSTS
Hello again.

Were you able to have the alternator tested? Keep us updated as to the testing outcome or let us know if you have any further questions on this issue. Thanks again for using 2CarPros.

Danny-
Jan 23, 2021 at 4:45 PM
Avatar
NEIL2002CIVIC
  • MEMBER
  • 119 POSTS
Hi, we haven't had warm weather to work on it. 10 degrees wind chill no garage etc... Thanks for checking. I will keep you up to date.
Jan 23, 2021 at 8:08 PM
Avatar
JACOBANDNICKOLAS
  • CERTIFIED EXPERT
  • 110,175 POSTS
Hi,

No problem. Let us know what you find when the weather gets better.

Take care,

Joe
Jan 24, 2021 at 5:28 PM
Avatar
DANNY L
  • CERTIFIED EXPERT
  • 5,648 POSTS
Hello again.

Yes, that is cold.... Please keep us updated once you thaw out....

Danny-
Jan 25, 2021 at 2:30 AM
Avatar
NEIL2002CIVIC
  • MEMBER
  • 119 POSTS
Hello gentlemen,

Thanks for all your help. It was a bad alternator. Great suggestion to have the alternator checked prior to buying. Best part was I wasn't the one out the in a 5 degree wind chill doing it, lol. Have a great day/weekend and stay healthy!
Feb 20, 2021 at 3:07 PM
Avatar
DANNY L
  • CERTIFIED EXPERT
  • 5,648 POSTS
You're welcome!

Glad to hear you fixed the problem. Brrr 5 degrees is cold to work in. Thanks again for using 2CarPros and we hope you will use our site again in the future when needed.

Danny-
Feb 20, 2021 at 6:51 PM