Clicking noise under the dash on the passenger side?

1993 CHEVROLET TRUCK
232,000 MILES
Avatar
THOMAS J JONAS
  • MEMBER
  • 10 POSTS
i hear a clicking noise under my dash on the passenger side of my truck inside the cab. i tried switching all my ac/heater controls but no such luck i think it might be an actuator but don't really know. How many are there under the dash? thanks
Mar 5, 2023 at 5:09 AM
Advertisement
Avatar
STRAILER
  • CERTIFIED EXPERT
  • 53,855 POSTS
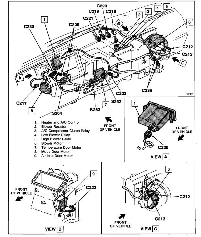
It does sound like an HVAC actuator is causing the issue which will continue until it is replaced. Here is a guide to help explain what's going on with instructions for your truck in the images below. To pinpoint the actuator that has failed put your hand on it and you should be able to feel the unit clicking internally.

https://www.2carpros.com/articles/replace-blend-door-motor

Check out the images (below). Please let us know what you find.
Mar 5, 2023 at 6:19 PM