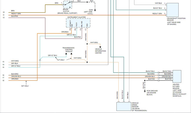
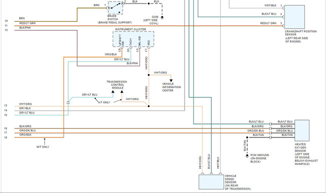
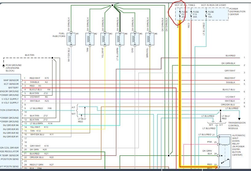
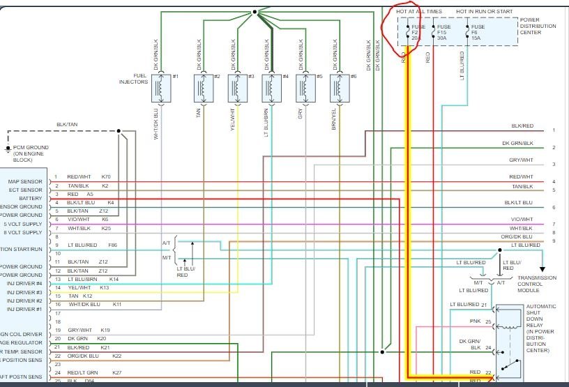
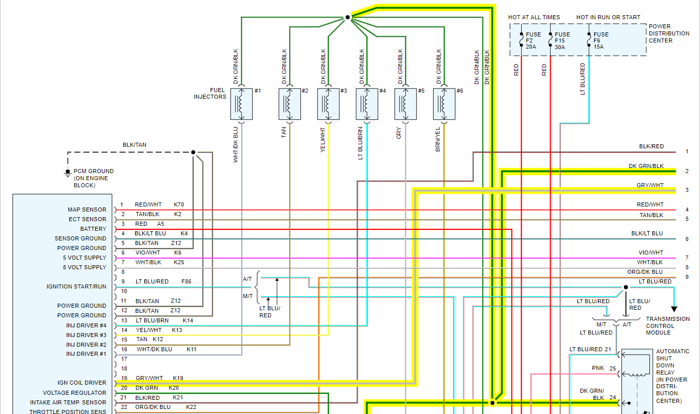
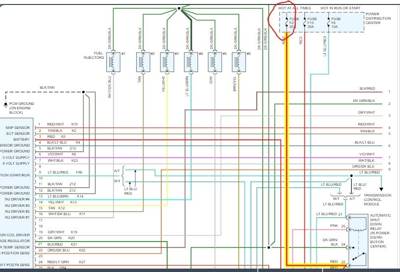
I get no spark from coil. no power to coil. Everything else works fine, except when I turn the ignition key to start my oil gauge meter doesn't register.
May 31, 2021 at 3:36 PM







