No voltage at fuel pump

2003 TOYOTA RAV4
236,547 MILES • 4 CYL • 2WD • AUTOMATIC
Avatar
BLESSING EWOBOR
  • MEMBER
  • 754 POSTS
Hello, there is no voltage at the fuel pump. I have tested the fuses and relays they are okay. Please could you help me with the circuit diagram?
Feb 1, 2021 at 11:13 AM
Advertisement
Avatar
CARADIODOC
  • CERTIFIED EXPERT
  • 34,306 POSTS
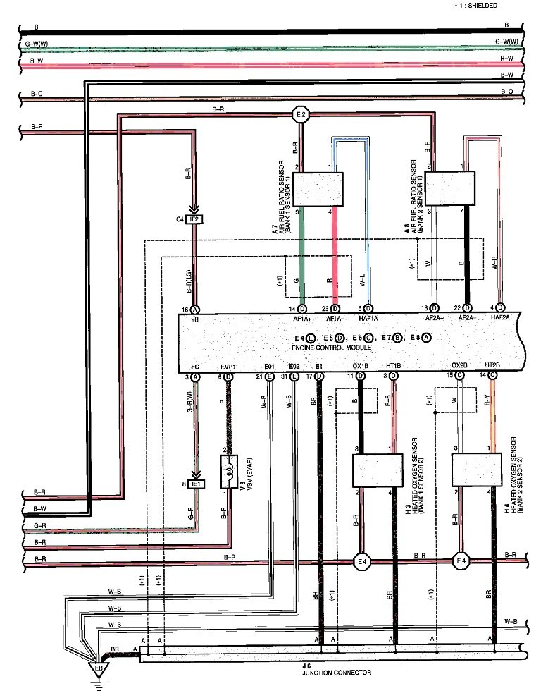
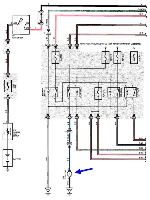
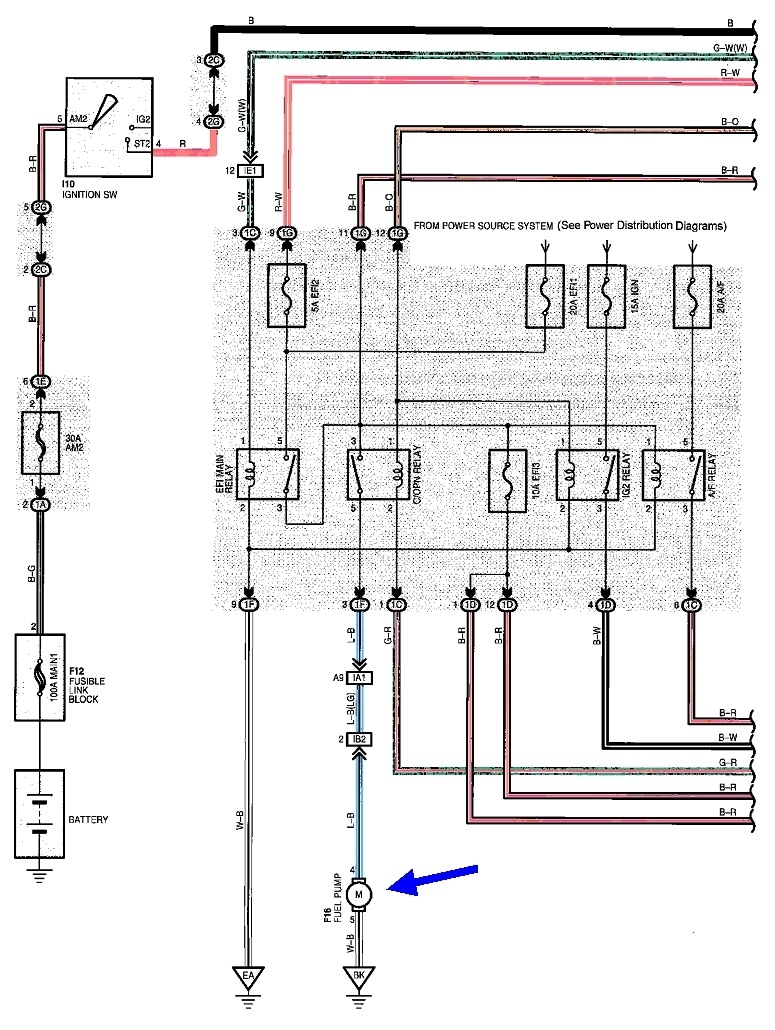
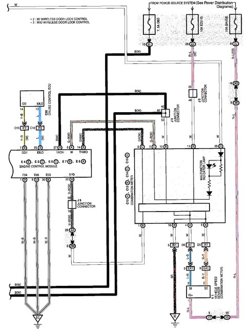
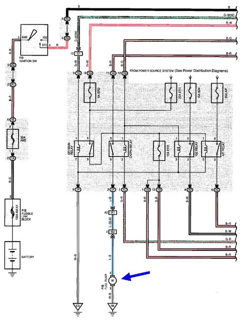
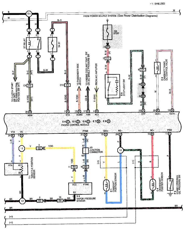
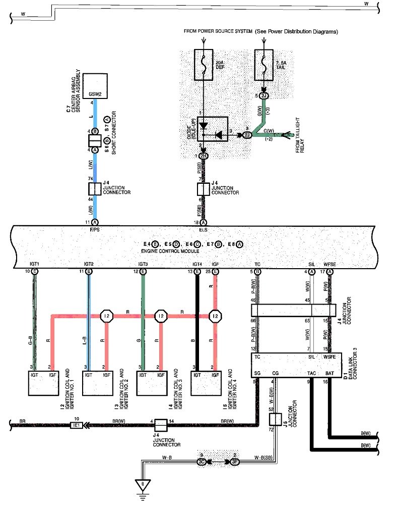
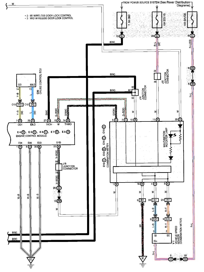
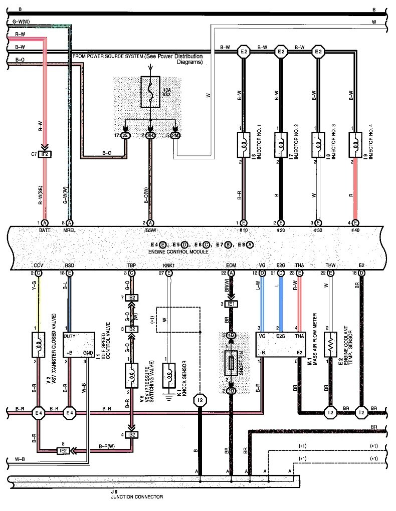
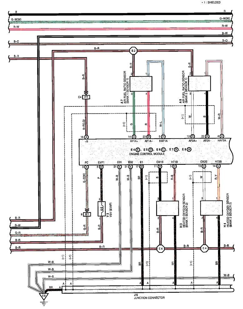
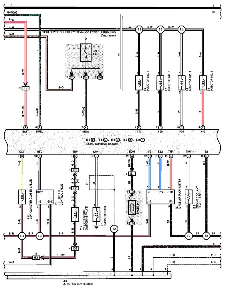
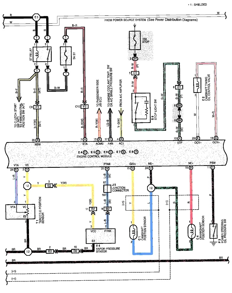
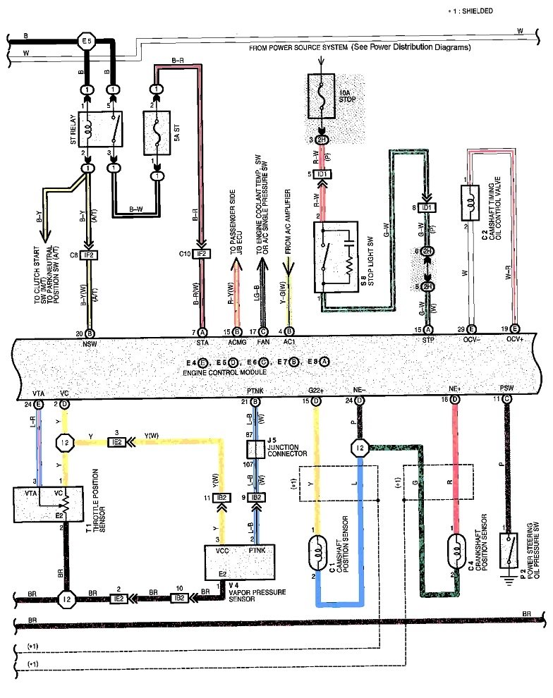
Here's everything related to powertrain management for the 2.0L engine. The fuel pump is at the bottom of the first diagram. The fuel pump relay is there too. That socket is a good place to take voltage readings.

Are you checking for 12 volts to the fuel pump all the time or just while a helper is cranking the engine?
Feb 1, 2021 at 11:48 AM