No vent control

2004 KIA SORENTO
99,000 MILES • 3.5L • V6 • 2WD • AUTOMATIC
Avatar
SLICK1080
  • MEMBER
  • 3 POSTS
Cannot switch between defrost or floor stays on middle vent . Can this be heater door actuator and if so where is it located?
Oct 19, 2017 at 6:32 PM
Advertisement
Avatar
STEVE W.
  • CERTIFIED EXPERT
  • 15,113 POSTS
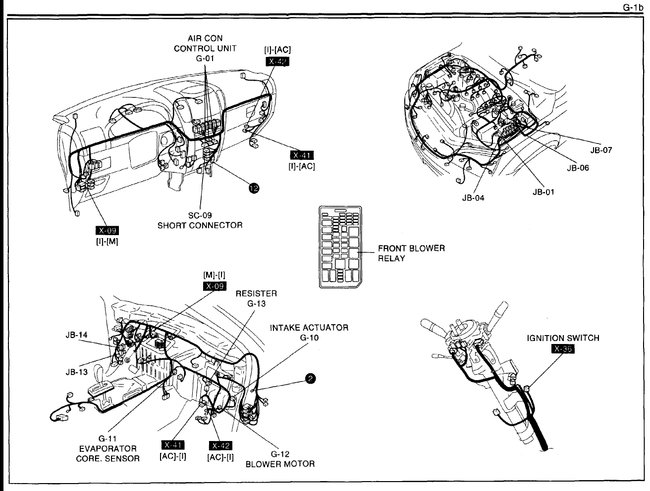
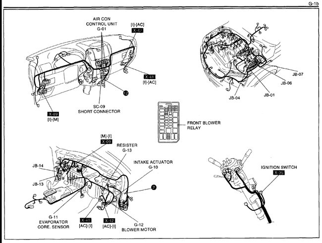
Sounds like a mode door actuator located on the HVAC case behind the case in line with the center console area.

However, other than these pictures there is no repair/replacement information showing up. Checked Alldata, Mitchell, and a paper copy of the 2004 service manual.

Oct 19, 2017 at 9:48 PM
Avatar
SLICK1080
  • MEMBER
  • 3 POSTS
Thanks for the help and that is what is was.
Oct 21, 2017 at 1:38 PM
Advertisement
Avatar
STEVE W.
  • CERTIFIED EXPERT
  • 15,113 POSTS
Sorry we could not be more help. Kia/Hyundai seem to pick and choose what data they let out.
Glad to hear you can now select airflow.
Oct 21, 2017 at 4:11 PM
Avatar
SLICK1080
  • MEMBER
  • 3 POSTS
Help me out alot and search all over the web trying to find out and even on the Kia forum. With no luck
Oct 21, 2017 at 5:40 PM
Avatar
STRAILER
  • CERTIFIED EXPERT
  • 53,854 POSTS
Steve W is one of our best! Please use 2CarPros anytime we are here to help.

Cheers, Ken
Oct 23, 2017 at 1:20 PM