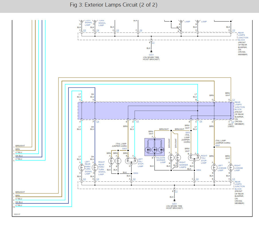
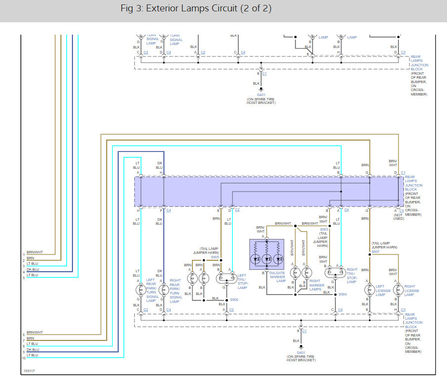
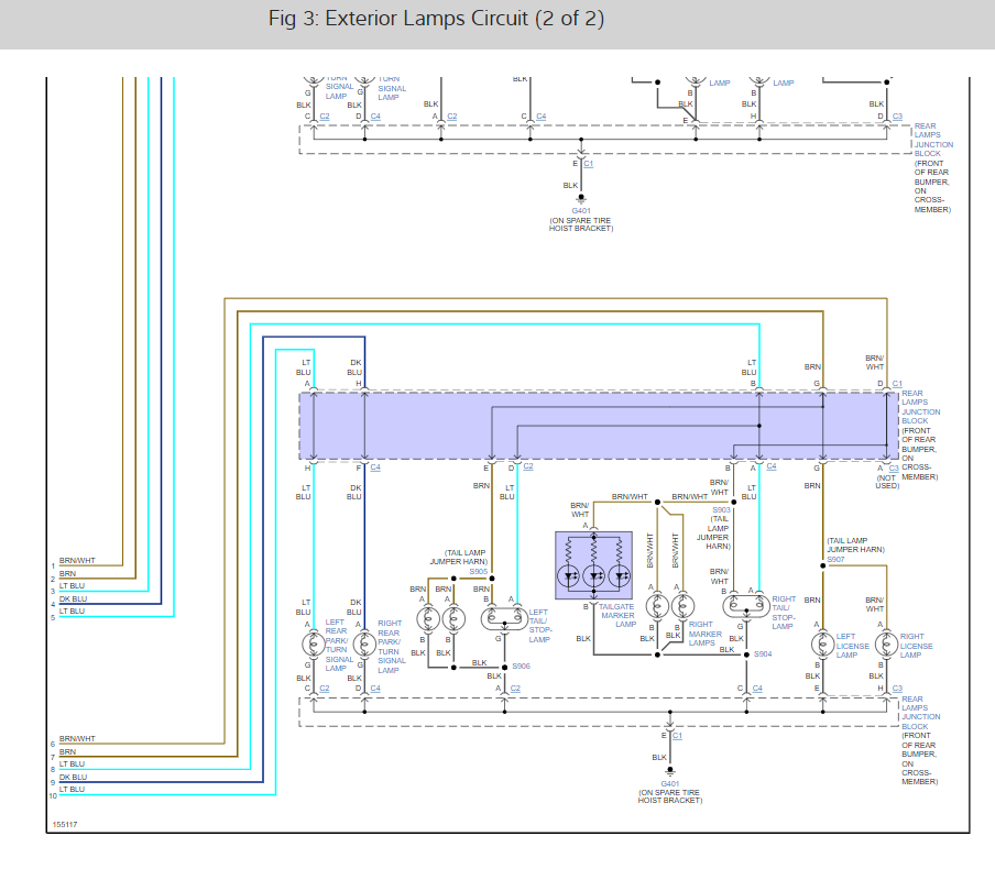
I have no turning signals, but I do have flashers that work. Two fuses under the hood that are labeled right turn and left turn have no power going to them. I have replaced the switch and the flasher and still nothing. I was hoping somebody could help me out with her good schematic to show me what else is in that loop and what to check. Thanks for all the help in advance.
Jan 12, 2023 at 5:36 PM




