Turn signals and flashers are not working?

2001 FORD F-250
158,000 MILES • 7.3L • V8 • 4WD • AUTOMATIC
Avatar
JACK1946
  • MEMBER
  • 1 POST
I have changed the fuse, the flasher relay, and the turn signal control lever. They still don't work. Any idea on what I can check next?
Apr 4, 2023 at 1:23 PM
Advertisement
Avatar
STRAILER
  • CERTIFIED EXPERT
  • 53,855 POSTS
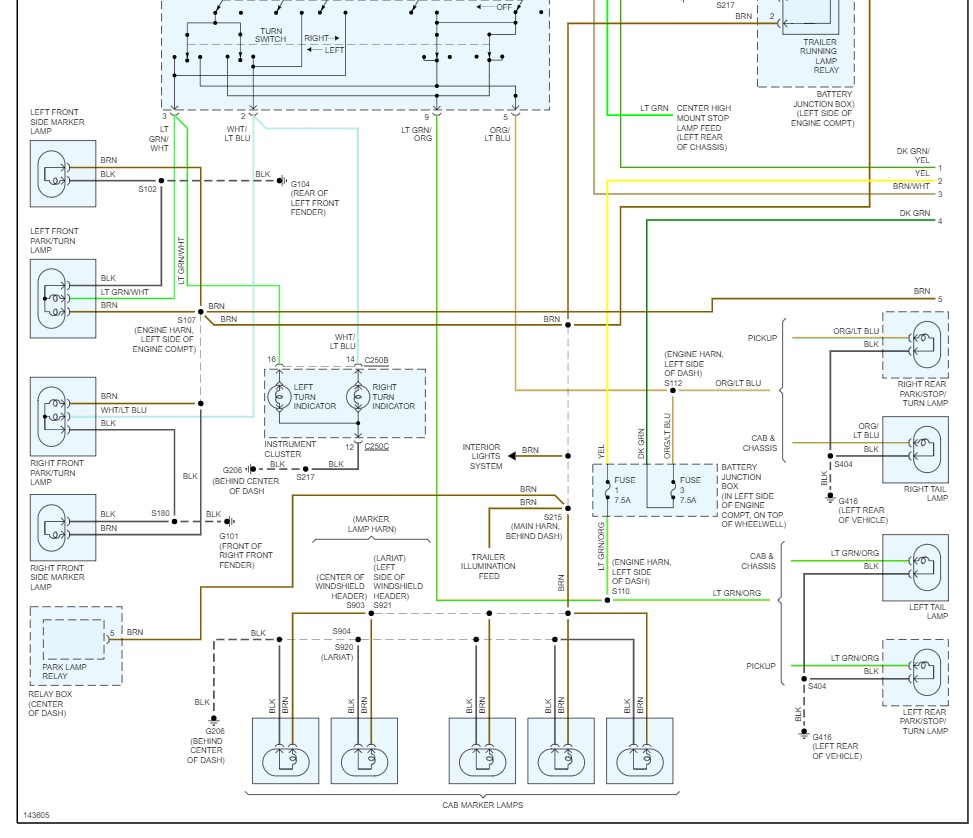
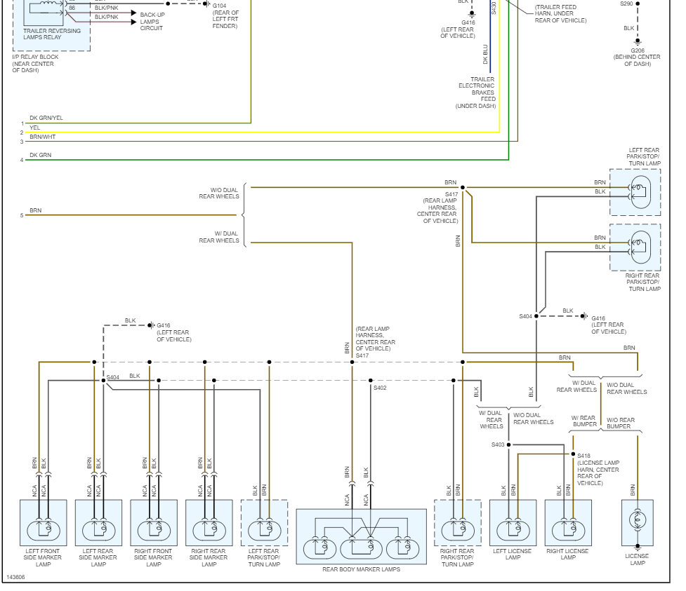
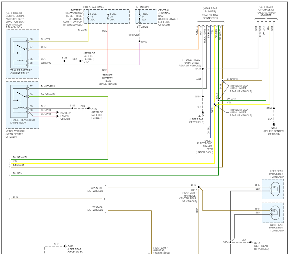
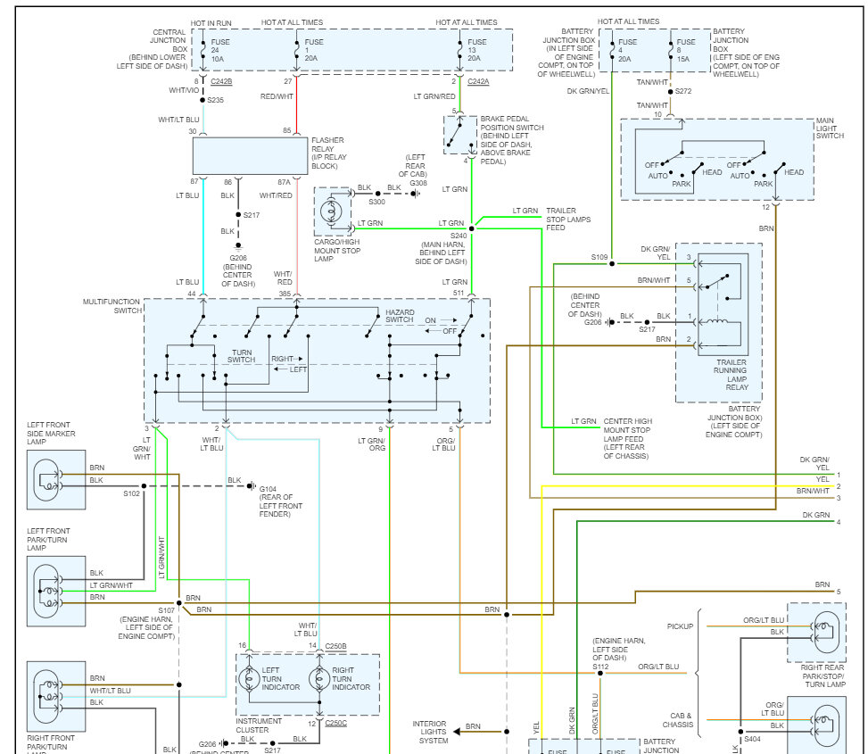
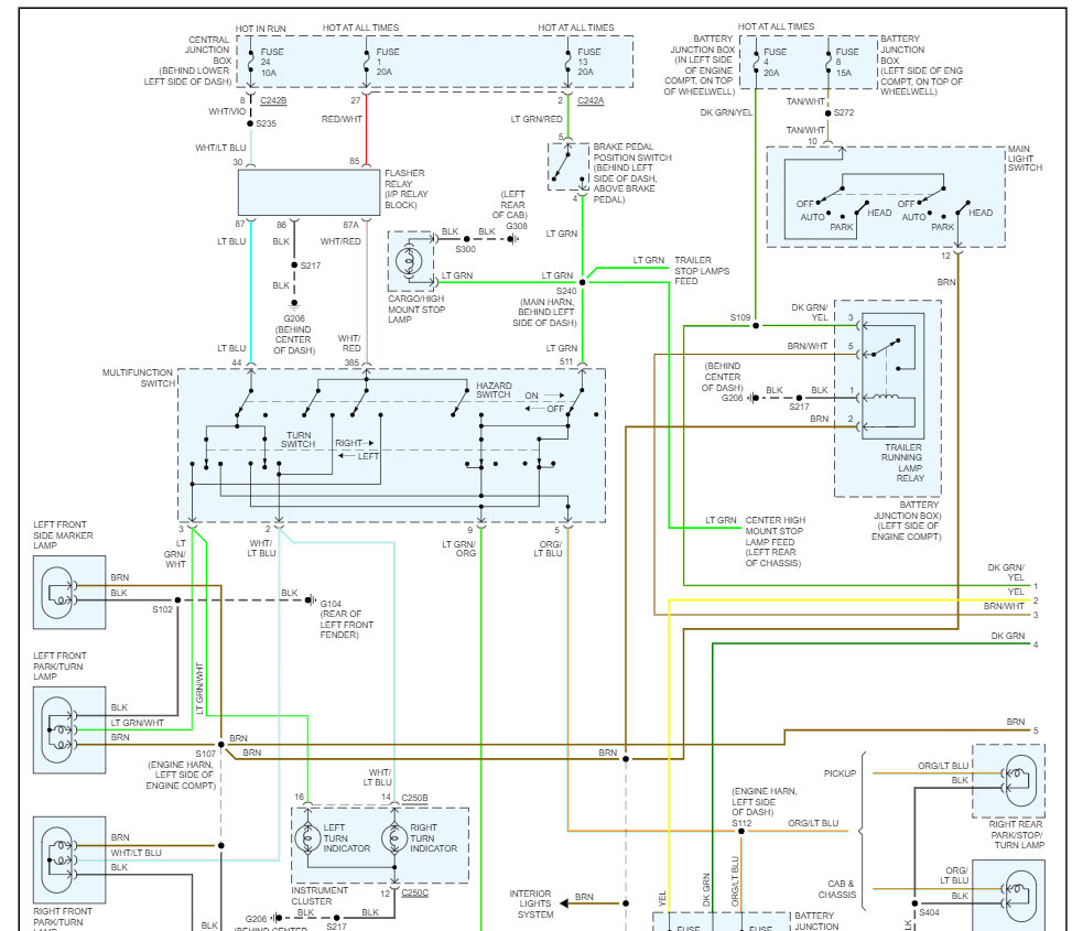
Do you have power at fuse #1 and #24 in the central fuse panel under the left side of the dash, this guide can help us:

https://www.2carpros.com/articles/how-to-check-a-car-fuse

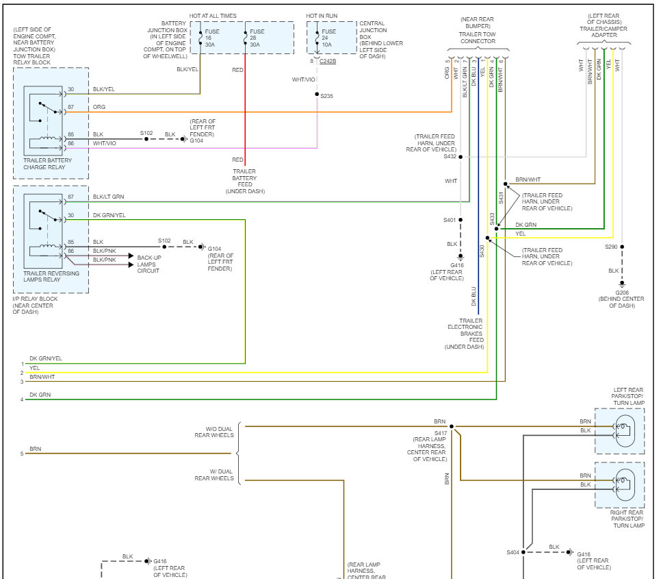
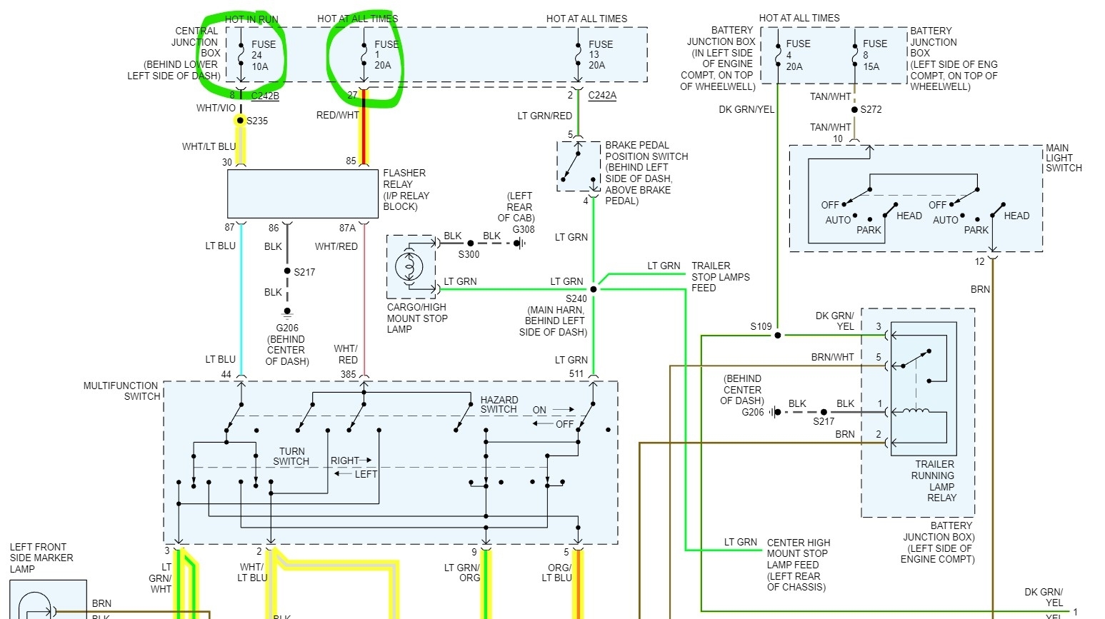
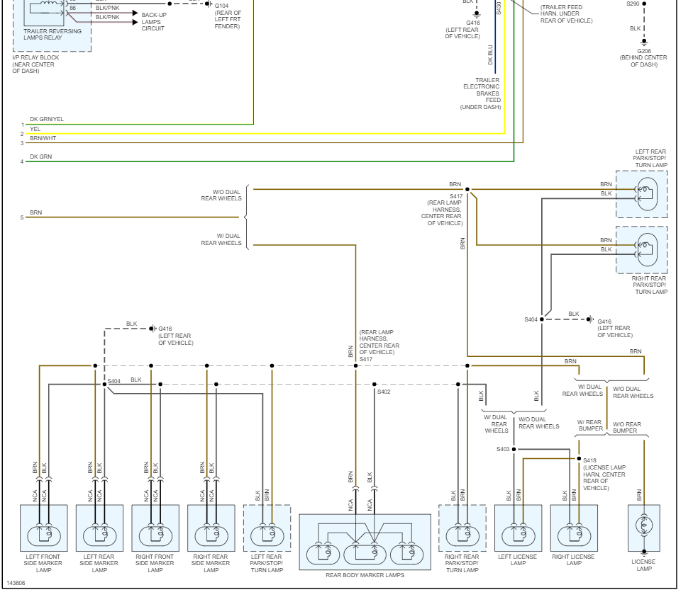
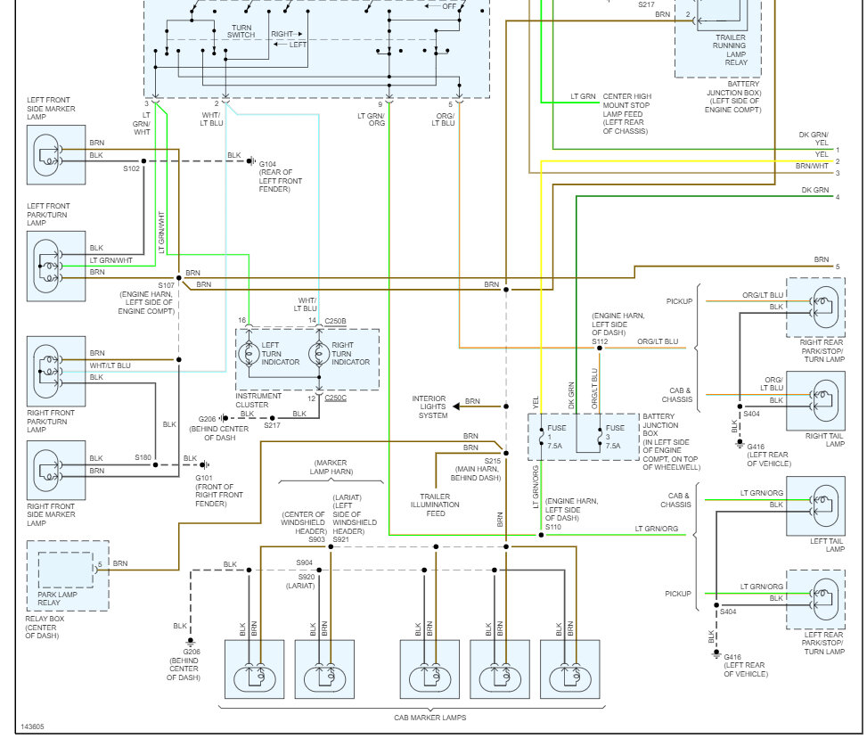
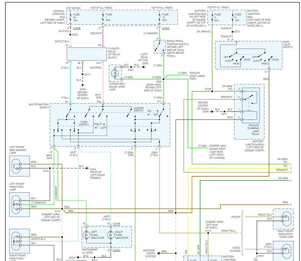
Here is the fuse panel and I have included the blinker wiring diagrams so you can see how the system works. Check out the images (below). Please let us know what happens.




Apr 4, 2023 at 5:48 PM
Avatar
STEVE W.
  • CERTIFIED EXPERT
  • 15,113 POSTS
Okay, there are 2 fuses for the turn signals and hazards. You say the turn signals are not working. Do the hazards work? If not, then the fuses would be the first stop. Fuse 1 powers the hazard lights, Fuse 24 powers the turn signals. The power goes from fuse 24 through the switch and out to the turn signal lights.
If you pull the flasher relay out and use a test light in the socket you should find one power feed from fuse 1 that is on full time at pin 85. Then turn on the key and you should now have power from fuse 24 at terminal 30 If those are both there but still no turn signals then you need to see if the ground at terminal 86 in the relay socket is okay.

https://www.2carpros.com/articles/how-to-use-a-test-light-circuit-tester
Apr 4, 2023 at 6:24 PM
Advertisement