Hi,
Do the brake lamps work when the lights are not on? I ask because they are tied into a different circuit than the parking lights.
Additionally, do the license plate lamps work?
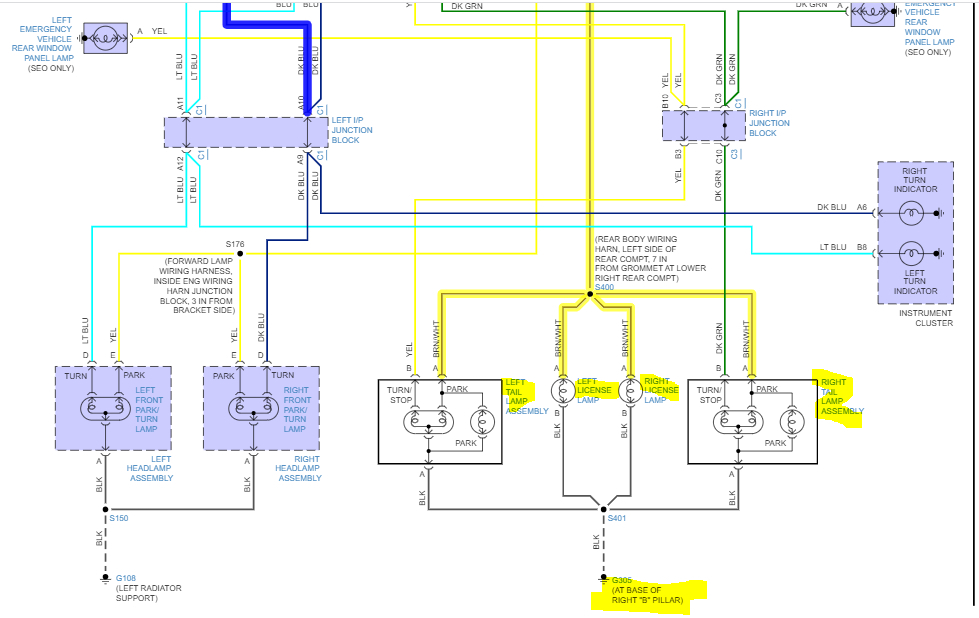
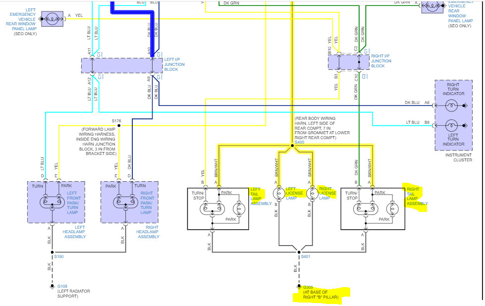
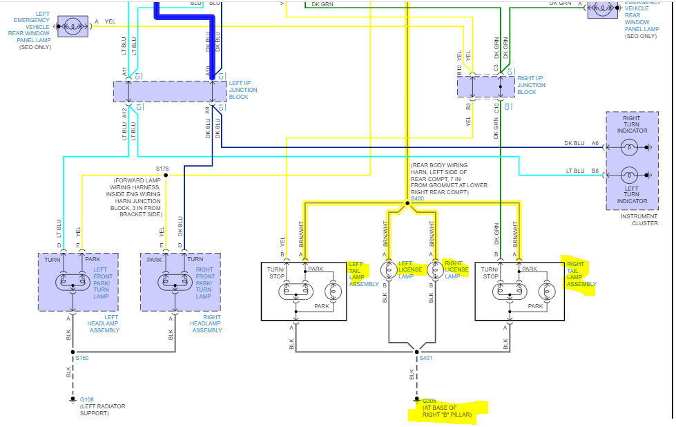
I attached the wiring schematic below for the circuit. When you checked the fuses, did you confirm there is power to them?
Take a look at this link:
https://www.2carpros.com/articles/how-to-check-a-car-fuse
If there was power present, go to the brake light switch at the top of the brake pedal. Confirm there is power to the orange wire. If there is, depress the brake pedal and check for power out from the switch via the white wire.
As far as the tail lamps are concerned, power is supplied through the turn signal switch. Again, that is power from a different circuit than the brake lamps. So, here is what I need:
If none of the tail lamps work and they all failed at the same time, it may be the result of a loss of body ground. So, check the black wires for continuity to ground.
Here is a link you may find helpful:
https://www.2carpros.com/articles/how-to-check-wiring
Let me know what you find. Also, let me know if anything works with the lights off and how you tested the relay.
Take care,
joe
See pics below: Note that I had to cut the schematic in half to make it readable. I did overlap the two so you can follow from one to the next.
Images (Click to enlarge)
Sep 12, 2023 at 7:13 PM