Taillights and reverse lights are not working on both sides?

1998 CHEVROLET MALIBU
266,000 MILES • 6 CYL • 2WD • AUTOMATIC
Avatar
OCTOPANDA
  • MEMBER
  • 1 POST
I noticed my lights were blinking rapidly, so I bought two blister packs for the rear lights. Replace all four bulbs, both blinker and reverse on each side. Still don't have any lights.
Dec 12, 2022 at 1:00 AM
Advertisement
Avatar
STRAILER
  • CERTIFIED EXPERT
  • 53,854 POSTS
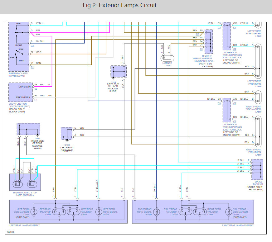
We need to check the NSBU fuse for power for the reverse lights and the Park LPS fuse for the running lights, here is a guide to help us please test with the key on. Here are the locations of the fuse and the reverse light and running light wiring diagrams so you can see how the system works.

https://www.2carpros.com/articles/how-to-check-a-car-fuse

Check out the images (below). Let us know what happens and please upload pictures or videos of the problem.
Dec 12, 2022 at 10:54 AM