No start, no power to starter relay

2009 KIA SPECTRA
118,000 MILES • 2.0L • 4 CYL • 2WD • AUTOMATIC
Avatar
SALEM ROSS
  • MEMBER
  • 4 POSTS
Hi

The car was stolen, ignition switch was damaged and replaced. The ignition switch clicks when attempting to start but nothing happens, fuse IGN 2 has power. The starter relay fuse has no power.
Apr 5, 2020 at 12:27 PM
Advertisement
Avatar
KASEKENNY
  • CERTIFIED EXPERT
  • 18,907 POSTS
When you say the relay fuse has no power, do you mean the starter relay? Take a look at the wiring diagram and tell me where you have power and where you do not and we can figure this out. Thanks
Apr 5, 2020 at 4:47 PM
Avatar
SALEM ROSS
  • MEMBER
  • 4 POSTS
Hi, thank you for your reply. I have voltage at IGN2, but I don’t read any voltage from probing the pins at starter relay.
Apr 5, 2020 at 5:38 PM
Advertisement
Avatar
KASEKENNY
  • CERTIFIED EXPERT
  • 18,907 POSTS
Okay. Thanks but I am going to ask you to confirm this one more time but in a different way. because if I am understand this correctly I am not sure what is wrong. But we will figure it out.

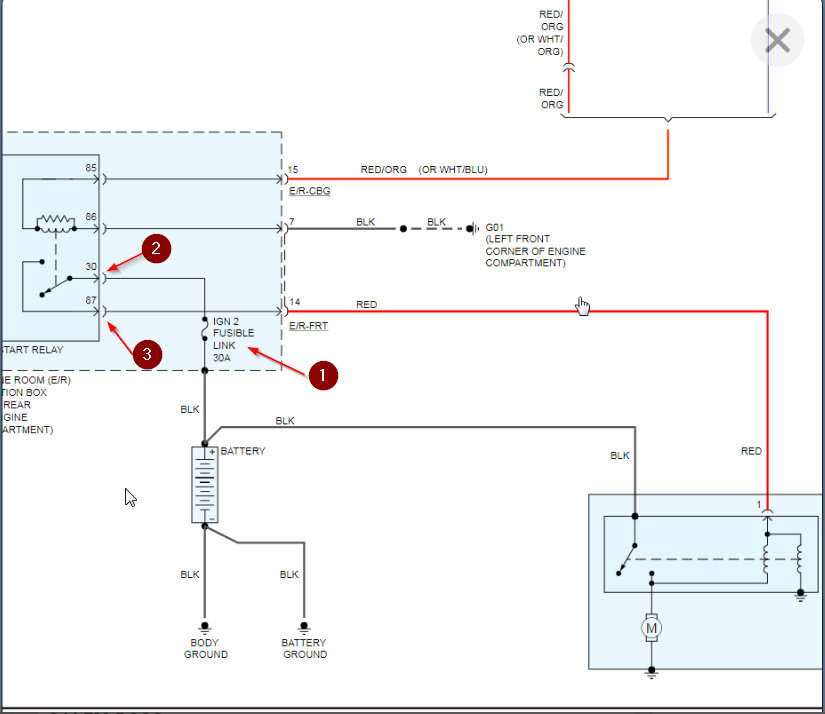
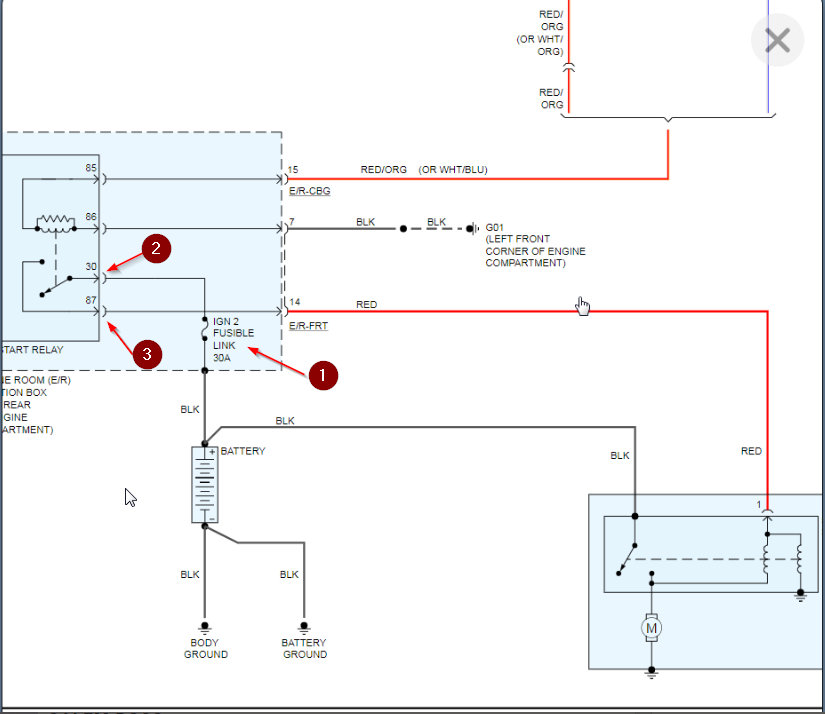
Can you look at the first wiring diagram and tell me that you have power on both sides of the fuse at location 1 but have no voltage at location number 2?

If you remove the relay, and try to start the vehicle while monitoring voltage at location 2 you should get battery voltage if the fuse is good.

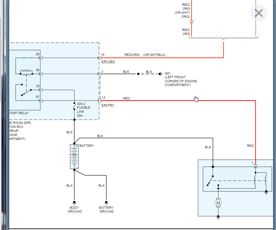
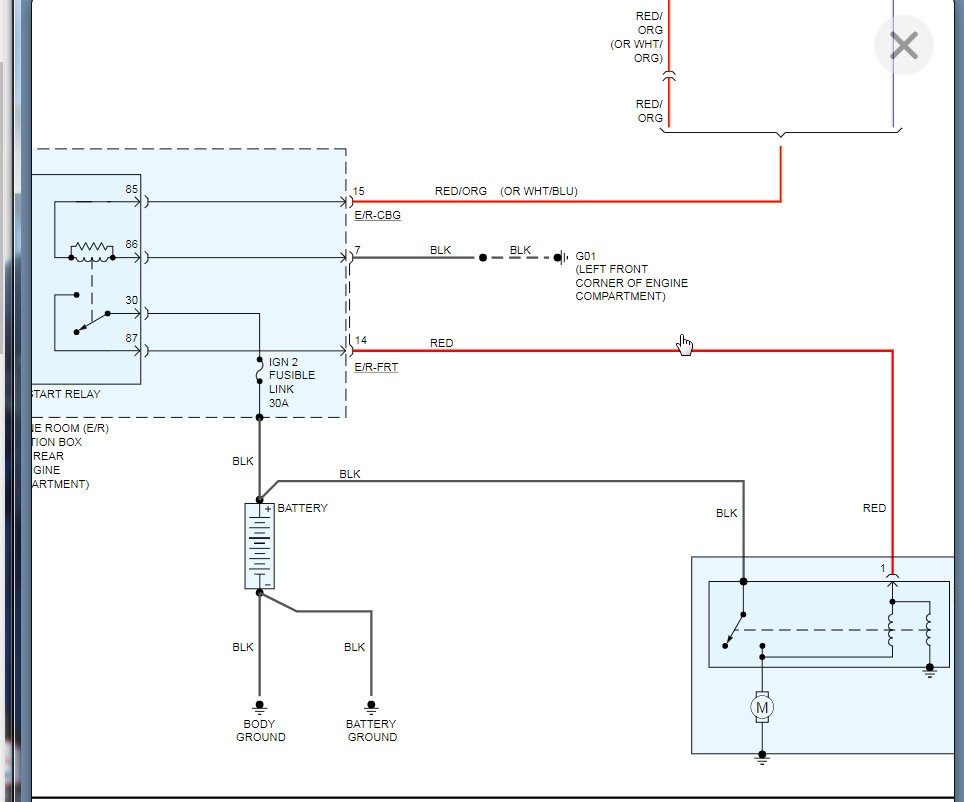
If you do not, can you go to the second wiring diagram and measure voltage at location 1 and if you have 12 volts there, go to number 2 and measure it there, both while trying to start the engine.

Let me know this stuff and we can go from there. Thanks and sorry for the multiple questions. Just need to get on the same page as you. Thanks
Apr 5, 2020 at 6:25 PM
Avatar
SALEM ROSS
  • MEMBER
  • 4 POSTS
Okay, I will try this tomorrow morning and let you know. I know for sure, on the first diagram at #1 I was getting battery voltage on both sides of the fuse. The problem was at #2 on the first diagram, there was no battery voltage present. I'll confirm voltage on the second diagram tomorrow.
Apr 5, 2020 at 7:06 PM
Avatar
SALEM ROSS
  • MEMBER
  • 4 POSTS
Okay, so I just realized it was a blown fuse. I replaced it and it blew again, this is at #1 on the first diagram.
Apr 6, 2020 at 10:29 AM
Avatar
KASEKENNY
  • CERTIFIED EXPERT
  • 18,907 POSTS
Okay. That is good info. Start with replacing the relay.

What is happening is there is something drawing more then 30 amps so that is a pretty large draw.

Once you replace the relay, put the fuse back in place and see if it blows again. If it does then I suspect the starter is shorted.
Apr 6, 2020 at 3:02 PM