No start, no crank

2008 FORD E-SERIES VAN
285,000 MILES • 5.4L • V8 • 2WD • AUTOMATIC
Avatar
ALBSURE
  • MEMBER
  • 8 POSTS
I had the dash cluster go out while driving, no error codes, got home went to start the next day and no go. I have had two certified automotive electricians go over and through every thing three times, I had my PCM repaired $575.00. And still no go , I replaced the PCM because everything pointed to it, fuses and relays are good, no PATS, no chip key, I put a scan tool on today and it threw no error codes but it was not able to read any emissions control items. At my wits end and confused! It has to be something simple! Help, help, help!!
Oct 27, 2020 at 12:57 PM
Advertisement
Avatar
ASEMASTER6371
  • CERTIFIED EXPERT
  • 52,796 POSTS
Good afternoon,

Does the security light work or has it been disabled?

https://www.2carpros.com/articles/how-to-reset-a-security-system

Does the dash work now? If it does not, that would be a reason why it will not start. It is a module.

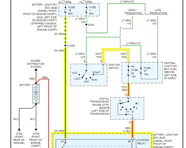
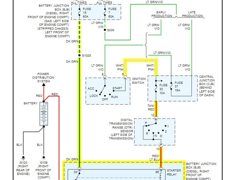
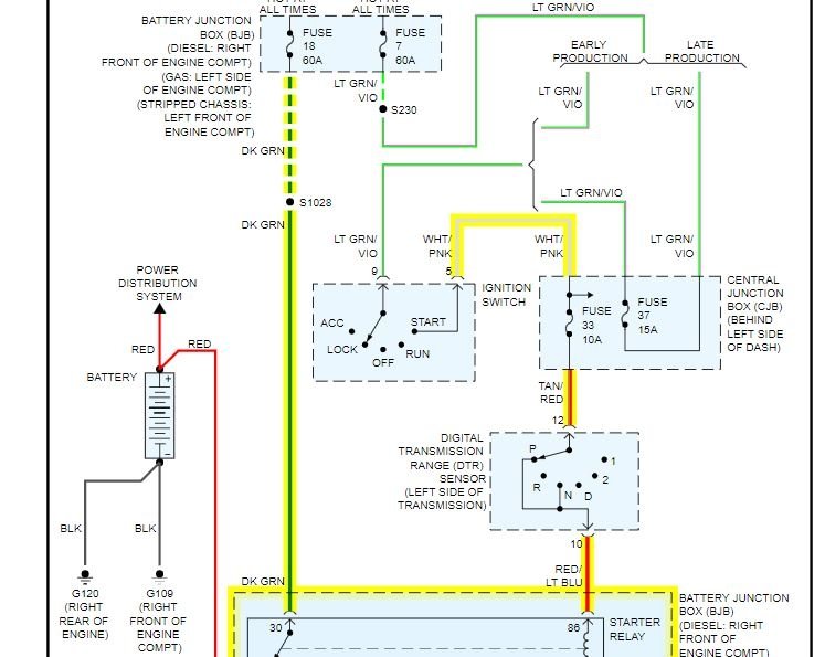
I attached a wiring diagram of the starting system for you to view. You need to do some testing at the relay to be sure you have proper signals in and out of the relay.

https://www.2carpros.com/articles/car-cranks-but-wont-start

https://www.2carpros.com/articles/how-to-check-wiring

https://www.2carpros.com/articles/how-to-check-an-electrical-relay-and-wiring-control-circuit

Roy
Oct 27, 2020 at 1:29 PM
Avatar
ALBSURE
  • MEMBER
  • 8 POSTS
Well, I do appreciate that sir. I know we have been through that relay for sure , only place we couldn’t get power was coming from pin 36 on the PCM. I don’t believe I have a security system as it’s non PATS but it was a fleet service van before so maybe an aftermarket anti theft device?! Driving me batty..
Oct 27, 2020 at 2:26 PM
Advertisement
Avatar
ASEMASTER6371
  • CERTIFIED EXPERT
  • 52,796 POSTS
There are 2 pins 36 on the ECM. One is a red wire and one is a brown/blue wire.

Neither provides power. The red is power for the ECM from the fuse in the diagram.

The other does send power to the injectors.

Why do you think it is pin 36?

Roy

Oct 27, 2020 at 2:48 PM
Avatar
ALBSURE
  • MEMBER
  • 8 POSTS
Because that is the pin that my electrician says points to the problem. This was weeks ago when we went through this again so I will have to talk to him, my memory isn’t what it used to be and I may have quoted him wrong. I will talk to him tomorrow he is going back over the wiring diagram again tonight he’s pretty darn stumped as he was an Air Force aircraft electrician and is used to dealing with miles of wiring we can get it to shoot power with the relay that you have circled using a paper clip. if that helps that’s all that I can think of for now..
Oct 27, 2020 at 2:59 PM
Avatar
ASEMASTER6371
  • CERTIFIED EXPERT
  • 52,796 POSTS
Only if the fuse has failed for the red wire. You need to test the fuse for power on both sides.

Roy
Oct 27, 2020 at 3:07 PM
Avatar
ALBSURE
  • MEMBER
  • 8 POSTS
Roy,

Just spoke with Tim and he said we couldn’t get ground at the PCM and he said that it is part of the ignition cycle according to the diagram he has OEM Manual. He’s wondered about if maybe the ignition has an anti theft issue. Thanks
Oct 27, 2020 at 3:16 PM
Avatar
ASEMASTER6371
  • CERTIFIED EXPERT
  • 52,796 POSTS
Very possible.

Again was the dash cluster repaired? That will affect the starting and security.

Roy
Oct 27, 2020 at 3:21 PM
Avatar
ALBSURE
  • MEMBER
  • 8 POSTS
Roy,

No, I called a dash repair company and they said not to bother as that is a non PATS vehicle.
Oct 27, 2020 at 3:22 PM
Avatar
ASEMASTER6371
  • CERTIFIED EXPERT
  • 52,796 POSTS
The cluster is still a module and can prevent the ECM from grounding that pin for starting.

Roy
Oct 27, 2020 at 3:26 PM
Avatar
ALBSURE
  • MEMBER
  • 8 POSTS
Okay, I’ll take that under advisement and when my buddy has a chance to give me a hand I’ll let you know what we find out. It might not be for a couple weeks though. I truly appreciate your help you’re a good person. Thanks!
Oct 27, 2020 at 3:31 PM
Avatar
ASEMASTER6371
  • CERTIFIED EXPERT
  • 52,796 POSTS
You are welcome.

Always glad to help.

Roy
Oct 27, 2020 at 3:50 PM
Avatar
ALBSURE
  • MEMBER
  • 8 POSTS
Okay, so here is the present state of my van dilemma: Everything is working except it will not crank using the key. I have power everywhere and I was able to pull up these codes . It will crank but not start if you jump the starter with a screwdriver or at the relay. I don’t have a chip key but i.
Nov 9, 2020 at 12:06 PM
Avatar
ASEMASTER6371
  • CERTIFIED EXPERT
  • 52,796 POSTS
Okay, did you get the cluster fixed?

I attached the flow chart for 2104.

Roy

QE8 DTCS P062C, P2104, P2105 OR P2110: CHECK FOR DTCS IN OTHER VEHICLE MODULES


Check for self-test DTCs in all of the vehicle modules.
Are any DTCs present?
Yes

REFER to the applicable Section to diagnose the DTC.

No

GO to QE9
.



QE9 CHECK FOR THE PRESENCE OF ANY MODULE COMMUNICATION CONCERNS


Check for self-test DTCs in all of the vehicle modules.
Are any communication concerns or communication DTCs present?
Yes

For communication concerns in the PCM, DISREGARD the current diagnostic
trouble code (DTC) at this time. DIAGNOSE the next DTC. GO to Section
4, Diagnostic Trouble Code (DTC) Charts and Descriptions See: Computers and Control Systems > Diagnostic Trouble Code Tests and Associated Procedures > Diagnostic Trouble Code (DTC) Charts and Descriptions.

For communication concerns in other modules, REFER to the applicable Section to diagnose the communication DTC.

No

For DTC P062C, GO to QE16
.

For DTC P2104, GO to QE10
.

For DTC P2105, GO to QE11
.

For DTC P2110, GO to QE15
.



QE10 DTC P2104: CHECK FOR THE PRESENCE OF PCM DTCS


Clear the PCM DTCs.

Check for self-test DTCs.
Are any DTCs present other than P2104?
Yes

DISREGARD the current diagnostic trouble code (DTC) at this time. DIAGNOSE the next DTC. GO to Section 4, Diagnostic Trouble Code (DTC) Charts and Descriptions See: Computers and Control Systems > Diagnostic Trouble Code Tests and Associated Procedures > Diagnostic Trouble Code (DTC) Charts and Descriptions.

No

GO to Pinpoint Test DK See: Computers and Control Systems > Diagnostic Trouble Code Tests and Associated Procedures > DK: Accelerator Pedal Position (APP) Sensor - Introduction
.
Nov 9, 2020 at 12:17 PM
Avatar
ALBSURE
  • MEMBER
  • 8 POSTS
Thanks, in my haste for a helpful solution I failed to mention the following:

Starter relay has power at PIN 86 In start position .

Power good at PIN 30 to 87.

PIN 2 plug C175, PCM SMR does not read ground but the wire OHMS check okay.

I have already cleared all codes that were found but I took pictures of each screen before deleting . Thanks

Nov 9, 2020 at 12:57 PM
Avatar
ASEMASTER6371
  • CERTIFIED EXPERT
  • 52,796 POSTS
Okay, there should be power at 30 and 86. 87 will only get power when the relay closes as that is the load.

Roy
Nov 10, 2020 at 3:00 AM