Recently purchased from private owner, ran fine for a bit then problems started to arise.
1. Pressure switch failed spurting at least one quart of oil upon lower front of engine. Replaced pressure switch.
2. Cracked overflow bottle causing overheating, replaced overflow bottle and thermostat (nightmare). Ran for a couple days.
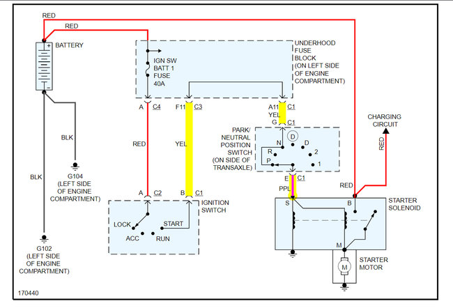
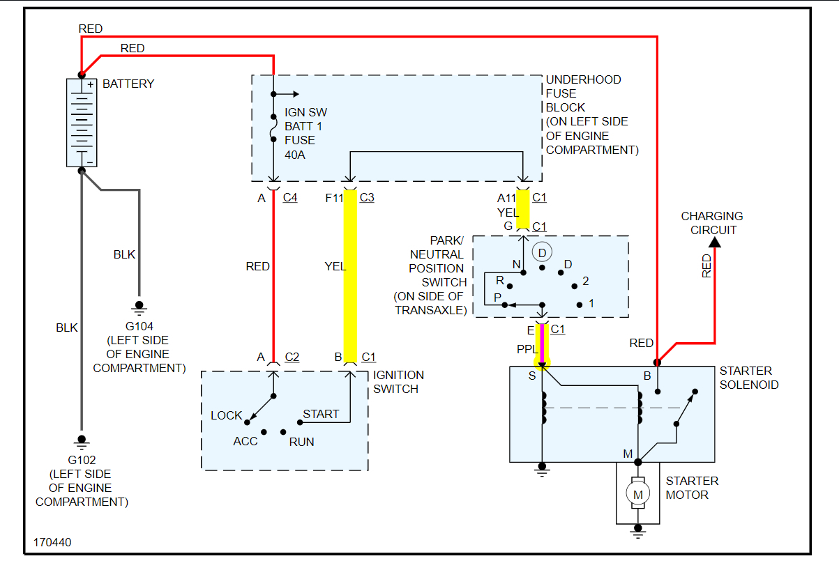
3. Won't start, won't crank. Headlights are strong. When I turn the key forward dash lights up normal, airbag light flashes with theft system remains on but not flashing oil and battery light remains on without flashing, check engine light remains on but not flashing and brake light remains on. No chime sounds are to be heard upon key cycling. I replaced starter, and neutral safety switch. Still no cranking. Some switching sounds coming from under the hood. Shifter feels a lil shifty, in the sense that it's not shifting very smoothly from park to drive our any other gear. Pedal switch keeps popping from pedal.
1. Pressure switch failed spurting at least one quart of oil upon lower front of engine. Replaced pressure switch.
2. Cracked overflow bottle causing overheating, replaced overflow bottle and thermostat (nightmare). Ran for a couple days.
3. Won't start, won't crank. Headlights are strong. When I turn the key forward dash lights up normal, airbag light flashes with theft system remains on but not flashing oil and battery light remains on without flashing, check engine light remains on but not flashing and brake light remains on. No chime sounds are to be heard upon key cycling. I replaced starter, and neutral safety switch. Still no cranking. Some switching sounds coming from under the hood. Shifter feels a lil shifty, in the sense that it's not shifting very smoothly from park to drive our any other gear. Pedal switch keeps popping from pedal.
May 27, 2021 at 10:20 PM



