No crank no start, all lights show up on instrument panel?

2001 DODGE RAM
236,000 MILES • 5.2L • V8 • 2WD • AUTOMATIC
Avatar
RAYBO54
  • MEMBER
  • 14 POSTS
Here is my problem: I turn the ignition switch on; all lights show up on instrument panel but no start no crank. So, I checked fuses and relays all are good. So, I disconnect the wire on the solenoid switch on starter S terminal. Ran a wire from S terminal up to battery and with switch on Touch the Pos on battery and she cranks up. Also, while I was under truck, I connected a wire to the wire I took loose ran it up to top of engine so I can test to see if it is hot, (that wire should be hot when you turn the switch to crank the truck) whenever I think I have found the problem. So, now I can research my problem I found at the fuse box Starter Relay and Fuse were good. So, I pulled the fuse and noticed where the fuse plugs in (you have 2 male legs) only one side where the leg plugs in had a female clip So the fuse is not connecting, I took box loose Flipped it over looking for a wire that is just lying there not connected to anything. I have looked off and on for 2 days and have not found a loose wire. Now I'm puzzled I will keep checking and hope I find the problem. Any ideas?
Sep 24, 2022 at 11:56 PM
Advertisement
Avatar
STRAILER
  • CERTIFIED EXPERT
  • 53,854 POSTS
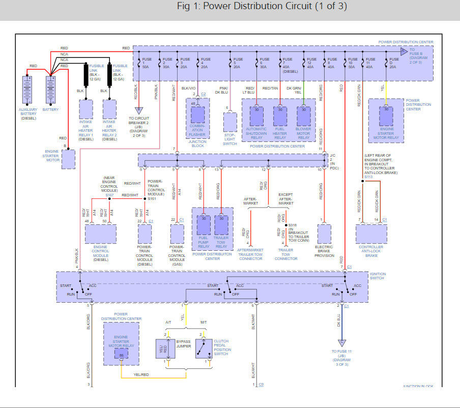
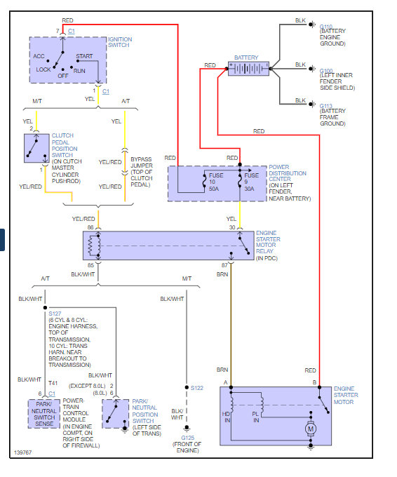
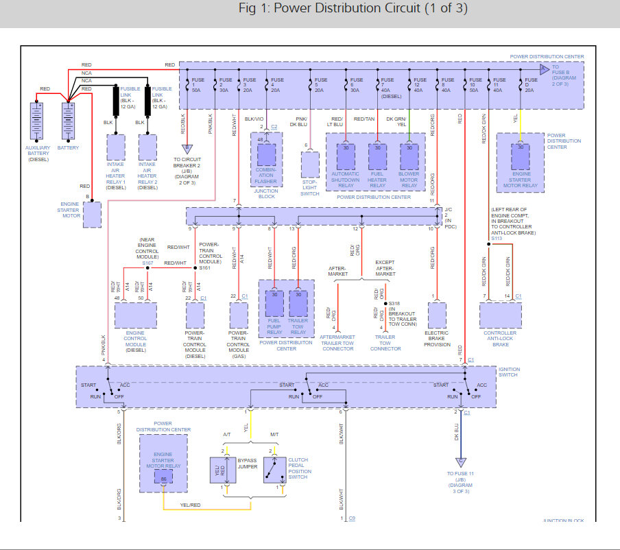
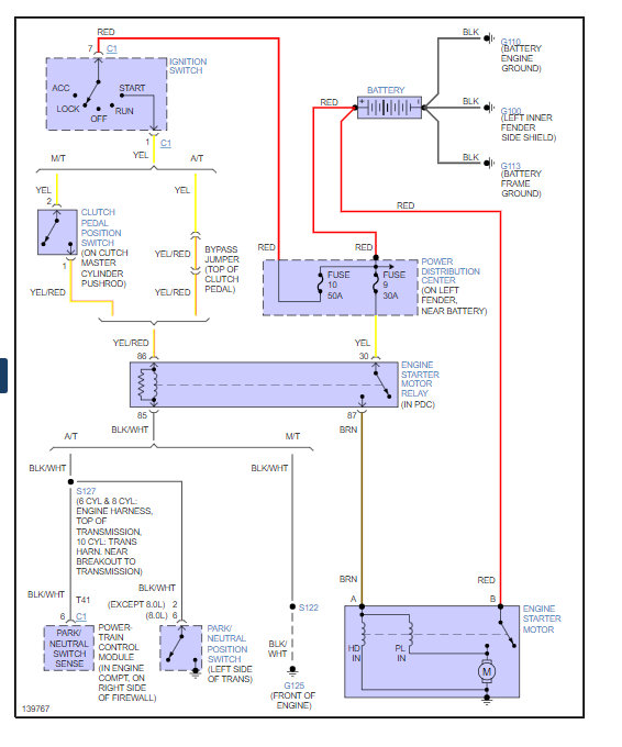
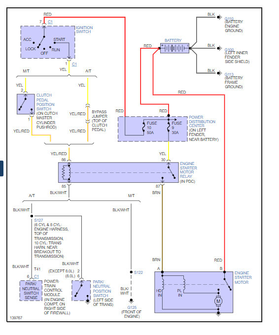
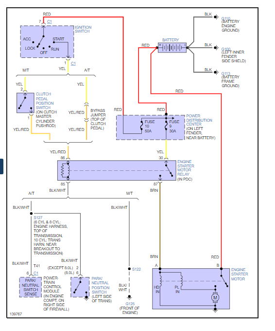
These trucks had big problems with the ignition switch itself, but to be sure here are the starter wiring diagrams and a guide to help you test for power. check fuse #9 and #10 in the fuse panel under the hood.

https://www.2carpros.com/articles/how-to-check-a-car-fuse

Also, check the starter relay and get back to me.

https://www.2carpros.com/articles/how-to-check-an-electrical-relay-and-wiring-control-circuit

Check out the images (below). Let us know what happens and please upload pictures or videos of the problem.
Sep 25, 2022 at 12:30 PM
Avatar
RAYBO54
  • MEMBER
  • 14 POSTS
Thank you for replying back i see your images of fuses are different than mine you can see below what images i have also 1 video of my pdc for what ever this means in the video you can see a red wire i have it attach to the s terminal on the solenoid i touch it to battery w/ switch on and it cranks. I did what you said on checking both side where the fuses clip in w/ switch on, this was the problem i was trying to explain in that row of 11 fuses first 1 is a spare the forth, fifth and seventh one down do not have a clip on the right side so the fuses are not connected the forth one is the 20 amp start sol. I sent pictures if you can see them there is nothing there now i did what you said w/ switch on test light clipped on neg. Battery post everything on the left side lights up w/ switch on or off none of the clips that are there on the right side light up. I should say a very weak light hope you can see that in the pictures i am trying to send you pictures and it is showing file type not allowed i have never had that happen i have them downloaded in an email that i was going to send to you but don't have a address to send it to i have 9 pictures a 1 video that you can see what i'm talking about i'm not sharp on computer's all the pictures went to the email i was going to send just don't know why they want load here.
Sep 26, 2022 at 11:01 PM
Advertisement
Avatar
STRAILER
  • CERTIFIED EXPERT
  • 53,854 POSTS
Please try to load load the pictures and video again we support most file types so it give it time to upload over mobile. Did you fix the fuse that was broken? Do you have power on both sides of fuse #9 in the underhood fuse panel?
Sep 29, 2022 at 12:42 PM
Avatar
RAYBO54
  • MEMBER
  • 14 POSTS
Still showing Filetype not allowed. The fuse was not broken. There is nothing for the fuse to connect to on the right side. The left side all of the fuses are connected and 3 of the 11 do not have a connection on the right side. I wish I could send pictures and you can see what I'm saying. Your saying fuse #9. My box does not show a number. If there is some address, I can send these pictures to. You will see what I am trying to say I was able to upload a video. It is not that good explaining my problem. Since that went through, I may try to do another video and see if it will upload Maybe this video can help a little.
Sep 30, 2022 at 9:51 PM
Avatar
RAYBO54
  • MEMBER
  • 14 POSTS
I was looking at your first email i see #s in the fuse box cover top right engine inline #s 1-43. is this the place where the #9 is located you are talking about? The 11 fuses i have been talking about in your picture with fuse box cover it's labeled a- k2 that is the panel with the 11 fuses and the forth one down which in your picture is d that is start sol on mine on my 11 fuses read like this top is: spare, rt head lamp, lt head lamp, start sol, quad lamp, park lamp, fog lamp, horn, trans, ac clutch, oxygen ssr, that is the 11 now the last one 11th oxygen ssr there is no continuity w/ test light on either side where the fuse plugs in i will do a slow video and try to send to you this filetype not allowed blows my mind never had that before.
Sep 30, 2022 at 10:28 PM
Avatar
RAYBO54
  • MEMBER
  • 14 POSTS
Question about the red wire I want to make sure I'm reading this correctly: There is a red wire coming from Ing switch to the PDC then out to the Pos on battery Then to the starter okay. Then this would be the cable from the pos of battery down to the solenoid switch of the starter If so then yes this is hot all the time My problem is the brown wire that is connected to the S terminal on the solenoid is not getting power But to crank the truck I have a wire connected to this S terminal routed up next to battery and I just turn Ing switch on and touch Pos on battery and she cranks So that to me means No power to the S terminal (brown wire) I built Alternators and Starters for a living 1972 till retired 2017 But why no power to the S terminal I'm not giving up I'm still checking when I can. I did find where the brown wire connects into and connector and disconnected it and I have continuity from male end to the other end of brown wire that goes to the S terminal Now the female end That part of the wire goes ( I don't know ) I flip my PDC over hoping that brown wire went to that section of 11 fuses But No brown wire. I will video and hope I can send to you.
Sep 30, 2022 at 10:59 PM
Avatar
STRAILER
  • CERTIFIED EXPERT
  • 53,854 POSTS
Yes, that is strange. Can you tell me the manufacturing date of the truck, it will be in the driver's door.
Oct 1, 2022 at 12:09 PM
Avatar
RAYBO54
  • MEMBER
  • 14 POSTS
3-01.
Oct 3, 2022 at 4:25 AM
Avatar
RAYBO54
  • MEMBER
  • 14 POSTS
Okay. Got a video I think you can see what I'm talking about now The holder that only has 1 fuse in it, is the one I'm having problem with There are 11 fuses that go in this one and the 4th and 5th and the 7th do not have anything for the right side of the fuses to plug into. I'm thinking this is why my truck wants to crank at the Ignition switch. You can see I have a red wire connected to the S Terminal on the starter solenoid and crank my truck I will send 1 more video in next message.
Oct 3, 2022 at 8:11 AM
Avatar
STRAILER
  • CERTIFIED EXPERT
  • 53,854 POSTS
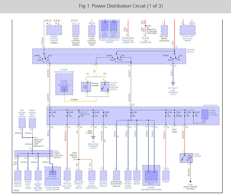
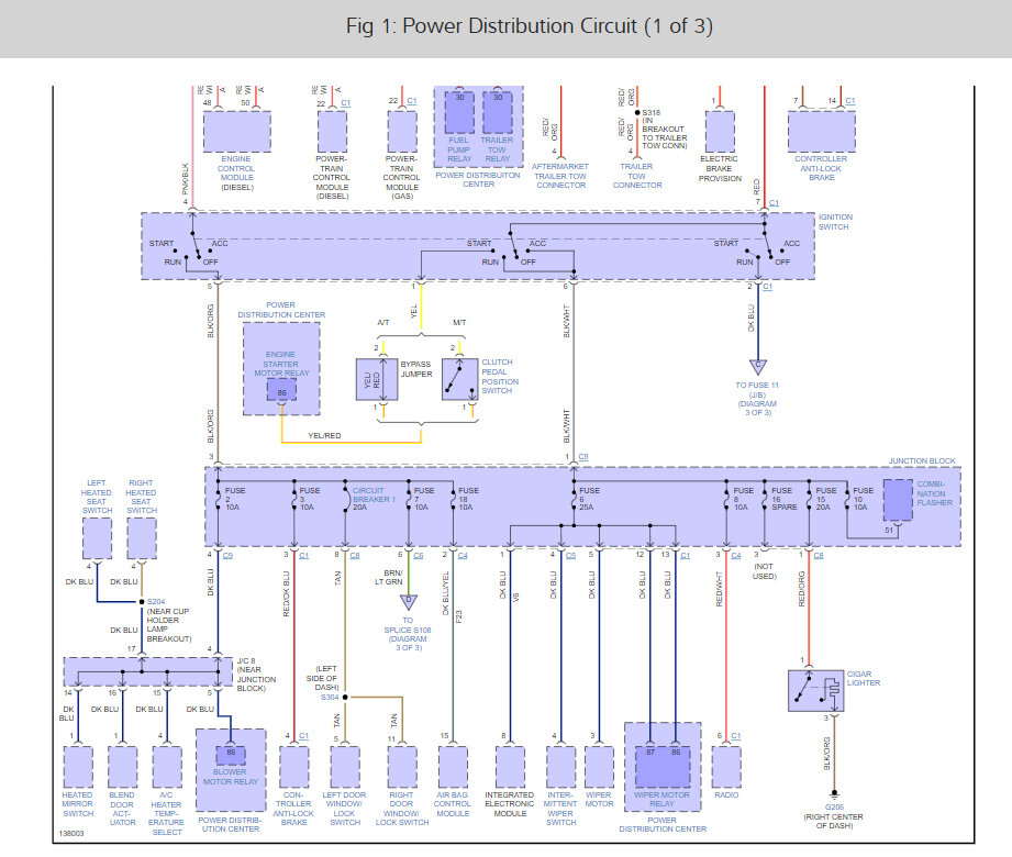
Yep, it's a 2001 for sure, did someone change out the fuse panel with one from a different year? Here is how the fuse panel is wired.
Oct 3, 2022 at 6:25 PM
Avatar
RAYBO54
  • MEMBER
  • 14 POSTS
Here is the 2nd video.
Oct 4, 2022 at 2:13 AM
Avatar
STRAILER
  • CERTIFIED EXPERT
  • 53,854 POSTS
Hmm, I don't see it?
Oct 4, 2022 at 3:51 PM
Avatar
RAYBO54
  • MEMBER
  • 14 POSTS
here try again.
Oct 4, 2022 at 9:24 PM
Avatar
RAYBO54
  • MEMBER
  • 14 POSTS
Did you get both videos, and do you see what all I was talking about? I bought the truck used about 8 years ago. So, I do not know about changing out fuse panel.
Oct 4, 2022 at 10:24 PM
Avatar
STRAILER
  • CERTIFIED EXPERT
  • 53,854 POSTS
So, I looked at the video and I saw the battery cable ends; these can be bad which is common. I know it is off to the side of what we are talking about, but I would get a new positive battery cable end and install it, remove the cable insulation for a new connection and clean the positive terminal. This is a common problem. Let me know.
Oct 5, 2022 at 4:58 PM
Avatar
RAYBO54
  • MEMBER
  • 14 POSTS
Those cables are clean. I broke one today, so will replace it with a new one POS. So, in the video did you see where the right side of where the fuses connect? There was nothing there.
Oct 6, 2022 at 11:16 PM
Avatar
STRAILER
  • CERTIFIED EXPERT
  • 53,854 POSTS
Okay, yep, I did notice that as well. I am wondering if the fuse connection terminals have fallen down inside the fuse panel. Can you remove the rear of the panel to see if they are sitting inside?
Oct 7, 2022 at 4:44 PM
Avatar
RAYBO54
  • MEMBER
  • 14 POSTS
I did that 3 weeks ago I was very careful to make sure nothing fell out or any wires hanging. None of that. Yesterday I was testing the pin clips (the clips in the fuse panel that the relay plugs into.) With switch on There was no light at the clips. Yes, I made sure the test light was working. Yes, other clips for other relays were hot (light on).
Oct 13, 2022 at 3:51 PM
Avatar
STRAILER
  • CERTIFIED EXPERT
  • 53,854 POSTS
The fuse panel is no good, most of the fuse terminals have been broken out and the panel has been overheated. here is the main problem in the image below. Here is how to change out the PDC. Check out the images (below). Please let us know if you need anything else to get the problem fixed.
Oct 15, 2022 at 11:44 AM