No start no communication to computer

2009 CHEVROLET AVEO
67 MILES • 1.6L • 4 CYL • 2WD • AUTOMATIC
Avatar
ALBROWER87
  • MEMBER
  • 2 POSTS
The car was in a deer hit. I bought it needing a headlight and fender through auction. The car will not turn over. No fuel pump or check engine light when the key is in the on position. I have changed the fuse box and the PCM. I am thinking there is no power to the PCM but I do not have a wiring diagram for it. I have been able to power the fuel pump through a power point and I have had the engine turn over the same way. Any help is greatly appreciated. Thank you
Sep 13, 2018 at 1:47 PM
Advertisement
Avatar
DANNY L
  • CERTIFIED EXPERT
  • 5,648 POSTS
Hello, I am Danny.

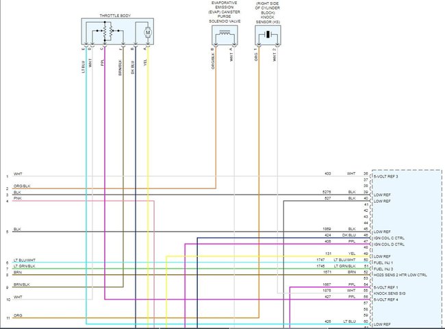
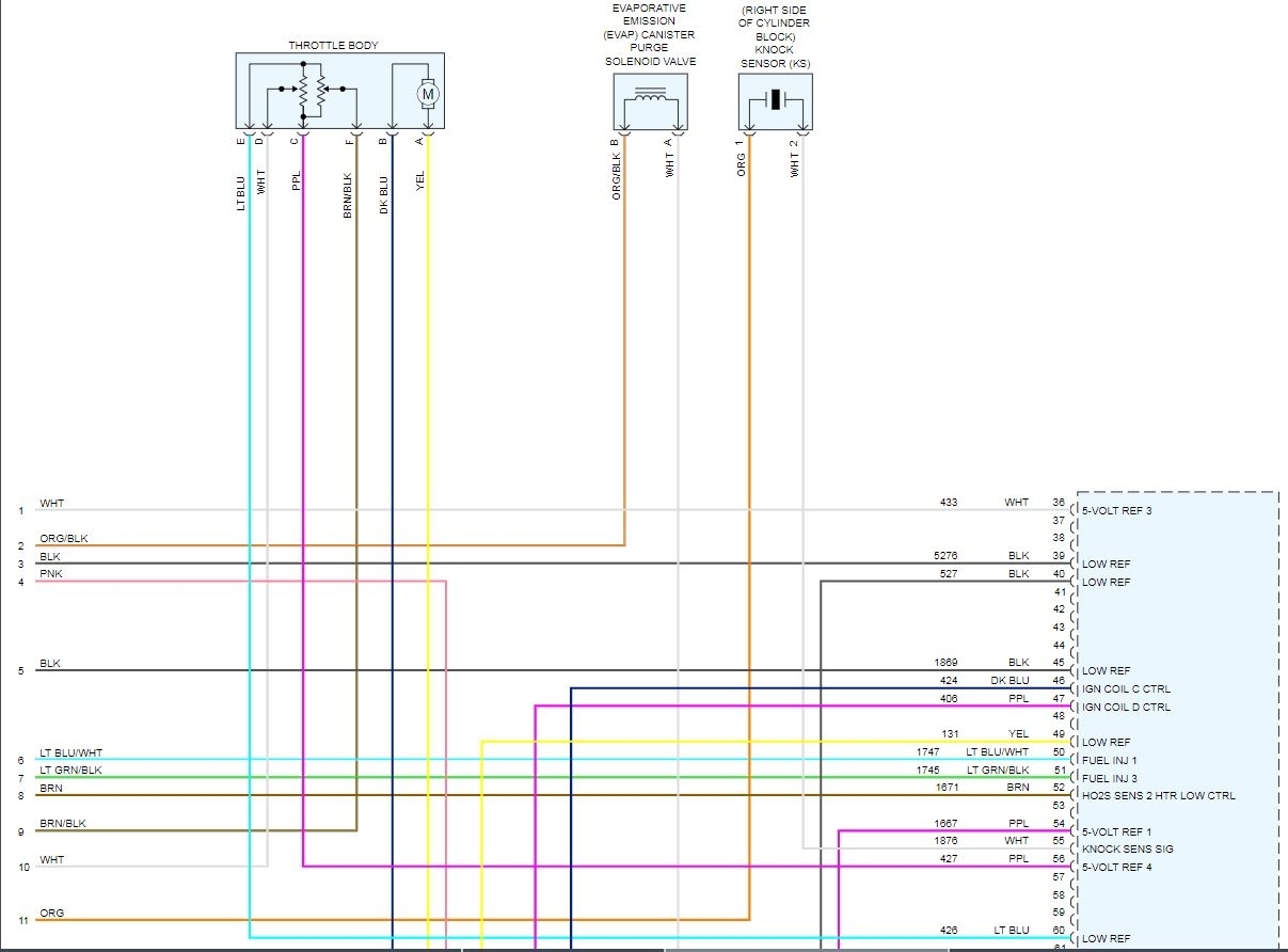
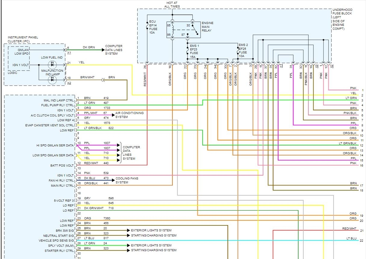
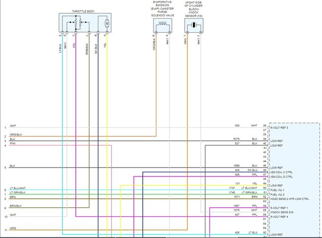
I have attached a wiring diagram for the ECM. Hope this helps and feel free to ask any questions. Thanks for using 2CarPros.


https://www.2carpros.com/articles/car-cranks-but-wont-start


Danny-
Sep 15, 2018 at 9:16 AM
Avatar
ALBROWER87
  • MEMBER
  • 2 POSTS
I have not had much luck it appears there is no communication from the OBD connector under the dash through the system. I was unable to get the picture to come up clear. I did a little more research and found it runs through a couple more modules before hitting the PCM/ECU.
Sep 15, 2018 at 12:07 PM
Advertisement
Avatar
DANNY L
  • CERTIFIED EXPERT
  • 5,648 POSTS
Hello again.

Let me know if you need any other wiring diagrams. We are here to help. Thanks again for using 2CarPros.
Danny-
Sep 15, 2018 at 5:38 PM
Avatar
JAKES72
  • MEMBER
  • 2 POSTS
I’m in SA and I have a 2009 Chevrolet Captiva 2.4L petrol (4 cylinder) with 108000 km’s (Serviced at 107000kms). When I start the vehicle (if it has stood overnight or a few hrs) I have to turn the key on and off 2-3 times,cranking each time for a few secs before it starts.
Initially I would have to do this 4-5 times, but the agent upgraded its software which has now improved it a bit.
When it starts, it makes 1 or 2 ‘popping’ sounds from the engine and there is a smell of burning oil & petrol. It then runs rough for a few secs and then is fine.
If I kill the engine straight away and start again, it fires up easily on 1st turn and also if warm it starts easy.

A mechanic looked as I started it and says that it seems to be getting flooded. When I hold the throttle flat on the floor and start the vehicle it fires up 1st time.
Car also runs fine and has no other problems.

The dealer has also put a new battery in as well. What is peculiar though is that sometimes maybe 2/10 times the vehicle will start first time. The dealer who is located about 150km’s from me inland (I am right next to the sea), says that he starts the vehicle first time too.

Please I would really appreciate any advice from you as too what may be causing this problem?

Many thanks for your time,

Kind regards,
Jacques.

Feb 25, 2019 at 6:04 PM (Merged)
Avatar
HMAC300
  • CERTIFIED EXPERT
  • 48,601 POSTS
have fuel pressure checked with a gauge may be a bad regulator or injectors need cleaning.
Feb 25, 2019 at 6:04 PM (Merged)
Avatar
JAKES72
  • MEMBER
  • 2 POSTS
Thank you sir, I appreciate the advice.
Feb 25, 2019 at 6:04 PM (Merged)
Avatar
MOMZDREAMZ
  • MEMBER
  • 1 POST
Car won't start....tried jumping it . With cables connected it acts like it wants to start but, won't. When cables are disconnected, it just makes a clicking sound. Was told the codes on it were for an 02 sensor, multiple misfire and coolant low pressure. Replaced thermostat and added antifreeze, replaced spark plugs and air filter. All done in last 4 days.
Feb 25, 2019 at 6:04 PM (Merged)
Avatar
SATURNTECH9
  • CERTIFIED EXPERT
  • 30,869 POSTS
Has the battery been tested yet? Sounds like a bad battery atleast to start with i would have the battery charged and tested. I have seen batteries so bad you can't even jump start the car.Also make sure the battery cables are clean and tight. Let me know what happens when you get the battery charged and tested.
Feb 25, 2019 at 6:04 PM (Merged)
Avatar
JAMESGALLOS
  • MEMBER
  • 1 POST
Few days ago my car won’t start but if i push start the car its run normally. So i checked my battery and found out it needs to be replaced, and so i did. But after replacing the car battery the car still won’t start but it has good battery power. I noticed in my panel board gauges are all down. I tried few times putting the engine ignition off and on but still the same problem. I ended up hiring a tow to bring my car to chevy service and left it there. After a day they told me it needs to replace the computer box that worth around US$1400. But I am in doubt of their diagnosis because before having battery problems the car runs great.Radio, Lights and all other works.
Feb 25, 2019 at 6:04 PM (Merged)
Avatar
RASMATAZ
  • CERTIFIED EXPERT
  • 75,992 POSTS
Few days ago my car won’t start but if i push start the car its run normally

Your possibilites here could be the starter,starter relay, clutch switch and ignition switch
Feb 25, 2019 at 6:04 PM (Merged)
Avatar
NELSON11
  • MEMBER
  • 2 POSTS
The car had been running fine but then made a noise that sounded like a playing card in bicycle spokes, the engine revved higher and higher as the car lost all power, the check engine and oil lights came on as the car stalled. When I try to start it, the flywheel spins, but engine does not turn over. Timing chain/belt is on, serpentine belt is fine. a fluid was dripping near the front passenger wheel and it left a puddle, but the liquid was not oily and had no smell. Any ideas?
Feb 25, 2019 at 6:04 PM (Merged)
Avatar
MATT97
  • MEMBER
  • 1 POST
My 2004 did the same thing i didn't hear any sound but was traveling in the 50's then i lost all power and now she won't turn over at all, i hear the fly wheel spin when i turn the key but no crank. I still have fuel pressure so i don't think its the fuel pump. The garage said it the starter but why would it stall if it was the starter???
Feb 25, 2019 at 6:04 PM (Merged)
Avatar
RASMATAZ
  • CERTIFIED EXPERT
  • 75,992 POSTS
Check engine light on
https://www.2carpros.com/articles/service-engine-soon-or-check-engine-light-on-or-flashing

Have the computer scanned for code/s-you have a problem within the engine management system that caused the CEL to turn on-This is your starting point of diagnosis,finding out what's going on.
Feb 25, 2019 at 6:04 PM (Merged)
Avatar
DRCRANKNWRENCH
  • CERTIFIED EXPERT
  • 3,380 POSTS
There are a few possibilites. It really depends on the source of the oil leak.

If the transmission is leaking, the torque converter, Flex Plate or Differential may have failed and blew out a seal or damaged the cases.

If the oil is coming from a strut, it will need to be replaced.

There are other possibilites, it all depends on the source of th eoil leak.

Here are some links to some walk through diagnosis'

https://www.2carpros.com/articles/checking-shocks-and-struts

https://www.2carpros.com/articles/clicking-sound

https://www.2carpros.com/articles/rattle-noise

Let me know if you have any further questions.
Feb 25, 2019 at 6:04 PM (Merged)