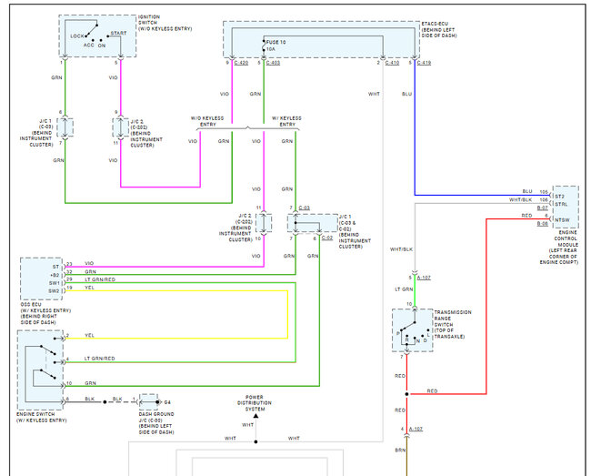
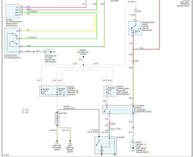
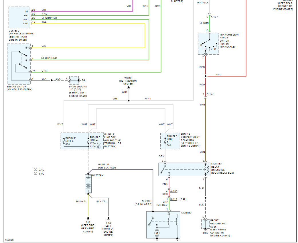
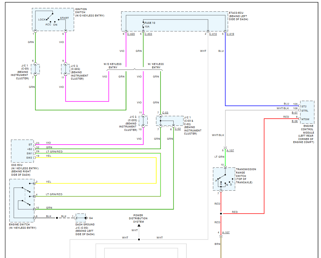
Hi Ken, I have the vehicle listed above and it won’t engage the kick starter when push button is pressed, rather it turns the dash off.
VIN: 4A4AR4AU0EE028967
I like to have Diagram of the push button to the kick stater relay and the kickstarter .
VIN: 4A4AR4AU0EE028967
I like to have Diagram of the push button to the kick stater relay and the kickstarter .
Feb 24, 2025 at 2:18 PM

