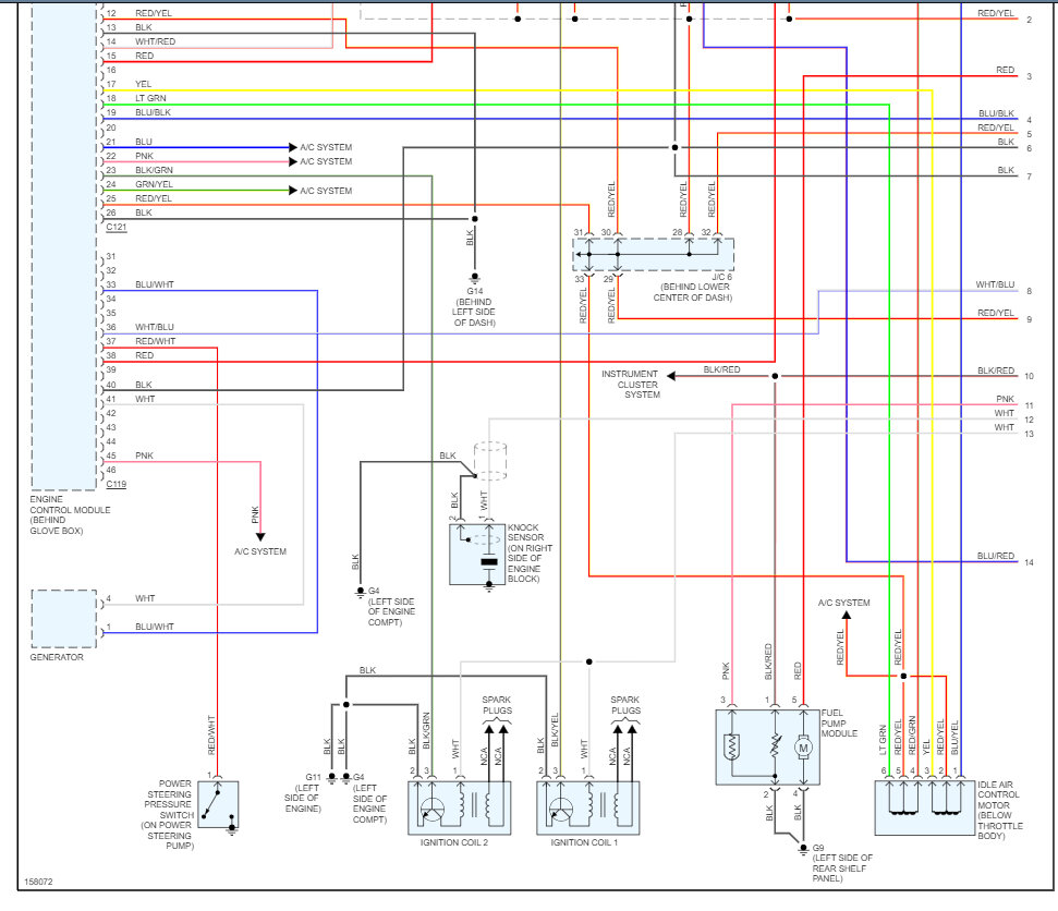
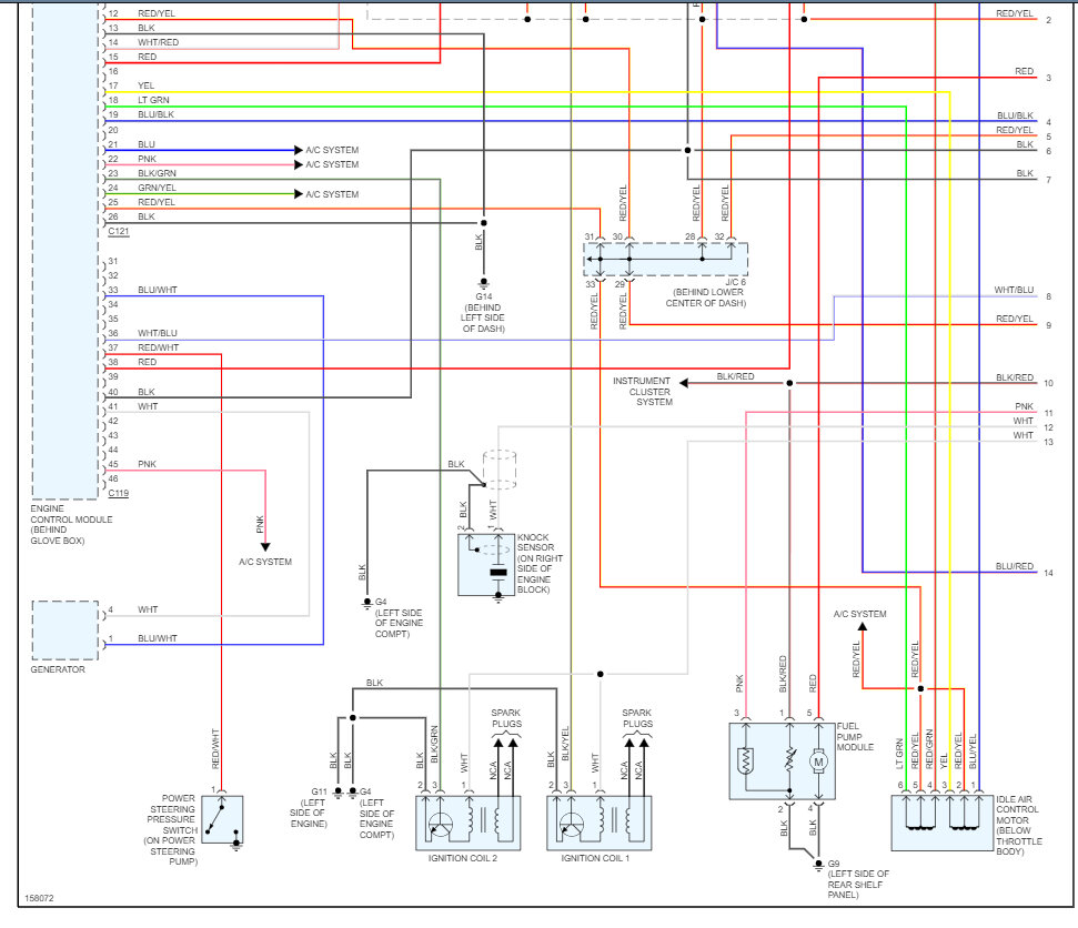
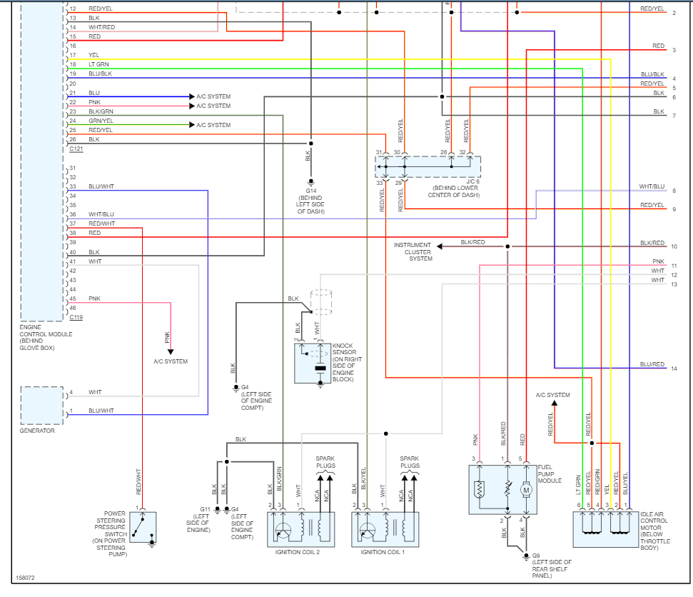
Short on MAF harness and now no start replaced both coils the MAP sensor the MAF sensor and the crankshaft position sensor and it seems to drain the battery fast when I try to start it. P0335 and p0113 codes. What are the wires to the MAF sensor from left to right in color coordination.
Feb 18, 2023 at 11:19 PM



