No crank, no start and there is no power with battery?

2007 NISSAN ARMADA
295,000 MILES • V8 • 4WD • AUTOMATIC
Avatar
KAYMIKDRU3
  • MEMBER
  • 1 POST
Will not crank will not start there is no power with battery fully charged. nothing has no communication with ignition or engine.
Sep 13, 2022 at 8:15 PM
Advertisement
Avatar
STRAILER
  • CERTIFIED EXPERT
  • 53,854 POSTS
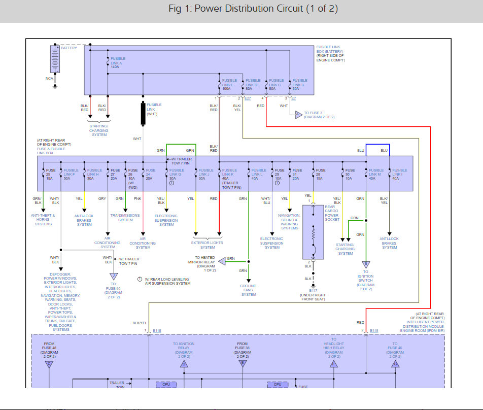
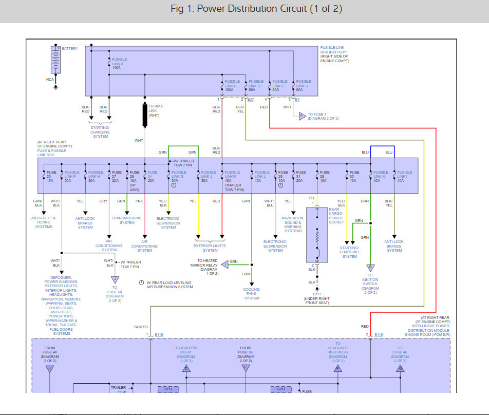
We need to check the fusible links. here is a guide to help you check for power and the fusible link locations below. Also, I have included the wiring diagrams for the links so you can see how the system works. And let's clean the battery cables.

https://www.2carpros.com/articles/everything-goes-dead-when-engine-is-cranked

and

https://www.2carpros.com/articles/how-to-use-a-test-light-circuit-tester

Check out the images (below). Please let us know what you find.
Sep 14, 2022 at 10:36 AM