no start, no crank, and no PCM communication after attempting a relative compression test with my oscilloscope, accidentally put 12v to pin 85 on relay k1?

2015 JEEP CHEROKEE
170,000 MILES • 3.2L • 6 CYL • 4WD • AUTOMATIC
Avatar
WRX757
  • MEMBER
  • 1 POST
I was trying to do a relative compression test with my oscilloscope. I accidentally put 12v to pin 85 on relay k1. Now i have no start/ no crank / no PCM communication checked fuses under hood, all good.
Nov 6, 2023 at 10:02 AM
Advertisement
Avatar
AL514
  • CERTIFIED EXPERT
  • 5,465 POSTS
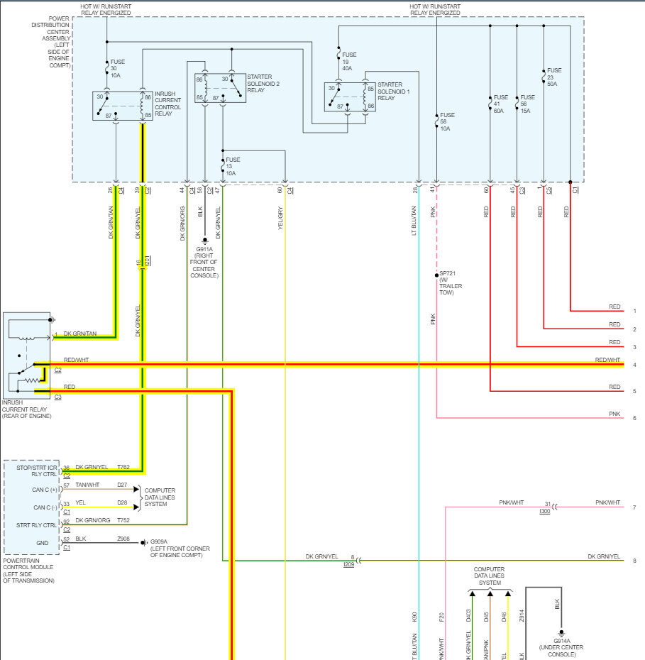
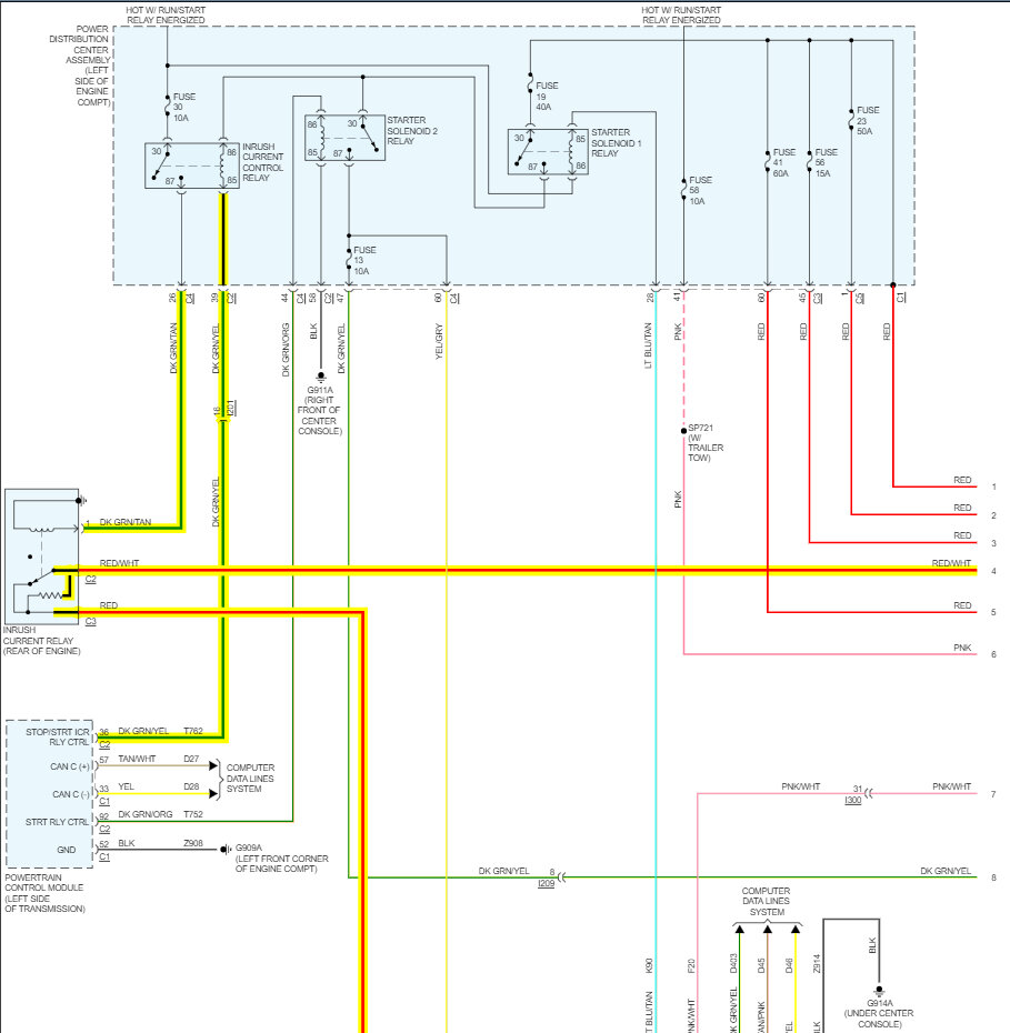
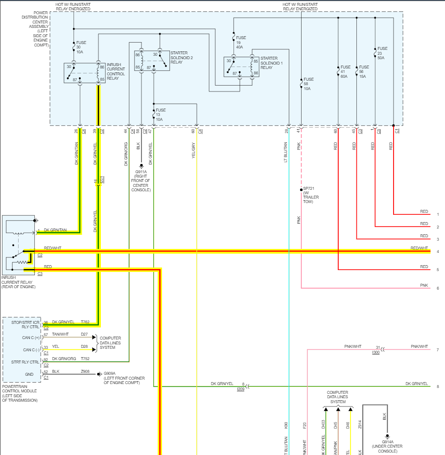
Hello, what is K1 labelled as? Is it Run Relay 1? It doesn't look to be the ASD relay, pin 85 goes to battery it looks like on the ASD relay. Pin 86 looks like the PCM control side. If the check engine light does not come on at key on for the normal 30 seconds or so, then you may have put power down the ground side control circuit of the PCM unfortunately. I'd double check the fuses again, I'm sure you have if you're at this point, but the Run Relay 2 pin 85 just goes to ground, Run Relay 1 is grounded by the BCM.
Aftermarket diagrams are incorrect for the ASD relay, they show 86 as power from the battery but the OEM shows pin 86 is the ground control pin through the PCM.
Although I will say, these diagrams are all over the place.
The All-data aftermarket diagrams show the "Inrush Current control relay" controlling the Starter solenoid, which I have yet to even find on the OEM diagrams yet.
These newer vehicles are getting to be a bit over the top with the way they control components,
Do you have any activity on the CANbus at this point with the key on?
Another to check is if you have a 5volt reference on a 3 wire sensor, if the PCM is down that will be missing. Sorry to hear about this, I understand the feeling of these mistakes, we all make them at some point.
Nov 6, 2023 at 10:36 AM