Does not start

1999 CHRYSLER CONCORDE
1,520,000 MILES • 3.2L • 6 CYL • 2WD • AUTOMATIC
Avatar
CA DH
  • MEMBER
  • 2 POSTS
I have replaced the entire engine brand new parts everywhere car still wont start.
Apr 23, 2021 at 8:57 AM
Advertisement
Avatar
CA DH
  • MEMBER
  • 2 POSTS
Is there a fusible link in the middle of the car under the dash? just asking or can you give me all fusible link locations?
Apr 23, 2021 at 9:05 AM
Avatar
JACOBANDNICKOLAS
  • CERTIFIED EXPERT
  • 110,175 POSTS
Hi,

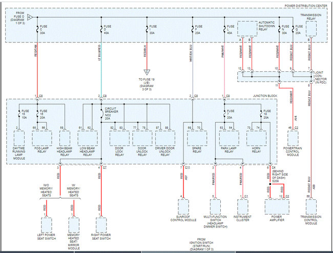
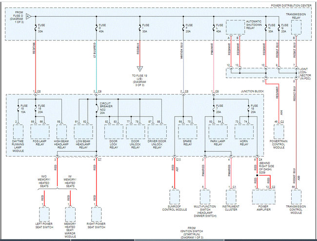
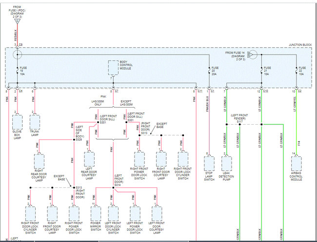
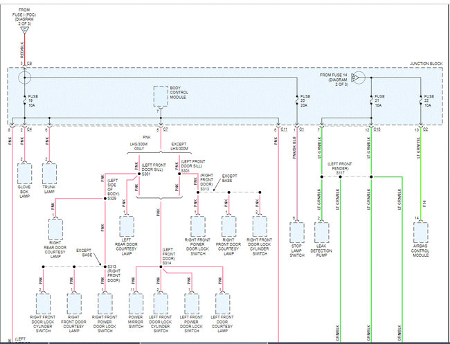
I attached the entire power distribution wiring schematics below. I'm not sure exactly what is happening, so I hope that helps.

If possible, let me know the specifics. For example, does the starter engage? Does the engine fail to start? Is anything electrical working?

See the pics below. The only fusible link I'm seeing is between the alternator and the battery. You will see it in the first pic below. Also, I circled it for you. Also, I had to cut the pics in half to make them readable. I did overlap them so you can follow from one to the next.

https://www.2carpros.com/articles/how-to-check-wiring

Let me know if this helps or if you have other questions. Also, let me know the specifics of what is happening.

Take care,

Joe

See pics below.
Apr 23, 2021 at 7:17 PM
Advertisement