No start

2004 KIA OPTIMA
148,000 MILES • 2.4L • 4 CYL • 2WD • AUTOMATIC
Avatar
VICKY LAMPMAN
  • MEMBER
  • 29 POSTS
I have wiring issue if you can help. driver side front quarter panel area was damaged before I had. Need to replace inner liners that protects wiring there, I did wrap and cover.This may have happened before I taped and covered wiring in wheel well area while I was fixing a shorted etacs and a/con issue or even removing and replacing battery hitting against harnesses, I am not sure. this I am not blowing fuses but I have no power now to three 10A fuses under dash: START, A/CON SW and RR HTD IND. It started and ran before now the car now does not start of course and shifter won't move, but after I turned steering wheel back and forth I did get shifter to move, steering wheel doesn't lock. Not sure where to start with this, perhaps I touched or moved wiring that was already weak or damaged. Is that A/CON SW fuse related to issue I thought was fixed or start fuse and not sure what RR HTD IND is? Any help you can offer is appreciated. Thanks
Jan 7, 2020 at 6:19 PM
Advertisement
Avatar
ASEMASTER6371
  • CERTIFIED EXPERT
  • 52,796 POSTS
Good afternoon,

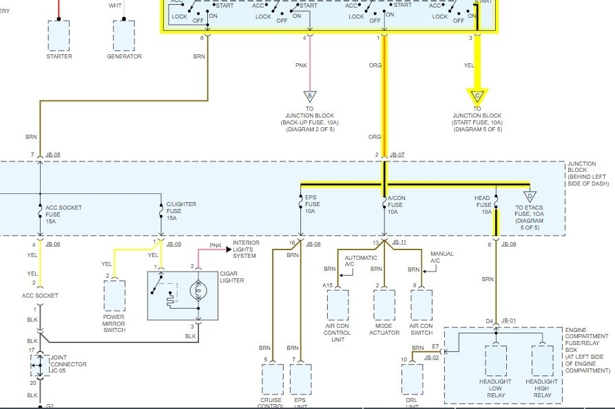
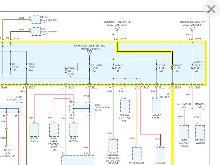
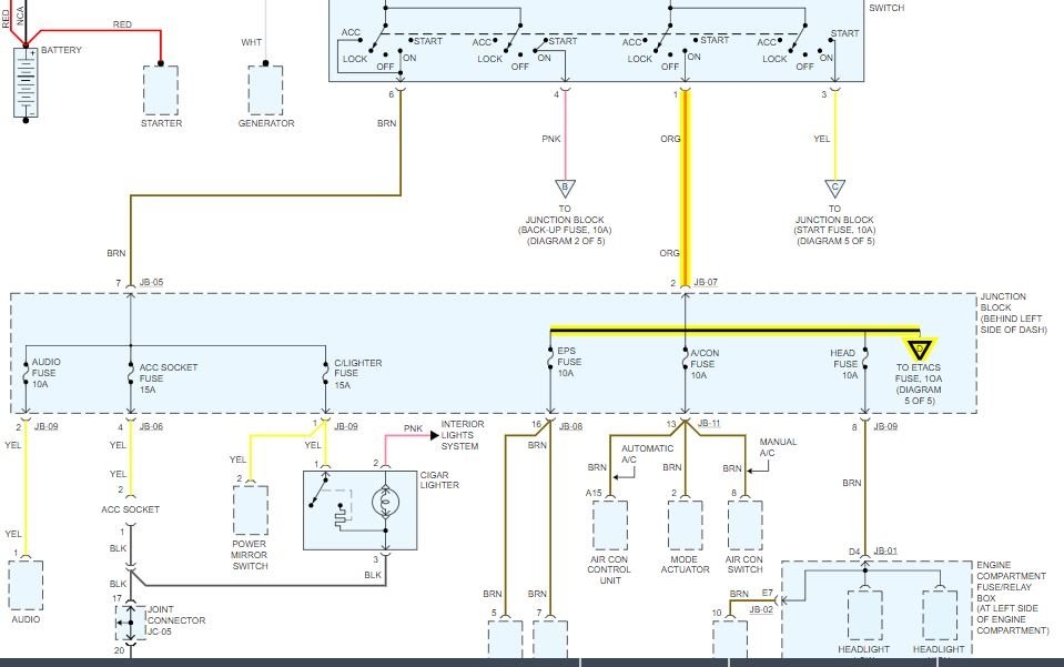
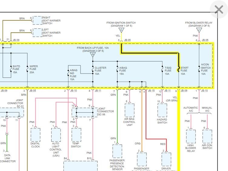
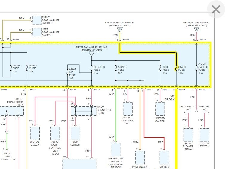
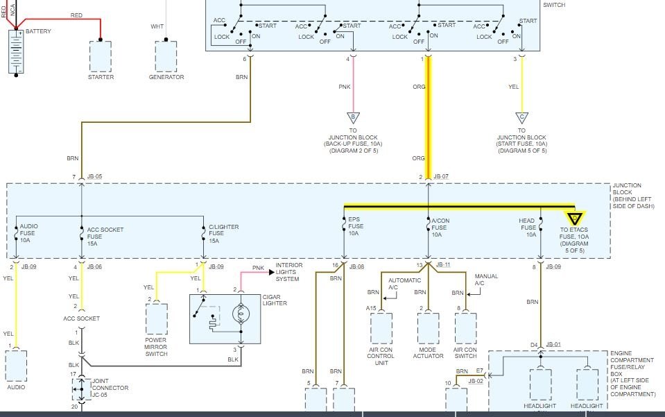
The power for the start fuse comes directly from the ignition switch. It is a yellow wire at the switch. Test it for power in the start position. I have attached the diagram showing the wire at the fuse block as well as from the switch.

The HTd fuse is fed from the ignition switch as well. in the fuse block under the hood. You will need to check that relay for power.

https://www.2carpros.com/articles/how-to-check-wiring

The A/C is fed from the blower relay under the hood in that fuse block.

https://www.2carpros.com/articles/how-to-check-an-electrical-relay-and-wiring-control-circuit

Let me know if you have any other questions.

Roy

Jan 8, 2020 at 2:08 PM
Avatar
VICKY LAMPMAN
  • MEMBER
  • 29 POSTS
okay , it seemed relays were good but will double check those and go from what you told me. thank you
Jan 8, 2020 at 4:25 PM
Advertisement
Avatar
ASEMASTER6371
  • CERTIFIED EXPERT
  • 52,796 POSTS
You are welcome.

Keep me updated.

Roy
Jan 8, 2020 at 4:43 PM
Avatar
VICKY LAMPMAN
  • MEMBER
  • 29 POSTS
Hello Roy, I found a skinnier yellow wire that was broken running along wheel well area after finding no power on wire from ignition key. So fixed that wire and Now car starts, but the 10A start fuse doesn't light up with test light, does that seem right to you? along with others I mentioned previous plus now the tail light 10A fuse to. The only fuse that works in that row is the 25A F seat(drive) fuse. Guess I'm stuck on my next step. Relays check out good. What do you suggest from here? Also want to mention I had replaced blower relay previous but did not replace that high blower relay, when I tested it seemed good but I just did the battery jump to relay test. thanks
Jan 10, 2020 at 1:15 PM
Avatar
ASEMASTER6371
  • CERTIFIED EXPERT
  • 52,796 POSTS
The start fuse should only have power with the key in the start position.

Is that how you checked it?

Roy
Jan 10, 2020 at 1:54 PM
Avatar
VICKY LAMPMAN
  • MEMBER
  • 29 POSTS
Hello, Yes I checked them in start position, car does start but test light does not light on the 10A START, 10A A/CON SW or 10A RR HTD IND fuses under the dash. Also wanted to say when key is turned on I hear a click from back of engine area only and when key turned to off there is a click from behind dash above blower relay area. Thanks
Jan 11, 2020 at 11:14 AM
Avatar
ASEMASTER6371
  • CERTIFIED EXPERT
  • 52,796 POSTS
Those fuses are controlled by the ignition switch. The orange wire off the ignition switch is what feeds the power to those fuses.

Roy
Jan 11, 2020 at 11:32 AM
Avatar
VICKY LAMPMAN
  • MEMBER
  • 29 POSTS
Hello, I do have power behind ignition key on orange wire. What would I be looking or checking for now? Thanks
Jan 11, 2020 at 11:02 PM
Avatar
ASEMASTER6371
  • CERTIFIED EXPERT
  • 52,796 POSTS
Okay, then it is wiring issue between the switch and the fuse block. The harness will have to be tested for the break

.https://www.2carpros.com/articles/how-to-check-wiring

Roy
Jan 12, 2020 at 10:19 AM
Avatar
VICKY LAMPMAN
  • MEMBER
  • 29 POSTS
Thanks. okay, so between orange wire ignition key and fuse box under dash I see the harness. Okay, will try that, I have another question, I see A/C switch is over under passenger dash by blower relays, would that possibly come into play? and excuse me I am still learning diagrams, etc.
Jan 12, 2020 at 6:26 PM
Avatar
ASEMASTER6371
  • CERTIFIED EXPERT
  • 52,796 POSTS
Trace the orange wire first. Then we will see what happens before we go there.

Roy
Jan 13, 2020 at 1:26 AM
Avatar
VICKY LAMPMAN
  • MEMBER
  • 29 POSTS
Hi Roy, I traced and checked orange wire to fuses. The connector was a 4 blade 3 orange and 1 black, I got continuity at black wire. Unplugged and checked out others. Now I have power to rr htd ind fuse and nothing at a/con sw fuse the start fuse meter jumped to 1300 and went down to 75. This has me baffled that when etac and a/con fuse blew all the time before I replaced blower relay, re-plugged connectors and the fan was blowing and climate control panel was lit up so put everything back wrapped wires under quarter panel and this issue started, blower quit working but climate control panel stayed lit but something seems off like it wants to change to A/C setting. and keeps going back to C from F when I reset it. It shows fan symbol as working but blower doesn't come on. Don't know if any of this helps us but thought I would mention. Thanks
Jan 16, 2020 at 8:25 AM
Avatar
ASEMASTER6371
  • CERTIFIED EXPERT
  • 52,796 POSTS
Okay, you have a wiring issue. It looks like somewhere in the harness is either a bad connection or frayed wire.

You will need to unwrap the harness and inspect for any damaged wires.

Roy
Jan 16, 2020 at 8:43 AM
Avatar
VICKY LAMPMAN
  • MEMBER
  • 29 POSTS
Okay, thanks. I will get back to you with what I find out.
Jan 16, 2020 at 1:57 PM
Avatar
ASEMASTER6371
  • CERTIFIED EXPERT
  • 52,796 POSTS
You are welcome.

always glad to help.

Roy
Jan 16, 2020 at 1:59 PM
Avatar
VICKY LAMPMAN
  • MEMBER
  • 29 POSTS
Hello, we didn't come up with a thing. do you think wire in driver wheel area maybe involved? Or if I back track to passenger dash area where we unconnected reconnected anything maybe culprit or any components? Thanks any help appreciated.
Jan 16, 2020 at 9:32 PM
Avatar
ASEMASTER6371
  • CERTIFIED EXPERT
  • 52,796 POSTS
When trying to track down a wiring issue, it could be anywhere.

I would start with the last place you were working. Wiring issues are the hardest to find since the wires run all over the car.

Roy
Jan 17, 2020 at 1:28 AM
Avatar
VICKY LAMPMAN
  • MEMBER
  • 29 POSTS
Hi Roy, I took a break from looking at car awhile. Now I was double checking ignition wires for voltage and I had key in on position not started and got voltage from yellow wire of .78 the other 5 wires voltage was correct with battery. Is yellow only supposed to power when started? thanks
Jan 20, 2020 at 5:51 PM
Avatar
ASEMASTER6371
  • CERTIFIED EXPERT
  • 52,796 POSTS
Turn the key to start and see if it has battery voltage.

Roy
Jan 20, 2020 at 5:54 PM
Avatar
VICKY LAMPMAN
  • MEMBER
  • 29 POSTS
Started I have .98 voltage.
Jan 20, 2020 at 6:42 PM
Avatar
ASEMASTER6371
  • CERTIFIED EXPERT
  • 52,796 POSTS
Not good.

Does the orange wire have power?

Roy
Jan 20, 2020 at 6:57 PM
Avatar
VICKY LAMPMAN
  • MEMBER
  • 29 POSTS
yes orange has voltage , on and start. checked yellow again .41 volts this time started and .14 on position then .78 . seems voltage all over the place?
Jan 21, 2020 at 12:23 PM
Avatar
ASEMASTER6371
  • CERTIFIED EXPERT
  • 52,796 POSTS
It should be battery voltage. You need to replace the ignition switch.

Roy
Jan 21, 2020 at 12:34 PM
Avatar
VICKY LAMPMAN
  • MEMBER
  • 29 POSTS
Ah, I was thinking same thing. looking at diagrams you sent. Would that be most likely the problem with all 3 those fuses? okay I will let you know how that goes. thank you
Jan 21, 2020 at 3:21 PM
Avatar
ASEMASTER6371
  • CERTIFIED EXPERT
  • 52,796 POSTS
The red wire feeds the fuses, not the yellow.

I would replace the switch and then we can proceed.

Roy
Jan 21, 2020 at 6:44 PM
Avatar
VICKY LAMPMAN
  • MEMBER
  • 29 POSTS
Hi, got ignition switch replaced, still have like .07 volts key turned on yellow wire at ignition when key turned to crank volts went to battery volt. On the fuses Using power probe now rr htd ind comes as grounded both points but no volts, A/C switch when applied continuity the blower came on otherwise volts like .07 and start fuse shows drop volts as well. What are your thoughts on this? thanks
Jan 26, 2020 at 11:28 PM
Avatar
ASEMASTER6371
  • CERTIFIED EXPERT
  • 52,796 POSTS
The yellow wire is good. It should have a battery voltage in the start position only.

The red wire needs power to the fuses. If there is no power to the fuses, the red wire is open somewhere.

Roy
Jan 27, 2020 at 12:59 PM
Avatar
VICKY LAMPMAN
  • MEMBER
  • 29 POSTS
Hello, I might know something about electrical by time I am done here. So I found that I am chasing the pink wire seems to be the problem, it has battery voltage coming off ignition, but losing it somewhere before fuse panel. The blower, relays are all good, the pink wire to them has only .34 volts as does fuse panel am still following harness under driver side trying to find where volts change at. Before I keep going am wondering if it could be another component causing this to check, before I have wiring harness all apart. Is there another diagram maybe showing from fuse box connectors that might help. Thanks again
Feb 1, 2020 at 8:07 AM
Avatar
ASEMASTER6371
  • CERTIFIED EXPERT
  • 52,796 POSTS
The red wire is the one you need to chase.

Roy
Feb 1, 2020 at 11:48 AM
Avatar
VICKY LAMPMAN
  • MEMBER
  • 29 POSTS
Can you explain please? Additional information helpful.
the red seem fine. hmm
Feb 1, 2020 at 12:15 PM
Avatar
ASEMASTER6371
  • CERTIFIED EXPERT
  • 52,796 POSTS
Do you have power to the fuses? The fuses you do not have power are controlled by the red wire, not the pink.

Roy
Feb 1, 2020 at 12:20 PM
Avatar
VICKY LAMPMAN
  • MEMBER
  • 29 POSTS
When I back probe connector at ignition and connector to 10A a/con sw fuse they all check out fine except the pink one getting only .34 volts. And at the blower relay and blower motor the pink one also is only .34 volts. But fan blower starts when I apply power to the pink wire through fuse and at relay and blower.
Feb 1, 2020 at 1:21 PM
Avatar
ASEMASTER6371
  • CERTIFIED EXPERT
  • 52,796 POSTS
OK, then you also have an issue with that wire as well between the ignition switch and the fuse block.

Roy
Feb 1, 2020 at 1:25 PM
Avatar
VICKY LAMPMAN
  • MEMBER
  • 29 POSTS
Hi Roy, whoa I just found something I didn't before. I was tracing wires through harness that goes out to engine by firewall under dash and cleaning. Went back to check fuses and realized they all have correct voltage with negative battery cable off and when negative cable put back on is where A/C sw 10A fuse loses voltage, now that seems to be only fuse not getting enough to power is on my A/C system. the control panel lights and can move fan symbols and temperature work, just not coming on. thanks
Feb 2, 2020 at 11:05 AM
Avatar
ASEMASTER6371
  • CERTIFIED EXPERT
  • 52,796 POSTS
You cannot have power with the battery cable off. Please explain?

Roy
Feb 2, 2020 at 2:44 PM
Avatar
VICKY LAMPMAN
  • MEMBER
  • 29 POSTS
Hi sorry, I have battery connected I clamped power probe to battery terminals and check voltage A/C switch fuse still has low voltage. I take negative battery cable off check voltage and I get battery voltage at that fuse, when I put negative cable back on and voltage drops down again.
Feb 2, 2020 at 7:46 PM
Avatar
ASEMASTER6371
  • CERTIFIED EXPERT
  • 52,796 POSTS
I do not understand what you are doing.

You can't have any voltage when the battery cable is removed.

Roy
Feb 2, 2020 at 9:14 PM
Avatar
VICKY LAMPMAN
  • MEMBER
  • 29 POSTS
nevermind I caught what I was doing...
Feb 3, 2020 at 6:49 AM
Avatar
ASEMASTER6371
  • CERTIFIED EXPERT
  • 52,796 POSTS
Keep me updated.

Roy
Feb 3, 2020 at 7:11 AM