Will not start

2006 CADILLAC DEVILLE DTS
250,000 MILES
Avatar
LANDEN MEYER
  • MEMBER
  • 2 POSTS
Please help. I have the car listed above and recently it has developed a problem with starting. The key goes in and all the lights show up but the starter does not engage and the car doesn’t even try to start. I took it to a mechanic I trusted they charged me a whole $200.00 to change a simple starter relay when they told me they did the ignition switch (which they didn’t ) and it started but then just stopped working again and won’t start. It will start sometime if you play with the relays. Does anybody know what this is. I’m a broke young kid and I’m already out $300.00 on this simple problem I’m sure could have been fixed if the mechanic I took it to was honest. I cleaned off the ground wire and it started then shut it off and it wouldn’t start again. I got it to start with the key once by jiggling the fuse box so I thought it was a bad connection in the relay prongs but I was wrong there too. Does anybody have any suggestions on what I should do at this point? I can’t afford to have it sit in a shop for the next week while they fix a bunch of things that aren’t broken.
Jan 20, 2021 at 8:29 AM
Advertisement
Avatar
JACOBANDNICKOLAS
  • CERTIFIED EXPERT
  • 110,175 POSTS
Hi,

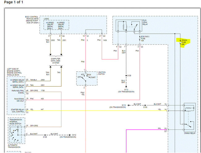
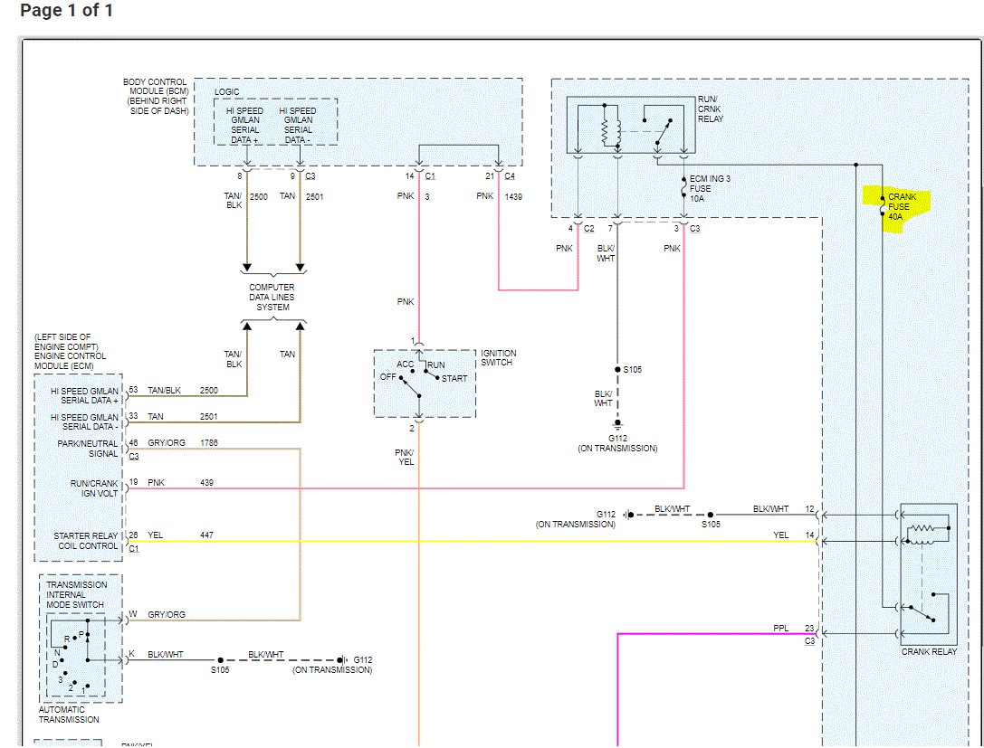
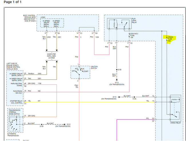
Does the starter engage when you try to start it? Are there any noises when it doesn't start? Did you check the crank fuse (see pic 1)?

https://www.2carpros.com/articles/how-to-check-a-car-fuse

Will it start if you place the transmission in neutral?

Here is a link that you may find helpful when checking a starter. This may be where we need to start to determine if power is getting to the starter.

https://www.2carpros.com/articles/starter-not-working-repair

Let me know what you find or if you have other questions.

Take care,
Joe

Jan 20, 2021 at 7:58 PM
Avatar
LANDEN MEYER
  • MEMBER
  • 2 POSTS
Hey Joe, so this morning it did start when I put it into neutral but the times before it hadn’t started when I did that. The mechanic told me that at times I was getting power from the ignition to the fuse box and just none from the relay to the starter. I took it to a guy who is really eager to figure the problem out. he is thinking it may be a ground wire that went bad.
Jan 20, 2021 at 8:22 PM
Advertisement
Avatar
JACOBANDNICKOLAS
  • CERTIFIED EXPERT
  • 110,175 POSTS
It could be a ground issue. It could even be the relay box. Let me know what he tells you or if you need help. I have a feeling he is on the right track.

Joe
Jan 20, 2021 at 8:40 PM