No crank no start issue

2010 DODGE CHALLENGER
125,000 MILES • 3.5L • 6 CYL • 2WD • AUTOMATIC
Avatar
MARLON 73
  • MEMBER
  • 1 POST
the car turns on the dash lights but the motor does not turn or run.
Aug 4, 2020 at 3:24 PM
Advertisement
Avatar
KASEKENNY
  • CERTIFIED EXPERT
  • 18,907 POSTS
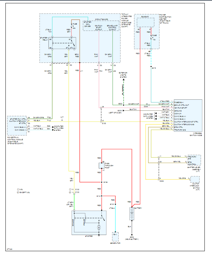
We need to start with going to the starter and checking power. Assuming we have no power on the control wire, we need to go back to the TIPM and check the relay. Remove the relay and jump 30 to 87 with the key on and see if the starter turns over. If it does then the relay is most likely the issue.

Let's start with that and go from there.
Aug 4, 2020 at 4:23 PM