The speedometer and odometer are not working?

2000 CHEVROLET 3500
136,625 MILES • 7.4L • V8 • 2WD • MANUAL
Avatar
LUIS SAENZ
  • MEMBER
  • 1 POST
My speedometer or odometer isn’t working, I tried changing the VAS on transmission and still didn’t get anything. Followed the cables to see what i could find but everything looked good. Switch my cluster to a working truck and it works fine with no problems, used that trucks cluster on mine and still had the same problem. Check all fuses and didn’t get nothing. Not pulling up any codes. Saw the video of the VSS buffer but i couldn’t find it behind the glove box, so was wondering if it even had one. The truck runs fine without it, doesn’t shut off or anything. Don’t know what i should do next and seeing if someone that has had this problem could help me out and what the next step is going to take.
Sep 21, 2023 at 9:25 PM
Advertisement
Avatar
JACOBANDNICKOLAS
  • CERTIFIED EXPERT
  • 110,175 POSTS
Hi,

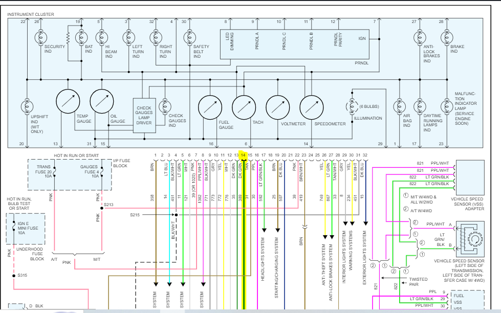
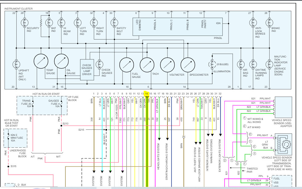
The Speedometer, grounded through the I/P Cluster ground circuit, receives its speed signal from the VCM through CKT 389 (DK GRN), which connects to the IP Cluster at pin 14. Check to make sure there is a voltage signal when the vehicle is moving.

I attached the wiring schematic below of the cluster so that you would have a reference. If you find no voltage at cluster pin 14, disconnect the VCM and the cluster connector and check for continuity on the dark green wire.

Also, confirm there are no connection issues at the VSS on the transmission.

Let me know what you find.

Take care,

joe

See pics below.
Sep 21, 2023 at 9:41 PM