the Injector Pulse was continuous and always flood the engine?

2000 INFINITI I30
75,000 MILES • 3.0L • V6 • 2WD • AUTOMATIC
Avatar
MALLYBOY
  • MEMBER
  • 327 POSTS
Overhauled this engine after severe overheating that blew the radiator and when I begin to crank, I notice that the ignition coil spark once and stopped whereas the Injector Pulse was continuous and always flood the engine. What could be the cause of this no spark on plug?
Nov 10, 2021 at 11:08 AM
Advertisement
Avatar
ASEMASTER6371
  • CERTIFIED EXPERT
  • 52,796 POSTS
Good afternoon,

Do you mean the injector pulse is not a pulse signal but a constant signal?

https://www.2carpros.com/articles/car-cranks-but-wont-start

Can you verify voltage to the ignition coil connector to verify battery voltage with the key on?

https://www.2carpros.com/articles/how-to-check-wiring

I attached a wiring diagram for you to view the coils.

Keep me updated with the results.

Roy
Nov 10, 2021 at 3:27 PM
Avatar
MALLYBOY
  • MEMBER
  • 327 POSTS
Do you mean the injector pulse is not a pulse signal but a constant signal? It is a pulse-signal.

Can you verify voltage to the ignition coil connector to verify battery voltage with the key on, I have checked it and its 12-volts, I also use test lamp and it illuminate brightly.
The issue of sparking once is where the problem is, if the spark would be continuous as the Injector Pulse, the vehicle will start.
Nov 11, 2021 at 1:47 AM
Advertisement
Avatar
ASEMASTER6371
  • CERTIFIED EXPERT
  • 52,796 POSTS
The injector signal is a pulse signal.

The ECM is what controls the spark based on conditions.

Make sure the crank sensor is connected and you have an RPM signal while cranking.

If you have that, it sounds like the ECM is a failure.

Roy
Nov 11, 2021 at 4:32 AM
Avatar
MALLYBOY
  • MEMBER
  • 327 POSTS
If there's no RPM signal while cranking, there will be no Injector Pulse signal.
Again, I want to first use another set of coils to check and if it did not solve it, I will now test the ECM by using test-lamp to probe terminal 1 and 3 of ignition coil connector and briefly crank the vehicle, if the test lamp did not blink, I will look for another ECM.
Nov 11, 2021 at 12:11 PM
Avatar
ASEMASTER6371
  • CERTIFIED EXPERT
  • 52,796 POSTS
That was the next step to verify the ECM is not firing the coils.

Roy
Nov 11, 2021 at 3:13 PM
Avatar
MALLYBOY
  • MEMBER
  • 327 POSTS
Thank you so far for your assistance.
I have replaced 6-coil packs and crank, then the spark blink twice and stopped. Next was to probe terminal 1 and 3 using test-lamp and illuminates while I briefly crank it, it was not blinking but remain steady.
Finally, I use multimeter set to voltage and I probe positive lead to terminal 1 of coil connector and negative lead to engine ground, unfortunately it did not read any voltage but infinite reading instead of giving me 0.5volts, I have removed the ECM for replacement.
Nov 12, 2021 at 2:51 PM
Avatar
ASEMASTER6371
  • CERTIFIED EXPERT
  • 52,796 POSTS
Keep me updated with the results.

Roy
Nov 13, 2021 at 7:42 AM
Avatar
MALLYBOY
  • MEMBER
  • 327 POSTS
Alright!
Nov 15, 2021 at 10:50 PM
Avatar
ASEMASTER6371
  • CERTIFIED EXPERT
  • 52,796 POSTS
We will be here if you have any other questions.

Roy
Nov 16, 2021 at 12:47 PM
Avatar
MALLYBOY
  • MEMBER
  • 327 POSTS
Yes! Thank you once again. I have succeeded to get another two ECMs but unfortunately it was doing the same thing of no spark on plug. Now i think of replacing the crankshaft position and reference sensor, if that didn't solve it, i will go back to recheck the timing,
Nov 16, 2021 at 5:59 PM
Avatar
ASEMASTER6371
  • CERTIFIED EXPERT
  • 52,796 POSTS
If it were timing, it would show low compression. Even if it were timing, you would still have sparked all the time.

https://www.2carpros.com/articles/crankshaft-angle-sensor-replacement

I attached the location of the sensor for you.

Roy
Nov 17, 2021 at 6:15 AM
Avatar
MALLYBOY
  • MEMBER
  • 327 POSTS
Even if it was timing, you would still have sparked all the time. Yes, you are correct, it is true.
From your own reasoning, what do you think that can cause this issue of No spark?
Nov 17, 2021 at 1:09 PM
Avatar
ASEMASTER6371
  • CERTIFIED EXPERT
  • 52,796 POSTS
Do you have an RPM reading on the tachometer while cranking? That will tell you if the crank sensor is working.

Beyond that, we are talking about the ECM.

Roy
Nov 17, 2021 at 3:54 PM
Avatar
MALLYBOY
  • MEMBER
  • 327 POSTS
Do you have an RPM reading on the tachometer while cranking? That will tell you if the crank sensor is working. Yes I used my scanner (BlueDriver) to check it while cranking and it read from 0-112RPM, showing that the sensors are good.
Nov 18, 2021 at 1:56 PM
Avatar
ASEMASTER6371
  • CERTIFIED EXPERT
  • 52,796 POSTS
Then this sounds like you have a failed ECM. It controls the spark based on the input from the crank sensor.

Roy
Nov 19, 2021 at 6:06 AM
Avatar
MALLYBOY
  • MEMBER
  • 327 POSTS
Hello!
Good evening,
I am back to update you on how far I had gone with the vehicle. I brought 3-ECM and programmed it, and it was still doing the same. Then I put back the ECM of the vehicle and programmed it back. Then I scanned it and it was giving out these codes P0115-Engine coolant sensor and P1611-Start permission code error. So, what will I do to solve the situation?
Jan 28, 2022 at 9:28 AM
Avatar
JACOBANDNICKOLAS
  • CERTIFIED EXPERT
  • 110,175 POSTS
Hi,

The issue is likely because the new ECM hasn't been fully initialized with the security system. Only IVIS (NATS) ignition keys with ID numbers that have been registered into the ECM and the IMMU allow the engine to run.

The idea that you replaced the ECM indicates it needed to be initialized. Have you performed initialization with CONSULT-II or equal and re-register all IVIS (NATS) ignition key IDs? That is what the P1611 indicates and is preventing the vehicle from starting, but I don't know if you have the tooling.

Let's see what Roy indicates as well, but I believe there is no way to relearn the key codes without dealer tools.

Let us know.
Jan 30, 2022 at 8:03 PM
Avatar
MALLYBOY
  • MEMBER
  • 327 POSTS
Hi,

Longest time!
I had used several ECM on the vehicle but still doing that same, i had used several scanners to diagnose the vehicle to see if I will get fault code relating to this problem but I didn't get any fault code. Is there a circuit that's short causing the spark to cease?
Jul 12, 2022 at 6:57 AM
Avatar
JACOBANDNICKOLAS
  • CERTIFIED EXPERT
  • 110,175 POSTS
Hi,

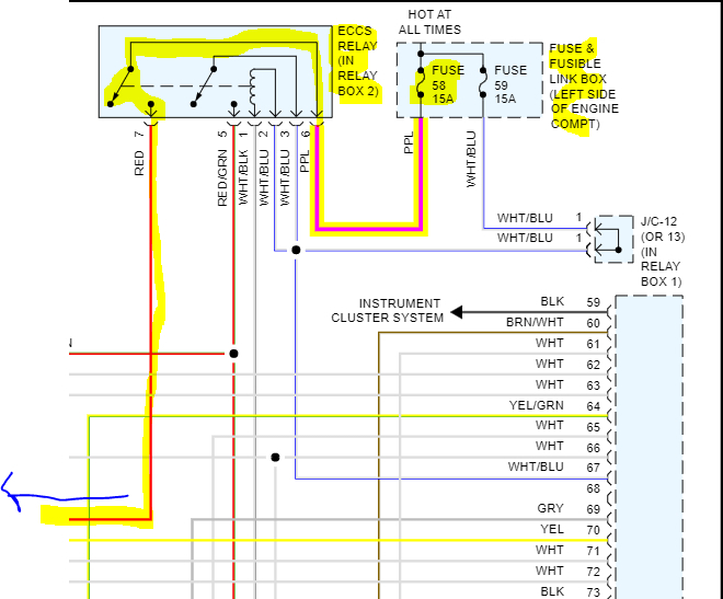
The coils all receive power from the ECCS relay, which in turn gets power to the secondary side of the relay from fuse 58. If you look at each coil, you will see a red wire. Those are the power supply. At the cylinder 3 coil, there is a splice which is what sends power to all the coils. With the key on, check for power at each of the coils' red wires.

So, if fuse 58 is faulty, that would prevent it. Also, a faulty ECCS relay can cause the issue. Or the primary side of the relay may not have power or ground. Power to the primary side is from the PCM. Once that power is sent and the ground is provided, the primary side of the relay's electromagnetic coil causes the secondary side to close and send power to the coils. Once the key is on, each coil should have 12v at the red wire. From that point, the ECM provides a ground path to each coil at specific times for fire the spark plug.

If you haven't already, check the fuse and relay I mentioned. If you have and both are good, use a test light to confirm power to and from fuse 58. If that is good, remove the ECCS relay. With the key on, two of the pins will have power. Confirm that for me. If they do, then check the relay itself.

Here is a link that explains how to check for power at the fuse and how to check a relay:

https://www.2carpros.com/articles/how-to-check-a-car-fuse

https://www.2carpros.com/articles/how-to-check-an-electrical-relay-and-wiring-control-circuit

Note: fuse 58 is in the under-hood fuse box on the left side of the engine compartment. The ECCS relay is in relay box 2. See pic 3 for location and pics 1 and 2 for schematic.

Let me know what you find.

Take care,

joe

See pics below.
Jul 12, 2022 at 6:47 PM
Avatar
MALLYBOY
  • MEMBER
  • 327 POSTS
Note: fuse 58 is in the under-hood fuse box on the left side of the engine compartment. The ECCS relay is in relay box 2. See pic 3 for location and pics 1 and 2 for schematic.
I have checked the fuses, it all has power and I re-diagnosed it, it was showing 00: initial start, I have check the fault code on Alldata but I didn't see it. what could this mean?
Sep 12, 2022 at 10:47 AM
Avatar
JACOBANDNICKOLAS
  • CERTIFIED EXPERT
  • 110,175 POSTS
Hi,

What is being used to retrieve diagnostic trouble codes? What you indicated, 00, isn't a code. Are you sure there weren't any other numbers after 00?

Joe
Sep 12, 2022 at 6:42 PM
Avatar
MALLYBOY
  • MEMBER
  • 327 POSTS
That was just it, no other number added.
Sep 13, 2022 at 11:16 AM
Avatar
JACOBANDNICKOLAS
  • CERTIFIED EXPERT
  • 110,175 POSTS
Hi,

I'm not sure what to say about the 00. It isn't a functional code. I'm going to ask the site owner and get his thoughts. Hopefully, he will have something different for us.

Hang in there.

Joe
Sep 13, 2022 at 7:20 PM
Avatar
STRAILER
  • CERTIFIED EXPERT
  • 53,854 POSTS
So, what happens is when an ignition coil or injector shorts out it will cause the drivers inside the PCM to turn full on, disconnect all coils and injectors and plug them in one at a time to find the shorted coil or injector, let me know.
Sep 13, 2022 at 7:52 PM
Avatar
MALLYBOY
  • MEMBER
  • 327 POSTS
disconnect all coils and injectors and plug them in one at a time to find the shorted coil or injector, I have done it by unplugging all coils and plug them one after the other and crank but spark didn't come at all, I diagnose and detect P1614, I erased it and crank like 5times but it didn't come back, am I sure if it is not the immobilizer or the ASCD module causing the spark ceased since I have used 2 different ECM to check and it didn't solve it?
Nov 23, 2022 at 12:59 AM
Avatar
STRAILER
  • CERTIFIED EXPERT
  • 53,854 POSTS
The code P1614 is for the immobilizer which prevents the engine from running unless the correct key is present. Do you have the correct key?
Nov 25, 2022 at 9:08 AM
Avatar
MALLYBOY
  • MEMBER
  • 327 POSTS
Where's Body Control Module of this vehicle located?
I brought another immobilizer and plugged it and i wanted to initialize it and it was saying "initialization failed" then i put back the old immobilizer and it was not recognize again by the control unit i.e the security indicator was no longer blinking or coming on when you turn ignition but if you put the new one, it will blink and if you turn ignition on, it will be steady. For this reason i want to change the BCM.
Dec 7, 2022 at 7:16 PM
Avatar
JACOBANDNICKOLAS
  • CERTIFIED EXPERT
  • 110,175 POSTS
Hi,

I believe they call it a Smart Entrance Module or controller. It is under the center of the dash. If you look at pic 1, it shows the items it controls and pic 2 shows the location.

If you are trying to look up the body control module, you won't find it on this vehicle.

Let me know if this helps.

Joe

See pics below.
Dec 8, 2022 at 6:10 PM
Avatar
MALLYBOY
  • MEMBER
  • 327 POSTS
Hi!

Thank you very much for the information. I saw the smart entrance module to be the BCM from Mitchell on demand diagram.
So now i brought two used smart entrance modules and two immobilizers and i want to initialize them to the key and ECM to see if that will solve the problem of no spark on plug.
Dec 10, 2022 at 10:55 PM
Avatar
JACOBANDNICKOLAS
  • CERTIFIED EXPERT
  • 110,175 POSTS
Hi,

Sounds good and thank you for the update. If you have a chance, let me know how things turn out for you.

Take care,

Joe
Dec 11, 2022 at 6:20 PM
Avatar
MALLYBOY
  • MEMBER
  • 327 POSTS
Hi!
So far, so good, i have replaced the 2 smart entrance but the 2 immobilizer was unable to programmed so i put the old smart entrance module and another immobilizer and it programmed, the key light turn off and when i cranked, the plug spark once and ceased but there's another thing i observed, if you turn on ignition, a heavy spark would be seen on the side of starter motor.
Dec 22, 2022 at 6:59 PM
Avatar
JACOBANDNICKOLAS
  • CERTIFIED EXPERT
  • 110,175 POSTS
Hi,

When you turn the key on or when you turn it to the start position? Also, if there is a large spark, there is a short, a broken wire, or something has rubbed through a wire's insulation. Check the area where you see the spark and let me know if you find the cause.

Take care and I wish you a Merry Christmas.

Joe
Dec 22, 2022 at 10:32 PM
Avatar
MALLYBOY
  • MEMBER
  • 327 POSTS
Finally, so far so good! I have come to tell you that I have solved that problem of sparking once on plug and cease. The flex plate was bent and I replaced it and also engine pulley was bent too, then the signal reluctor on it was out of alignment, then I used hammer to strike it back to position and I tightened it back.
Then crank once and the vehicle started.
Jun 27, 2023 at 10:29 PM
Avatar
STRAILER
  • CERTIFIED EXPERT
  • 53,854 POSTS
Thanks for letting us know, we are here to help, please use 2CarPros anytime. JACOBANDNICKOLAS is one of our best!
Jun 28, 2023 at 12:21 PM