New engine and there is no spark from coil, no start

1999 CHEVROLET TAHOE
220,000 MILES • 5.7L • V8 • 4WD • AUTOMATIC
Avatar
RICHARD CHASTAIN
  • MEMBER
  • 1 POST
New engine install; no spark from coil. all coils test out well, crank sensor test out well. everything works on car was driven into the garage. nothing worse with new engine.
Feb 17, 2021 at 6:41 AM
Advertisement
Avatar
JACOBANDNICKOLAS
  • CERTIFIED EXPERT
  • 110,175 POSTS
Hi,

The first thing that comes to mind when you say the engine is new, is a ground for the coil. Take a look at pic 1. The ground for the coil driver is on the right rear cylinder head. Check that and see if you have a good ground. Here is a link you may find helpful:

https://www.2carpros.com/articles/how-to-check-wiring

Let me know what you find or if you have other questions.

Take care and God Bless,

Joe
Feb 17, 2021 at 6:47 PM
Avatar
RICHARD CHASTAIN
  • MEMBER
  • 1 POST
that got it. thanks guys, you're awesome.
Feb 19, 2021 at 1:57 PM
Advertisement
Avatar
  • MEMBER
  • 6 POSTS
When it rains heavily my 99 tahoe won't start. I checked today and am not getting a spark. I have put in a new: distributor cap, rotor, plugs, wires 3-4 years ago(they look ok). Where do I look next? Only when it rains do I have this problem?
Feb 19, 2021 at 2:00 PM (Merged)
Avatar
DOCFIXIT
  • CERTIFIED EXPERT
  • 18,828 POSTS
Pull coil wire see if spark is present. Fuel pump stay running?
Feb 19, 2021 at 2:00 PM (Merged)
Avatar
  • MEMBER
  • 6 POSTS
Yes,
I got a strong spark from the coil.
Feb 19, 2021 at 2:00 PM (Merged)
Avatar
  • MEMBER
  • 6 POSTS
The fuel pump comes on when I put the key in the on position and then shuts off. It sounds like it always has. I checked my fuel pressure and had 65lbs.
Feb 19, 2021 at 2:00 PM (Merged)
Avatar
DOCFIXIT
  • CERTIFIED EXPERT
  • 18,828 POSTS
Let's try an experiment on a non rain day truck starting good spray water on the Cranksensor see diagram


https://www.2carpros.com/forum/automotive_pictures/198357_Graphic_399.jpg

. if good spray around DIST and coil see if you can make it fail then we'll no what to fix.
Feb 19, 2021 at 2:00 PM (Merged)
Avatar
MARTINEZ 28
  • MEMBER
  • 1 POST
No spark at the plugs?
Mar 8, 2021 at 6:12 PM (Merged)
Avatar
JOHNNYT73
  • CERTIFIED EXPERT
  • 924 POSTS
This sounds like a classic crankshaft angle sensor here is a guide to help you get back on the road.

https://www.2carpros.com/articles/crankshaft-angle-sensor-replacement

Please let us know what you find.

Cheers

Mar 8, 2021 at 6:12 PM (Merged)
Avatar
MARTINEZ 28
  • MEMBER
  • 1 POST
Worked thanks!
Mar 8, 2021 at 6:12 PM (Merged)
Avatar
BGBDWOLF
  • MEMBER
  • 13 POSTS
Car will not start. I got it in non-running condition. There is no spark from the distributor or coil. What coild be the most likely cause?
Mar 8, 2021 at 6:12 PM (Merged)
Avatar
HMAC300
  • CERTIFIED EXPERT
  • 48,601 POSTS
check fuses underhood, crank and cam sensors and scan for codes. see if coil puts out to dist if it does may be rotor/cap problem.
Mar 8, 2021 at 6:12 PM (Merged)
Avatar
HMAC300
  • CERTIFIED EXPERT
  • 48,601 POSTS
also see if play in rotor if there is pull dist out and see if gear is torn up if it is replace dist.
Mar 8, 2021 at 6:12 PM (Merged)
Avatar
BGBDWOLF
  • MEMBER
  • 13 POSTS
Checked all the fuses and relays. Have power to the coil but none going to the distributer. Checked the Cam sensor and it tested ok. Has new cap, rotor, plugs and wires.
Mar 8, 2021 at 6:12 PM (Merged)
Avatar
HMAC300
  • CERTIFIED EXPERT
  • 48,601 POSTS
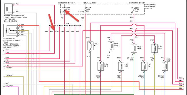
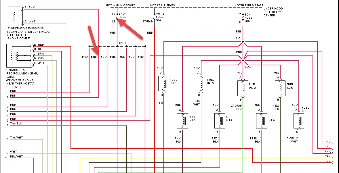
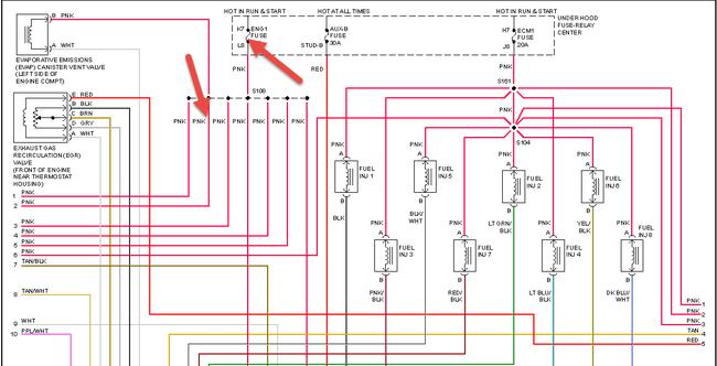
check where I've pointed to in pic see if pink wire leading to dist has power. if not check fuse 1 in underhood box and then see if it has power coming out of box it may be a poor connection in fuse box that powers the cam sensor in dist so car wold not run with no power to it. no codes I take it?.
Mar 8, 2021 at 6:12 PM (Merged)
Avatar
BGBDWOLF
  • MEMBER
  • 13 POSTS
I checked the wiring going to the coil and I have power going to the coil but none coming out. I bought a CP9125 OBD2 pocket scanner and it gave no codes. I checked the cam position sensor with the ohm setting on my voltage tester and it tested ok.
Mar 8, 2021 at 6:12 PM (Merged)
Avatar
BGBDWOLF
  • MEMBER
  • 13 POSTS
I checked the pink wire going to the cam positioning sensor and I have 11.5 volts
Mar 8, 2021 at 6:12 PM (Merged)
Avatar
HMAC300
  • CERTIFIED EXPERT
  • 48,601 POSTS
is the coil putting any spark out at all? also have your ignition control module checked autoparts can do t hat. it's on right side rear of engine by coil. also check your crank sensor as those are the tow biggies for no starts and runs. you might try pulling crank sensor out and cleaning it sometimes that does it. also check coolant sensor should have 5640 ohms at 50 degrees an d177 at 212 will be more the colder it is. Otherwise I dont' know what to tellyou.
Mar 8, 2021 at 6:12 PM (Merged)
Avatar
BGBDWOLF
  • MEMBER
  • 13 POSTS
Tried checking the coil for spark by using the ol screwdriver trick and got no spark at all. Going to try replacing the coil and having the ignition controle module tested. Thanks for all your help so far. Atleast I know I am working in the right area to try and solve the problem.
Mar 8, 2021 at 6:12 PM (Merged)
Avatar
HMAC300
  • CERTIFIED EXPERT
  • 48,601 POSTS
primary should be .1 ohms and secondary shold be 5000-25000 ohms.
Mar 8, 2021 at 6:12 PM (Merged)
Avatar
KENNETH1083
  • MEMBER
  • 2 POSTS
I have no spark at all but will turn over. Found burnt mark on theft deterrent module. Want second opinion that this is the problem and a bad module.
Mar 8, 2021 at 6:12 PM (Merged)
Avatar
DANNY L
  • CERTIFIED EXPERT
  • 5,648 POSTS
Hello, I'm Danny.

Can you use your cell phone and take a picture of the damage and upload here? That will give us a better understanding.Thanks for using 2CarPros.
Mar 8, 2021 at 6:12 PM (Merged)
Avatar
KENNETH1083
  • MEMBER
  • 2 POSTS
This is the module. We have gone over everything and replace about everything. To my understanding. This could be the problem with no fire at all. Because if this board is bad it's not communicating with the computer to tell it . That this truck is not being stolen and go ahead and function normally to start.
Mar 8, 2021 at 6:12 PM (Merged)
Avatar
DANNY L
  • CERTIFIED EXPERT
  • 5,648 POSTS
Hello again.

The theft deterrent system is a sub system of the BCM (body control module)
I've attached a few pictures below.Have you tested the BCM for this?

Also, here is an an anti-theft reset tutorial:

https://www.2carpros.com/articles/how-to-reset-a-security-system

Scroll the page after reading to find Chevrolet.Hope this helps and thanks again for using 2CarPros.
Danny-
Mar 8, 2021 at 6:12 PM (Merged)
Avatar
MARVN610
  • MEMBER
  • 3 POSTS
Recently it started shutting off while driving or sometimes it will not even start. I have changed the distributor cap, rotor, spark plugs, spark plug wires, ignition coil, module control, pickup coil and it still is doing the same thing. Recently it shut off on me and it would not start all. I check there is no spark.
Mar 8, 2021 at 6:13 PM (Merged)
Avatar
2CARPRO JACK
  • CERTIFIED EXPERT
  • 11,533 POSTS
Is this a TBI or CPI engine...95 can go either way. Is the check engine light on? If so need to scan it, if it is a CPI it could have a bad crank angle sensor which keeps the PCM from seeing the engine turning.
Mar 8, 2021 at 6:13 PM (Merged)
Avatar
MARVN610
  • MEMBER
  • 3 POSTS
The truck is TBI. The Check engine soon lights comes on and turns off. When it stalled and didn't start up again the Check engine light was off.
Mar 8, 2021 at 6:13 PM (Merged)
Avatar
2CARPRO JACK
  • CERTIFIED EXPERT
  • 11,533 POSTS
When it is dead (Wont start) check for power at the coil to see if it getting any.
Mar 8, 2021 at 6:13 PM (Merged)
Avatar
TOSEVSKI79
  • MEMBER
  • 4 POSTS
yep, same problem here down under.

no spark.... now comes the process of long elimination................


[quote:8b171c56c6="2CarPro Jack"]When it is dead (Wont start) check for power at the coil to see if it getting any.[/quote:8b171c56c6]
Mar 8, 2021 at 6:13 PM (Merged)
Avatar
MARVN610
  • MEMBER
  • 3 POSTS
I had my truck get a diagnostic run on it and it came back with the ECU is NO good. There is no signal coming from it. The guy said it was going to run me approximately $200.00 to get my ECU rebuilt.
Mar 8, 2021 at 6:13 PM (Merged)
Avatar
2CARPRO JACK
  • CERTIFIED EXPERT
  • 11,533 POSTS
They do go bad, toss it in his lap, if it doesnt fix it , then he misdiagnosed it and can keep on trying
Mar 8, 2021 at 6:13 PM (Merged)
Avatar
TOSEVSKI79
  • MEMBER
  • 4 POSTS
yep same problem, changed crank sensor, distributor, dis.cap, rotor button, pcm, ignition module, coil, leads, plugs. Had to get a rebuilt PCM for $210.00 all fixed.
Mar 8, 2021 at 6:13 PM (Merged)
Avatar
SETHRH
  • MEMBER
  • 1 POST
i was driveing my Tahoe Home from work two days ago got about a quarter of the way home when it suddenly died at 55mph.I put it in neutral while coasting cranked it and it fire back up while doing about 40mph, I got just about to my House still on the Highway and it died again i was able to coast into the store gas station parking lot less than a mile from my House.. Made a Phone call to Get a ride to my house, while waiting about 5 mins i cranked over the engine Truck fired up and was idleing in for a short period of time, I then put it in reverse to drive it Home and as soon as i put it in reverse it died, cranked it again nothing,Got a jump start Cranked good but would not Fire. Towed it to my house,I assumed the Fuel pump went out and replaced the whole fuel pump moduel and inline Fuel filter with Brand New,also put in a Brand new fuel pump Relay. Cranked it still would not fire not even with a shot of starting Fluid. Checked spark im getting no spark. Pulled ignition control module from behind distributor,napa tested it 4 times and it worked Fine,bought a cao and Rotor and installed. Still cranks but no spark. Not sure how to go about fixing
Mar 8, 2021 at 6:13 PM (Merged)
Avatar
CARADIODOC
  • CERTIFIED EXPERT
  • 34,306 POSTS
This is how the crankshaft position sensor commonly fails. It becomes heat-sensitive, fails, leading to engine stalling, then it works again when it cools down for an hour.
Mar 8, 2021 at 6:13 PM (Merged)