No spark again

1994 DODGE VAN
171,000 MILES • 3.9L • V6 • 2WD • AUTOMATIC
Avatar
RICKEY BOLTON
  • MEMBER
  • 1 POST
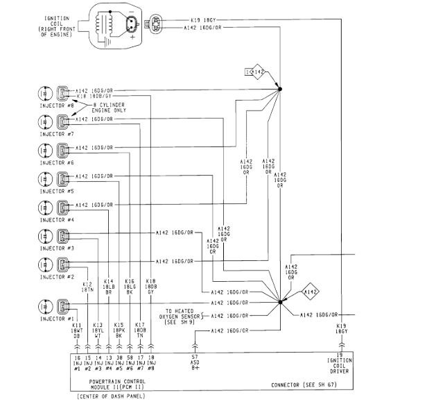
After replacing the PCM because it was wet and smoking/replaced auto shut down and fuel pump relay, the van fired right. Taney line was leaking so I move it over to the gorge. Fixed it And here we go again turns over, fuel pump working. Fuel to the rail no spark. I have power to the coil, disturber and crankshaft position sensor. But no spark auto shut down and fuel pump relay not working now, and is is not a fuse. Replaced them again. PCM go out again. You cannot pull up any codes. I have read everyone else's problems and double check every thing again. Did I not give the PCM time to read everything twenty minutes tops run time? Thank you, Rex
Nov 10, 2018 at 10:50 AM
Advertisement
Avatar
ASEMASTER6371
  • CERTIFIED EXPERT
  • 52,796 POSTS
Good afternoon.

Do you have a test light to do a check?

If you have fuel, then the ASD relay is working. Also, if you have power to the coil, then it is providing power.

Check the gray wire in the coil connector for power with the key on. Back probe it connected to the coil.

Roy
Nov 10, 2018 at 1:37 PM