no spark, I recently changed the timing and the oil pump?

2005 JEEP GRAND CHEROKEE
214,000 MILES • 4.7L • V8 • 4WD • AUTOMATIC
Avatar
BILLY WEBSTER
  • MEMBER
  • 31 POSTS
I recently changed the timing and the oil pump and when I got it all back together it won't start. it cranks but no start. I changed the crank and camshaft positioning sensors and checked them to make sure that are getting power from the PCM and that was good. I checked the coils, and they seem fine. checked for spark and got nothing. I should mention that the relays for the electric fan and running lights I have pulled because they run continuously if i connect them. I'm not sure if that's related but I was planning on addressing that after I got it running. And no communication to the code reader as well.
May 21, 2023 at 10:43 PM
Advertisement
Avatar
STRAILER
  • CERTIFIED EXPERT
  • 53,854 POSTS
I would start by checking all fuses with the key on here is a guide that will help, and I have included the fuses' locations. Also recheck the grounds to the engine block you might have to take it off while doing the job.

https://www.2carpros.com/articles/how-to-check-a-car-fuse

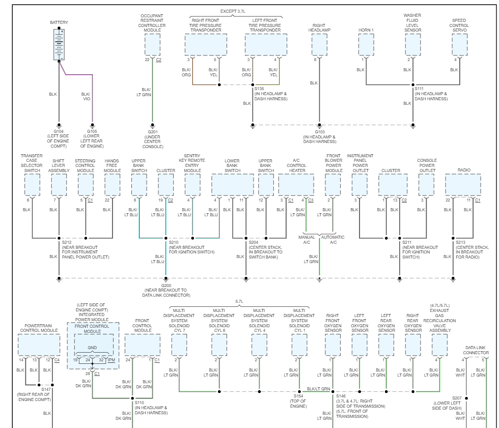
Check out the images (below). Please let us know what happens.
May 22, 2023 at 11:30 AM
Avatar
BILLY WEBSTER
  • MEMBER
  • 31 POSTS
I have gone over the fuses endless times this time was the same. All good. If you have a ground location doc. It would be greatly appreciated I can't find one anywhere and it's been a couple months from when I started this so I'm not confident i remember where they all are. Thanks you for any help btw.
May 22, 2023 at 11:40 PM
Advertisement
Avatar
STRAILER
  • CERTIFIED EXPERT
  • 53,854 POSTS
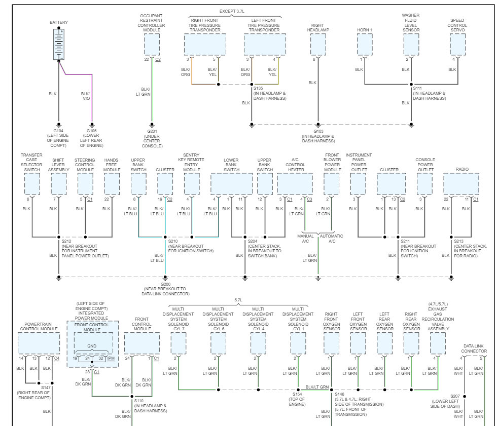
Sure, here are the ground locations of the PCM etc. Check out the images (below). Please let us know what you find.
May 23, 2023 at 1:37 PM
Avatar
BILLY WEBSTER
  • MEMBER
  • 31 POSTS
I appreciate the diagrams but so far, I haven't found anything. Well, my fcm fuse was blown but I replaced it to no avail. I was thinking it could be the skim but I don't get any light on my dashboard. any advice on where I should proceed? You mentioned checking the engine block grounds and that I may have to remove it to do this. What did you mean by that? remove the engine block?
May 27, 2023 at 3:57 PM
Avatar
JACOBANDNICKOLAS
  • CERTIFIED EXPERT
  • 110,175 POSTS
Hi,

At each ignition coil, there will be a red wire with a tan tracer. Those wires provide power to the coils via fuse 16 in the power distribution box under the hood. Fuse 16 will only receive power when the automatic shutdown relay (ASD) is actuated. Have you checked the ASD? The ASD is also in the power distribution box and powered by fuse 6 (50amp).

If you have checked the ASD and all fuses, go to the injectors. With the key in the run position, see if the red/tan wires at the coils are getting power. If they are, then we need to check for a ground path from the PCM.

The opposite wire than the red/tan at each injector provides a ground. With the connector disconnected, take a test lamp and connect the alligator clip to the battery positive and probe the ground wire with the test lamp. Have a helper crank the engine. When cranking, the light should strobe on and off.

Let us know if that happens.

Take care,

Joe

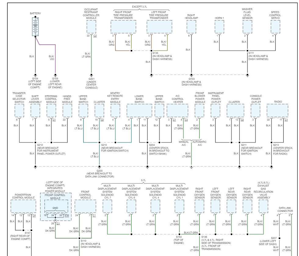
See pics below.
May 29, 2023 at 9:06 PM
Avatar
BILLY WEBSTER
  • MEMBER
  • 31 POSTS
well I noticed right away that the 50-amp fuse was switched with a 30 amp from slot 11 and I switched them back. the fuse for the coils is getting power. When I checked the coils themselves, I got different weak readings from one to the next, but I noticed my battery had drained. I'm not sure if I mentioned that I have relay #11 and #25 pulled in the integrated power fuse box because they are stuck on constantly when connected. The running lights and electric fan both stay on if connected. I just charged my battery, and had it disconnected so it was charged when I connected it. The battery drained within 45 minutes to where it will hardly crank... I'm not very electrical wise so I'm really lost now.
May 30, 2023 at 5:19 PM
Avatar
BILLY WEBSTER
  • MEMBER
  • 31 POSTS
the battery is brand new also I got it a couple weeks ago.
May 30, 2023 at 5:20 PM
Avatar
JACOBANDNICKOLAS
  • CERTIFIED EXPERT
  • 110,175 POSTS
With the battery recharged, are you getting the correct voltage at the coils? Also, if you need to remove two relays, it sounds like the issue may be at the power distribution module under the hood. It sounds like it could be a short to ground causing the relays to stay on and causing the battery to drain.

Here are directions that explain how to locate what is causing the draw. I will also attach a link below that includes a video and other checks.

You'll need a digital multimeter (DMM) capable of measuring amperage, a wrench or socket set for battery removal, and a notepad to record your findings.

Ensure that all lights, accessories, and electrical devices are turned off. Make sure the trunk and glove box are closed properly. Sometimes, a simple oversight can cause an unnecessary power drain.

Use the appropriate tool to disconnect the negative terminal of the car's battery. Be cautious and avoid contact between the negative terminal and any metal parts of the car.

Switch the DMM to measure DC amps (usually labeled as "A" with a straight line or dotted line above it). Connect the DMM in series between the negative battery terminal and the negative battery cable. This will allow you to measure the current flowing through the circuit.

After connecting the DMM, observe the current reading. Initially, it's normal to have a small amount of current (usually a few milliamperes) due to systems like the clock and security systems.

Many cars have modules and systems that remain active even after the ignition is turned off. Wait for approximately 15-30 minutes, or consult your vehicle's manual, to ensure the car has entered sleep mode.

While still connected in series, monitor the current reading on the multimeter. If the reading is significantly higher than the normal parasitic draw (usually more than 50 milliamperes), there might be a problem.

Begin by removing one fuse at a time from the fuse box. As you remove each fuse, observe if the current draw drops significantly. Note down which fuse corresponds to the reduction in the current draw.

Once you notice a drop in the current reading after removing a particular fuse, you have likely identified the circuit causing the parasitic draw. Check your vehicle's manual to determine what components are powered by that circuit.

Focus your attention on the components associated with the circuit you identified. Inspect wiring, connectors, and any aftermarket installations for signs of damage, corrosion, or improper connections.

Here is a link you may find helpful:

https://www.2carpros.com/articles/car-battery-dead-overnight

Let me know. I have a feeling if we find the draw, we will have found the ignition issue as well.

Take care,

Joe
May 31, 2023 at 8:46 PM