No spark

1999 JEEP GRAND CHEROKEE
270,000 MILES • 4.0L • 6 CYL • 4WD
Avatar
FRANK LEUALLEN
  • MEMBER
  • 1 POST
Turns over but no spark. replaced coil pack and crankshaft sensor, but still no spark.
Jun 17, 2017 at 5:05 AM
Advertisement
Avatar
STRAILER
  • CERTIFIED EXPERT
  • 53,854 POSTS
Hello,

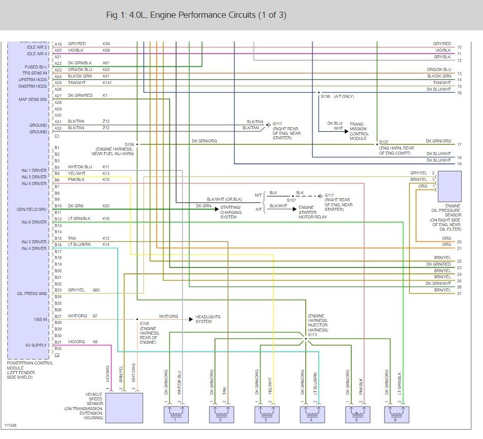
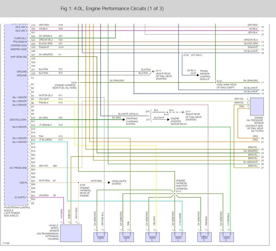
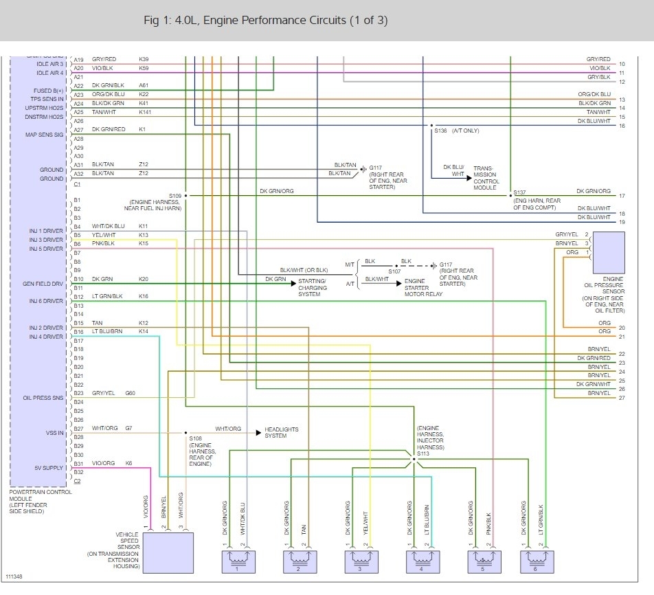
It sounds like you have an ASD relay that is not working. Here is some wiring diagrams (below) and a guide to help you do some testing, Also there are fuses that run the system as well.

https://www.2carpros.com/articles/how-to-check-a-car-fuse

and

https://www.2carpros.com/articles/how-to-use-a-test-light-circuit-tester

and

https://www.2carpros.com/articles/car-cranks-but-wont-start


Please let us know what happens, we are interested to see what it is.

Cheers, Ken

Jun 19, 2017 at 11:10 AM