Hi,
As far as the coil, absolutely it could have been bad. We are getting so many bad "new" parts. Did you check if there was power to it when the key was in the run position?
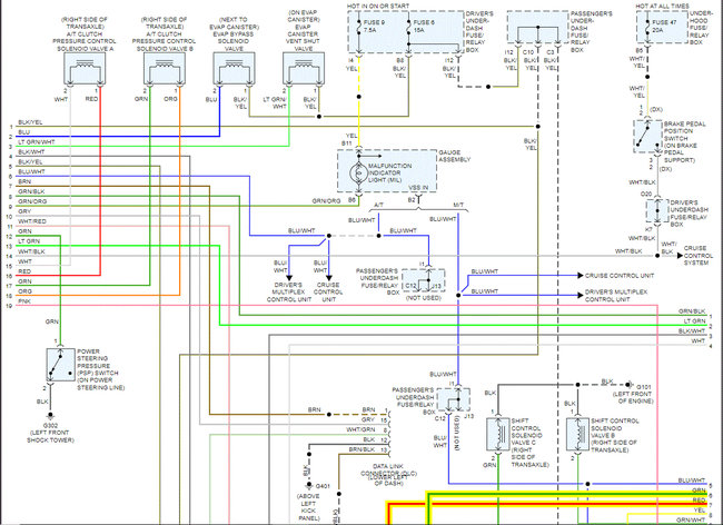
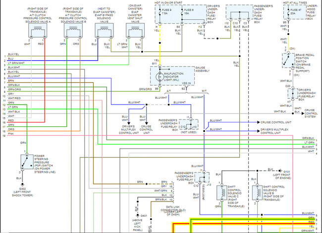
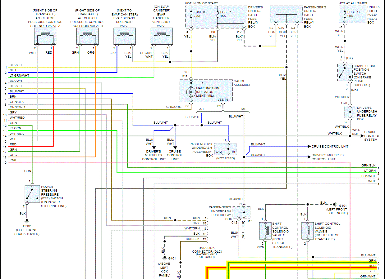
I attached the entire wiring schematic below for the powertrain management system. I highlighted all wires for the CKP/TDC sensor.
The CKP sensor determines fuel injection timing and ignition timing for each cylinder and also detects engine speed. The TDC sensor determines ignition timing at start-up and when the crankshaft position signal is abnormal.
Take a look through the schematics below. I noticed there is no indication of ground. Usually, there is a low reference that functions as a ground, but it's not showing that.
Do me a favor. Remove the distributor cap and confirm there is power to the positive side of the coil with the key in the run position. Next, check if the coil is providing spark. If it does, then there is a problem either with the cap and rotor or the rotor isn't turning.
If there is no spark from the coil, I want you to take a test light and provide a good ground on the one end and place the light on the negative side of the coil and have someone crank the engine for you. Your test light should flash if the ignitor is good.
If the test light doesn't blink/flash, the ignitor is bad and needs to be replaced. If it does flash and we have no spark from the coil, the coil is bad.
Try this and let me know what you find or if you have other questions.
Take care,
Joe
See pics below. Note: I had to cut each pic in half to make them readable for you. I did overlap them so you can follow from one to the next.
Images (Click to enlarge)
Jul 28, 2021 at 8:06 PM