No spark

1999 VOLKSWAGEN CABRIO
100,000 MILES • 2.4L • 4 CYL • 2WD • AUTOMATIC
Avatar
COOPSSPEED
  • MEMBER
  • 1 POST
Hello, I have a no spark situation, all components have been changed by a previous mechanic. I have checked the center wire to ground and have 1.7 volts ac. Is this enough to start? Would the security system prevent start? won't spark at all. The crank position sensor is a three wire type.
Apr 20, 2021 at 5:47 AM
Advertisement
Avatar
KASEKENNY
  • CERTIFIED EXPERT
  • 18,907 POSTS
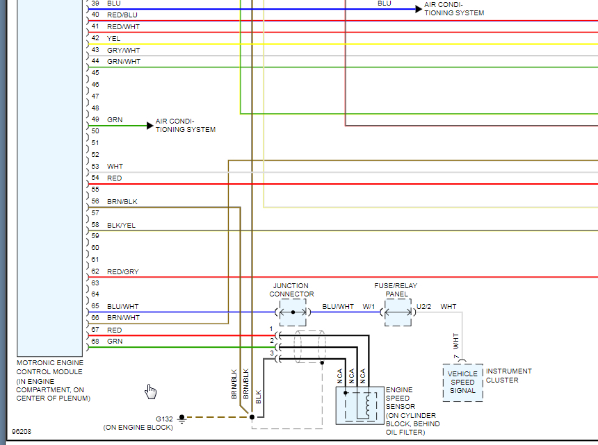
Just to be clear, you have 1.7 volts on the center wire to ground on the crank sensor? Diagram below.

If that is the case then that would be fine because this is a 5 volt reference wire where the ECM sees the increase and decrease in voltage to know what the engine position is. Basically the rise and fall of the tone wheel.

https://www.2carpros.com/articles/symptoms-of-a-bad-crankshaft-sensor

Is the theft light on? If so that is going to prevent spark.

Do you have any codes?

https://www.2carpros.com/articles/checking-a-service-engine-soon-or-check-engine-light-on-or-flashing

Let's start with this and go from there.
Apr 21, 2021 at 4:40 PM