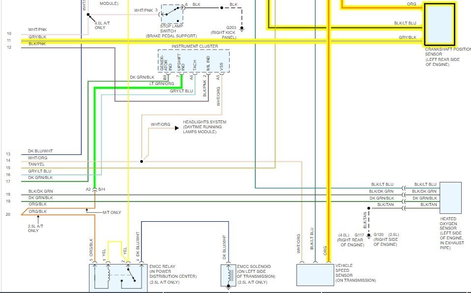
I was driving and the motor started cutting out then shut off.
No spark.
I hooked a meter to the coil power plug.
When I turn the key to run position the fuel pump runs, both fuel pump relay and ads relay buzz. there's power to the coil for few seconds then everything quits. I shut the key off and wait 30 seconds and it will do the same thing again.
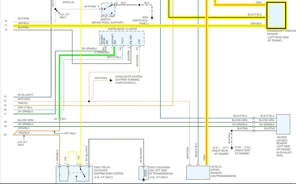
No spark.
I hooked a meter to the coil power plug.
When I turn the key to run position the fuel pump runs, both fuel pump relay and ads relay buzz. there's power to the coil for few seconds then everything quits. I shut the key off and wait 30 seconds and it will do the same thing again.
Mar 31, 2021 at 9:00 AM




