no spark only fuel?

1995 MAZDA ETUDE
500,000 MILES • 1.6L • 4 CYL • 2WD • MANUAL
Avatar
LATTANZI
  • MEMBER
  • 6 POSTS
Good day ,i need assistance please. Have the vehicle listed above 1600 no spark only fuel. Replace the distributor still no spark. Any advice or wiring diagram to check if all is ok. Do you have the 6 and 3 pin diagrams on dizzy.
Nov 4, 2024 at 4:12 AM
Advertisement
Avatar
STRAILER
  • CERTIFIED EXPERT
  • 53,854 POSTS
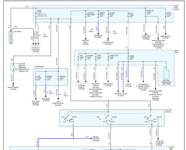
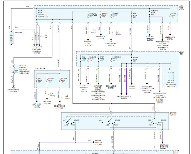
I would check the blue wire going to the distributor with the key on to see if it has power. Here are the wiring diagrams for your car so you can see how the system works and which fuses to check and the wires to check for power and ground for the ECU and distributor.

https://www.2carpros.com/articles/how-to-use-a-test-light-circuit-tester

Check out the images (below). Please let us know what happens.
Nov 4, 2024 at 12:47 PM
Avatar
LATTANZI
  • MEMBER
  • 6 POSTS
Good day, thanks for the wiring diagram. I'll check the wires today and give feedback. Do you have the layout of each fuse and relays, and what it is for. thanks.
Nov 4, 2024 at 8:58 PM
Advertisement
Avatar
LATTANZI
  • MEMBER
  • 6 POSTS
Hi,can you also send me ECU,fusebox and relay layout.Thanks.
Nov 4, 2024 at 9:53 PM
Avatar
STRAILER
  • CERTIFIED EXPERT
  • 53,854 POSTS
I am not sure if these will help, the info was kind of vague, but I did find the fuse layout. Check out the images (below). Let us know what you find.
Nov 5, 2024 at 10:00 AM
Avatar
LATTANZI
  • MEMBER
  • 6 POSTS
Good day, I checked the wires, and it is not the same see pictures of the car and color not the same.
Nov 6, 2024 at 9:25 AM
Avatar
STRAILER
  • CERTIFIED EXPERT
  • 53,854 POSTS
Yep, the colors may be different, we had to use a car that was close because we don't have direct information on this car here in the states.
Nov 6, 2024 at 9:30 AM
Avatar
LATTANZI
  • MEMBER
  • 6 POSTS
Okay, here is the VIN if it helps.
Nov 6, 2024 at 9:48 AM
Avatar
STRAILER
  • CERTIFIED EXPERT
  • 53,854 POSTS
I don't see the VIN, I do see the wires going to the distributor though, they looks like they might have a bad connection?
Nov 7, 2024 at 4:48 PM