No spark

1977 FORD F-250
2,000 MILES • 0.7L • V8 • 2WD • MANUAL
Avatar
DONOZZY
  • MEMBER
  • 1 POST
I have replaced ignition coil and, control module pick up coil.
Oct 20, 2017 at 1:39 PM
Advertisement
Avatar
PATENTED_REPAIR_PRO
  • CERTIFIED EXPERT
  • 1,853 POSTS
There is no 0.7l engine. What engine is this and also check that you do have voltage available to the ignition coil when the key is on both run and start.
Oct 20, 2017 at 2:18 PM
Avatar
PATENTED_REPAIR_PRO
  • CERTIFIED EXPERT
  • 1,853 POSTS
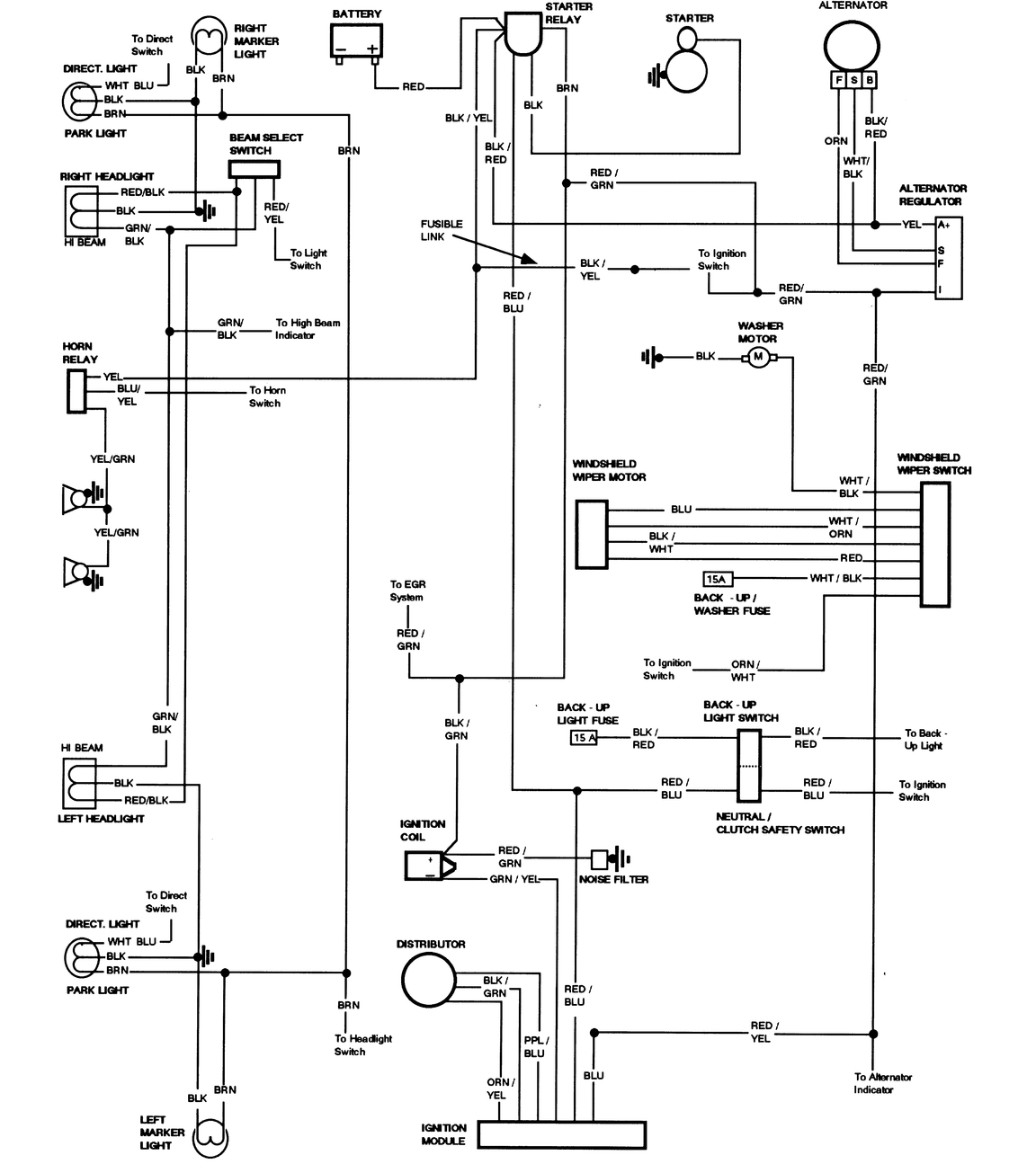
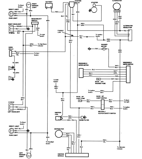
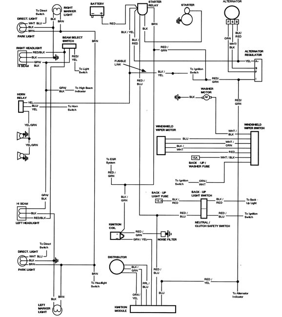
This should be the wiring diagram and the wire color to the ignition coil positive side is black/green and comes from the starter relay.
Oct 20, 2017 at 2:23 PM
Advertisement