No sound from speakers, aftermarket radio powers on

2006 HUMMER H3
100,000 MILES • 5 CYL • 4WD • AUTOMATIC
Avatar
KEN4502
  • MEMBER
  • 2 POSTS
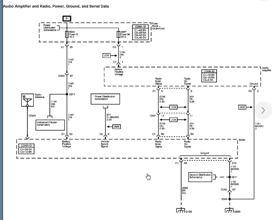
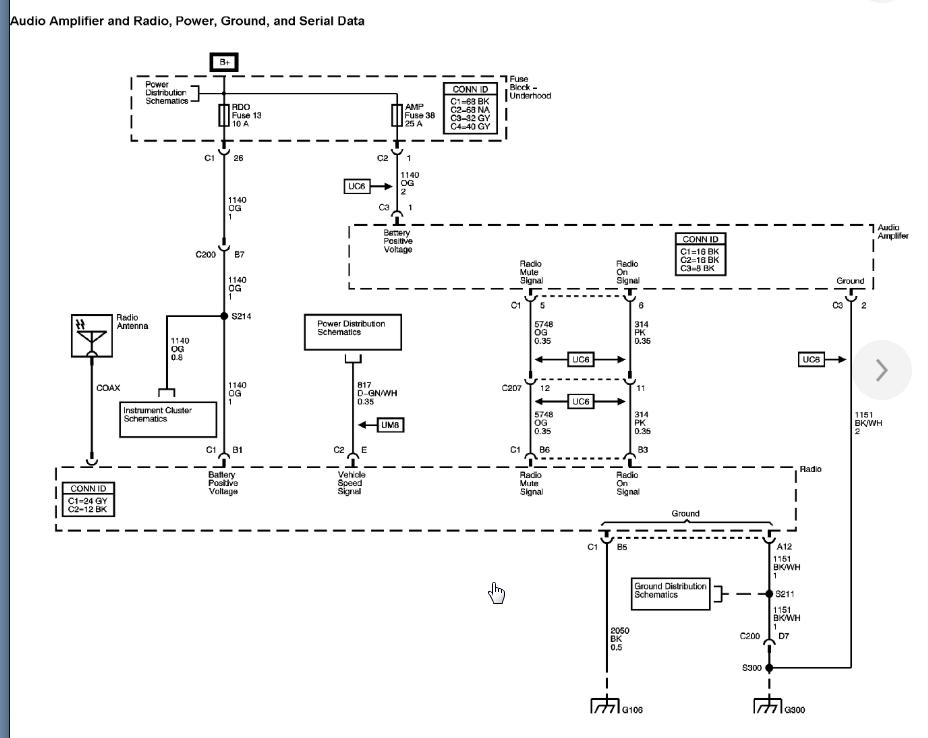
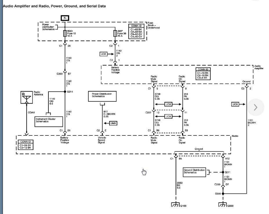
I installed an aftermarket stereo in my truck and the head unit powers up, but get no sound through the speakers. I used an aftermarket wiring harness to connect stereo to factory harness.
Dec 9, 2019 at 2:01 PM
Advertisement
Avatar
KEN4502
  • MEMBER
  • 2 POSTS
The factory stereo had 2 plugs, one is a 24 pin and the other is a 12 pin. the 12 pin wasn't used in the new installation. Is there a wire in the 12 pin that would cause there to be no sound since it wasn't used? Or do I need an interface?
Dec 9, 2019 at 6:23 PM
Avatar
KASEKENNY
  • CERTIFIED EXPERT
  • 18,907 POSTS
While I am not sure how the aftermarket radio is operating, I suspect one of the signal wires on the 12 pin connector is your issue. However, I couldn't tell you where it goes on the new radio. Normally when we deal with these, the best thing to do is call the manufacturer and they should have tech support. They should be able to tell you where this should go. Clearly if the 24 pin connector has a direct connection to the new radio we can assume that is proper. But we cannot assume that the connector is good but if you have no audio out of any speaker, again I suspect there is a signal wire. The only thing you need to check is the Radio On and Radio Mute signals are in the correct locations. If these pins are reversed in the new 24 pin connector then you will be muting the radio when you turn it on.
Dec 10, 2019 at 3:06 PM
Advertisement