I have no sound from my speakers except some static

2004 CHEVROLET SUBURBAN
190,000 MILES • 5.3L • V8 • 4WD • AUTOMATIC
Avatar
GEORGE1026
  • MEMBER
  • 1 POST
i have the factory six CD stereo Bose XM radio in my vehicle. i have sound from my speakers with the radio and the CD player but when i switch the band to XM i have no sound from my speakers except some static. all features are working on the radio saying that XM is working but i still have no sound. i have looked for a mute button but cannot find one.
Apr 18, 2018 at 4:08 AM
Advertisement
Avatar
STRAILER
  • CERTIFIED EXPERT
  • 53,855 POSTS
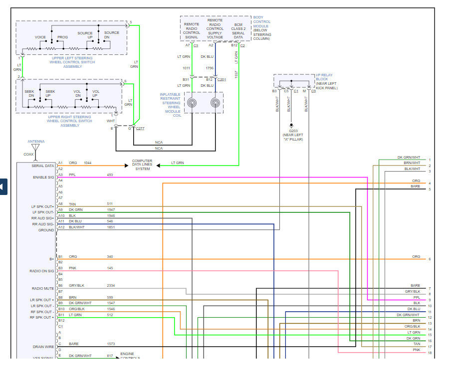
There is a digital radio receiver that sound like it has gone out. Here is the radio wiring diagrams for both eight speaker systems so you can see how they work. Also, here is the location of the digital radio receiver so you can replace it. Check out the diagrams (below).Let us know what happens and please upload pictures or videos of the problem.
Apr 19, 2018 at 11:40 AM
Avatar
NICK C.
  • MEMBER
  • 3 POSTS
Radio comes on but no sound out of speakers or from CD player.
May 26, 2021 at 11:26 AM (Merged)
Advertisement
Avatar
SCGRANTURISMO
  • CERTIFIED EXPERT
  • 4,897 POSTS
Hello,

In the diagrams down below I have included the diagnostic troubleshooting checklist from the vehicle manufacturer concerning no sound coming from your vehicle's speakers. This is pretty straight forward and should help you pinpoint what is causing this problem in your vehicle. Please go through it as well as the guide on how to find short circuits that I also included in the diagrams down below for you and get back to us with what you were able to find out.

Thanks,
Alex
2CarPros
May 26, 2021 at 11:26 AM (Merged)
Avatar
NICK C.
  • MEMBER
  • 3 POSTS
At this time maybe a bad amplifier or the plug.
May 26, 2021 at 11:26 AM (Merged)
Avatar
SCGRANTURISMO
  • CERTIFIED EXPERT
  • 4,897 POSTS
Hello again,

Okay, let us know. We are interested to see what it is.

Thanks,
Alex
2CarPros
May 26, 2021 at 11:26 AM (Merged)
Avatar
NICK C.
  • MEMBER
  • 3 POSTS
I checked power to amp is good and is power to radio, still have no sound from speakers. But radio power button lights up bright. Never did before also have no dings from key being on or lights on.
May 26, 2021 at 11:26 AM (Merged)
Avatar
SCGRANTURISMO
  • CERTIFIED EXPERT
  • 4,897 POSTS
Hello again,

The radio, itself, could have an in internal short in it and is bad. Unfortunately, we do not have any instructions for component repair. Please keep us informed.

Thanks,
Alex
2CarPros
May 26, 2021 at 11:26 AM (Merged)
Avatar
NICK C.
  • MEMBER
  • 3 POSTS
It turns out that the radio is bad.took it to a radio repair shop and it's bad they don't say what was wrong with it other than is bad radio.
May 26, 2021 at 11:26 AM (Merged)
Avatar
STRAILER
  • CERTIFIED EXPERT
  • 53,855 POSTS
Nice work, we are here to help, please use 2CarPros anytime.
May 26, 2021 at 11:26 AM (Merged)