No sound from radio?

2013 BMW X1
98,000 MILES • 4 CYL • TURBO • 2WD • AUTOMATIC
Avatar
BHAMDOC1973
  • MEMBER
  • 2,008 POSTS
s28i, 4 cylinder, no sound. No sound from radio?
Oct 2, 2022 at 2:52 PM
Advertisement
Avatar
STRAILER
  • CERTIFIED EXPERT
  • 53,854 POSTS
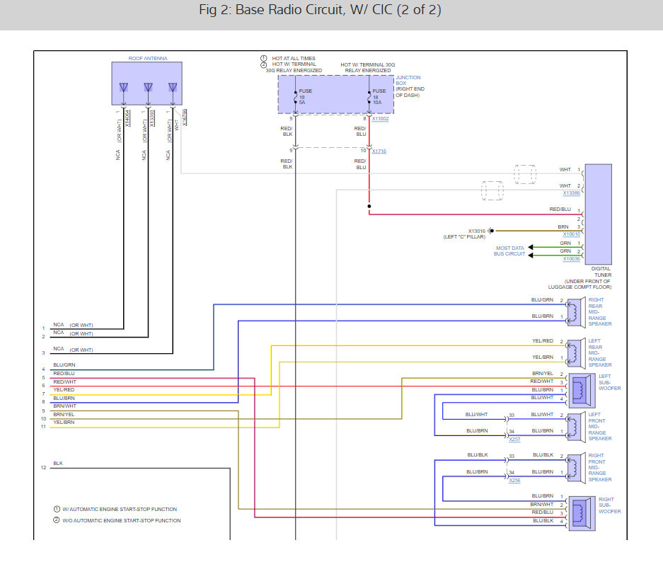
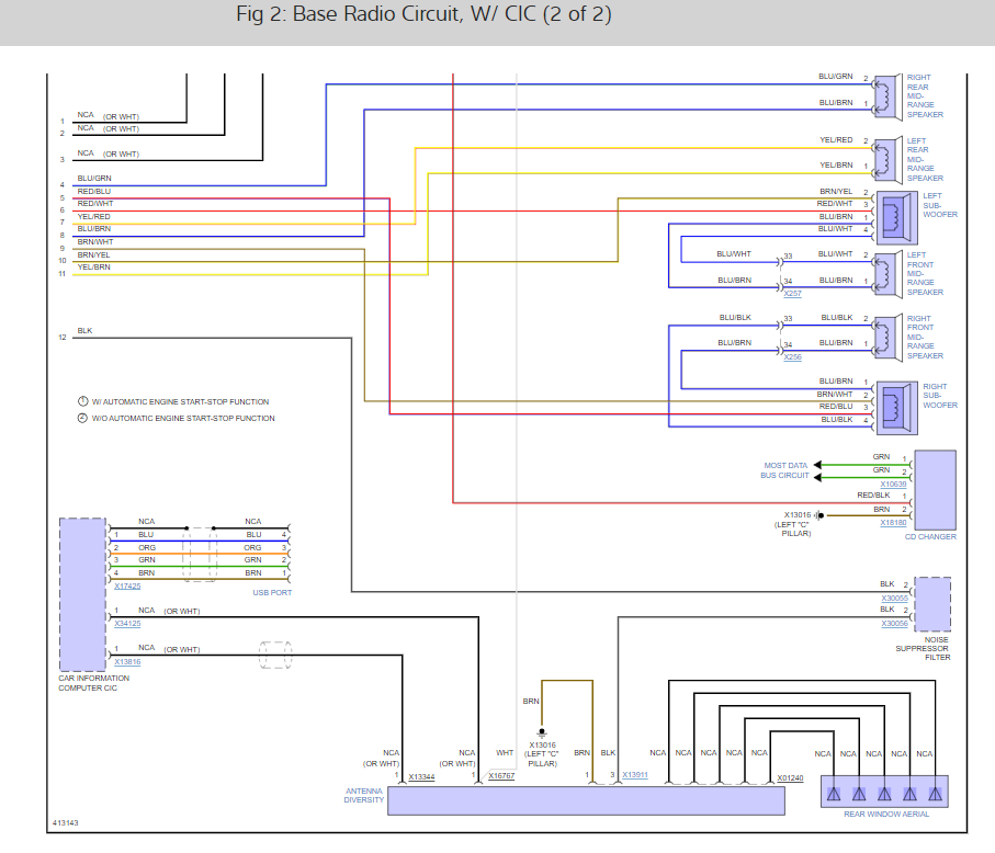
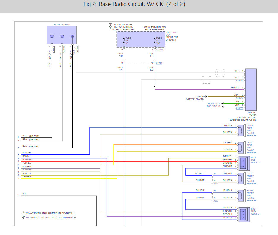
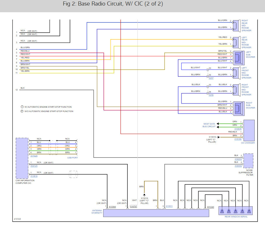
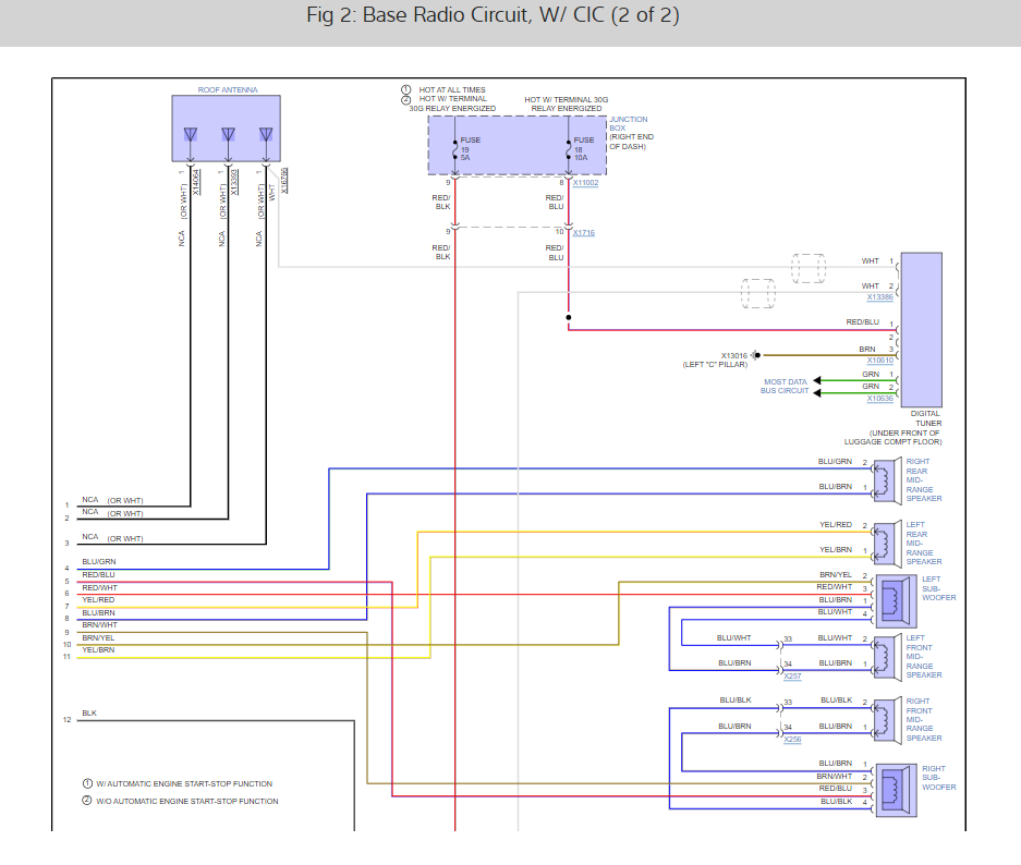
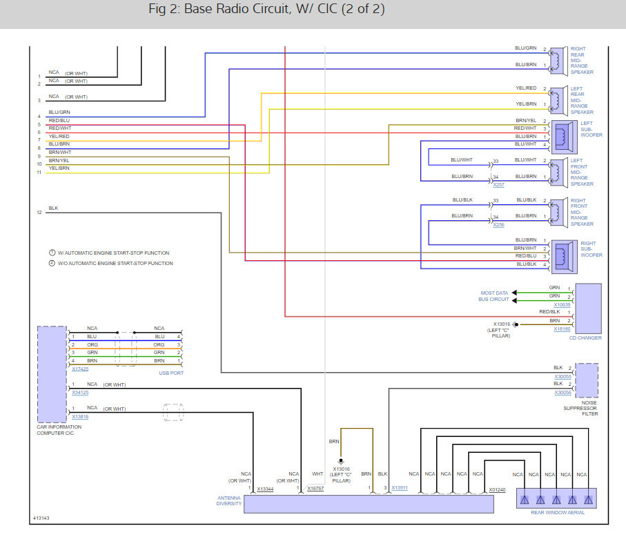
First, I would check fuses #76 and fuse #14 in the fuse panel on the left side of the dash, if they are okay the amplifier inside the radio has gone out and you will need a new one. here is the wiring diagrams for the radio so you can see how the system works and how to remove the radio to install a new one in the images below. Also check fuses # 18 and #19 in the right-hand fuse panel.

https://www.2carpros.com/articles/how-to-check-a-car-fuse

Check out the images (below). Please let us know what you find. We are interested to see what it is.
Oct 3, 2022 at 2:28 PM