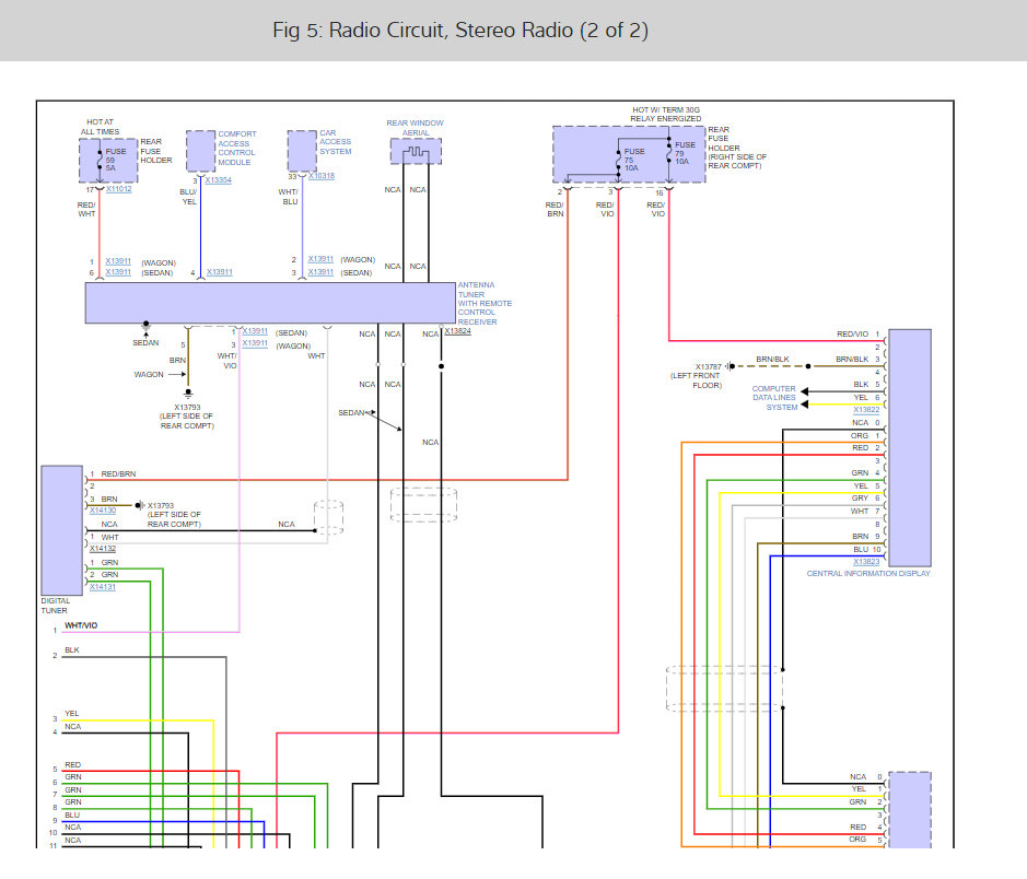
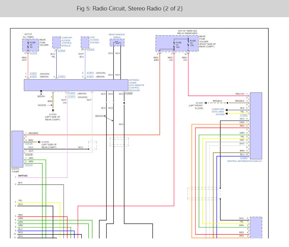
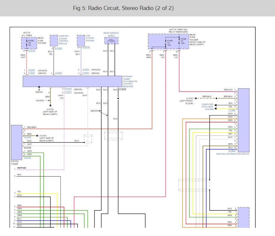
I can pair the blue tooth with my phone, but music only comes out my phone not the car and I don't get any sound when you open door with key in ignition. The car listed above is a 530xi.
Jun 2, 2022 at 11:36 AM





