No sound coming from speakers after installing aftermarket radio

2009 LINCOLN MKX
177,477 MILES • 4WD • AUTOMATIC
Avatar
KIDKUPID2015
  • MEMBER
  • 1 POST
We got a new radio unit it's the "Dual multimedia DVD receiver with Bluetooth featuring a 7-inch digital TFT LCD XDVD179BT" for our car but after installing it there is no sound, not even static coming from the speakers even though the radio turns on in all the functions work perfectly fine. I checked the fuses and none of them seem blown and I even replaced most of them anyways just to be safe and still no sound. I read online that it may be a fire, that's the problem into disconnect the amplifier and see if any sound will occur then but I'm not sure how or where to disconnect the amplifier from.
Apr 11, 2022 at 8:18 PM
Advertisement
Avatar
KASEKENNY
  • CERTIFIED EXPERT
  • 18,907 POSTS
More than likely this issue is caused because the aftermarket radio has speaker wires on different circuits than the OEM radio.

Did the radio come with a connector kit built for your exact vehicle?

Basically, we need to find out what we have coming out of the radio to the speakers.

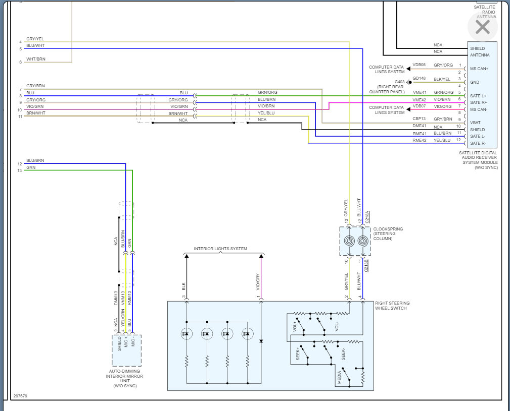
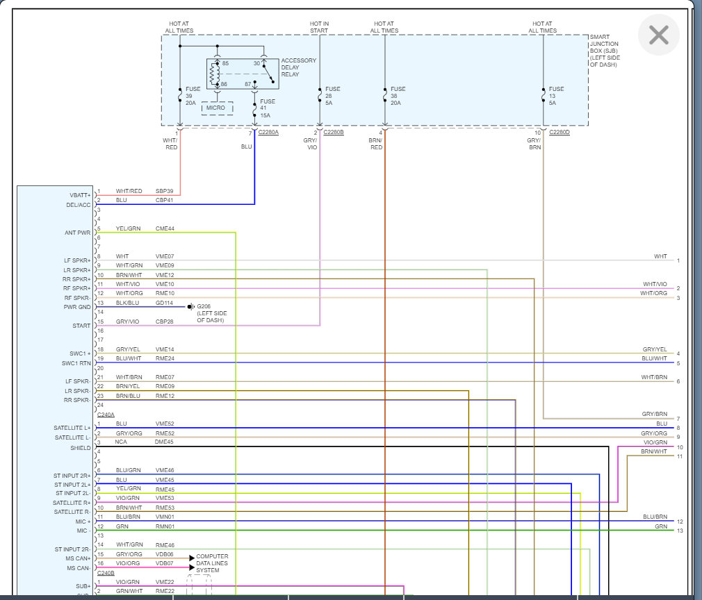
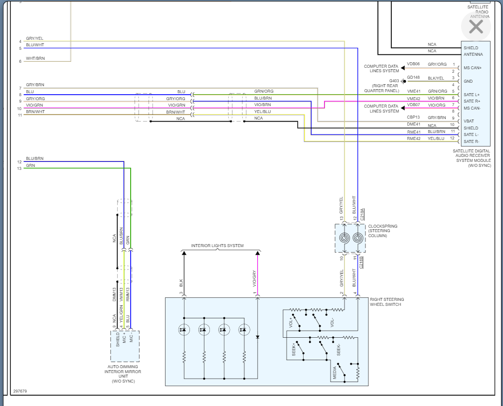
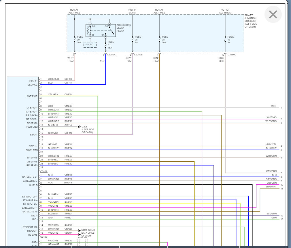
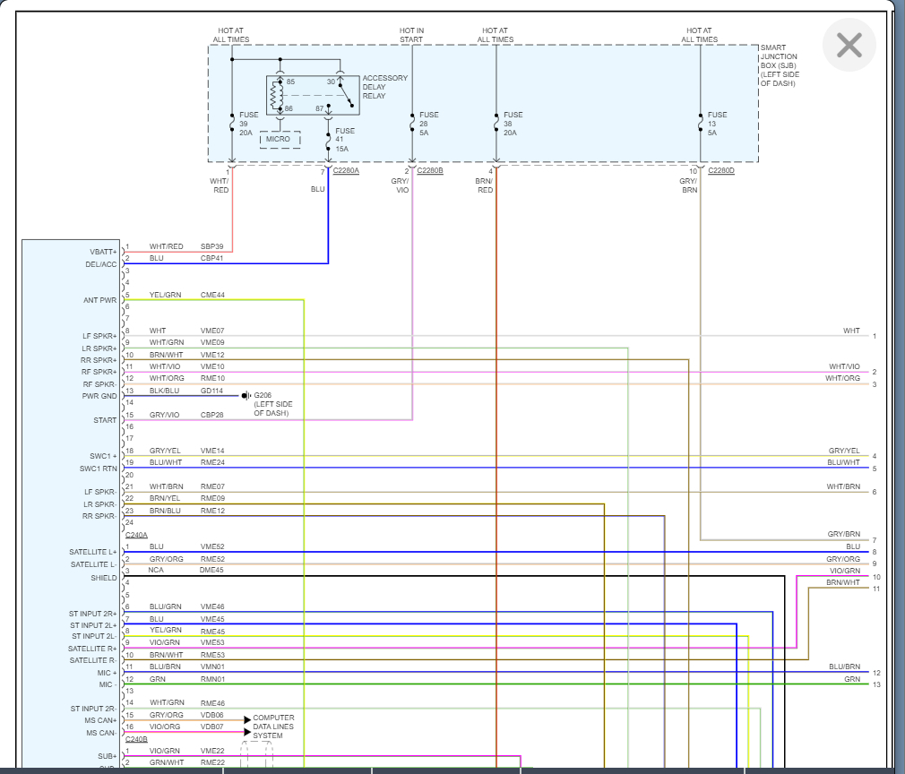
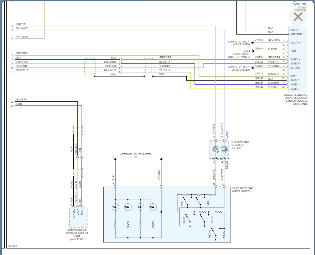
I am attaching the wiring diagrams below but here is a guide that will help with this.

https://www.2carpros.com/articles/how-to-check-wiring

I would suggest we start with this, but it appears there is no amp on this radio circuit.

It appears this was part of the Audio control module which is basically the radio.

This is what I suspect the issue is. The aftermarket radio is most likely just a radio and does not have the integrated module as part of it.

Let's start with this and go from there.

Thanks
Apr 12, 2022 at 8:07 PM