no spark

1989 CADILLAC DEVILLE
227,000 MILES • 0.5L • V8
Avatar
SNAPPOWELL
  • MEMBER
  • 5 POSTS
I have no spark. I replaced the control module, coil charged the battery. I am getting a code no signal to distributor. I am at a loss.
Nov 13, 2017 at 9:51 AM
Advertisement
Avatar
STRAILER
  • CERTIFIED EXPERT
  • 53,854 POSTS
It sounds like you have an ignition module or pick up that is out. Below is a guide to show you how to change out the pickup and module.

Disconnect the ignition switch battery feed wire and tachometer lead if equipped from distributor cap. Also, release the coil connectors from the cap (do not use a screwdriver or tool to release the locking tabs).
Remove the distributor cap by turning four latches counterclockwise. Move cap out of the way.
Remove the four terminal ECM harness from distributor.
Spark Plug Wire Holder Release.

If necessary, remove secondary wires from cap, release wiring harness latches and remove wiring harness retainer. The spark plug wire numbers are indicated on the retainer.
Remove the distributor clamp screw and hold-down clamp.
Note position of rotor, then pull distributor up until rotor just stops turning counterclockwise and again note position of rotor.
Remove distributor.
NOTE: To ensure correct timing of the distributor, the distributor must be installed with the rotor correctly positioned as noted. If the engine was accidentally cranked after the distributor was removed, the following procedure can be used for installing.

Remove the number 1 spark plug.
Place finger over the number 1 spark plug hole and crank engine slowly until compression is felt.
Align timing mark on pulley to "0" on engine timing indicator.
Turn rotor to point between number 1 and number 8 spark plug towers on the distributor cap.
Install the distributor.
Install distributor hold-down clamp and distributor clamp bolt. Tighten clamp bolt to 36 Nm (27 lb. ft.).
Install rotor in the same position at which it was removed.
If removed, install the secondary wires from cap, wiring harness latches and wiring harness retainer.
Connect four terminal ECM harness to distributor.
Connect ignition feed wire.
Install distributor cap and spark plug wires.
Check engine timing.

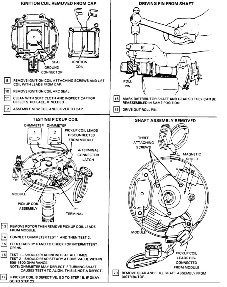
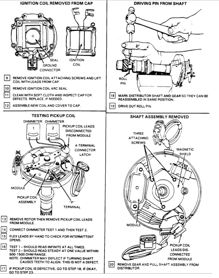
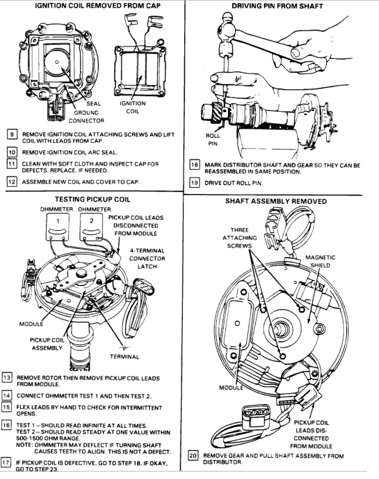
(Check out the diagrams below)

Let us know what happens and please upload pictures or videos of the problem.

Cheers, Ken
Nov 14, 2017 at 11:13 AM
Avatar
SNAPPOWELL
  • MEMBER
  • 5 POSTS
Do I have to take out distributor to get the pickup coil out?
Nov 14, 2017 at 11:24 AM
Advertisement
Avatar
STRAILER
  • CERTIFIED EXPERT
  • 53,854 POSTS
Yes, it must be disassembled. The diagrams will show you how. You can change the module without removing the distributor though.
Nov 14, 2017 at 12:00 PM
Avatar
SNAPPOWELL
  • MEMBER
  • 5 POSTS
Thanks again. I will get on as soon as I can. I have to order the part.
Nov 14, 2017 at 12:12 PM
Avatar
STRAILER
  • CERTIFIED EXPERT
  • 53,854 POSTS
Please let us know what happens.

Cheers, Ken
Nov 15, 2017 at 10:31 AM
Avatar
SNAPPOWELL
  • MEMBER
  • 5 POSTS
I will ordering part tomorrow. I will let you know. thank you Ken.
Nov 15, 2017 at 10:47 AM
Avatar
SNAPPOWELL
  • MEMBER
  • 5 POSTS
Hey Ken thanks again for all your help. I put a new ignition module in the car, thinking everything was good well as it turns out it was bad, and I asked for another one and to be tested and another one was bad, I asked for my money back, and went to another parts store and got another ignition module and had it tested it was good so I bought it, in the meantime I found that my wire harness was bad, so I went to the junk yard got another harness put it all back together and it fired right up
Nov 22, 2017 at 12:50 PM
Avatar
STRAILER
  • CERTIFIED EXPERT
  • 53,854 POSTS
Good to hear, please use 2CarPros anytime we are here to help.

Cheers, Ken
Nov 24, 2017 at 5:03 PM