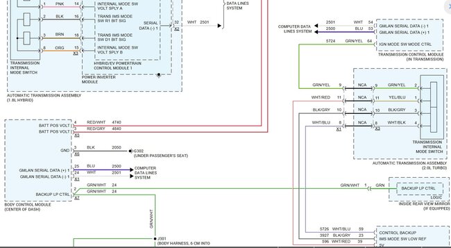
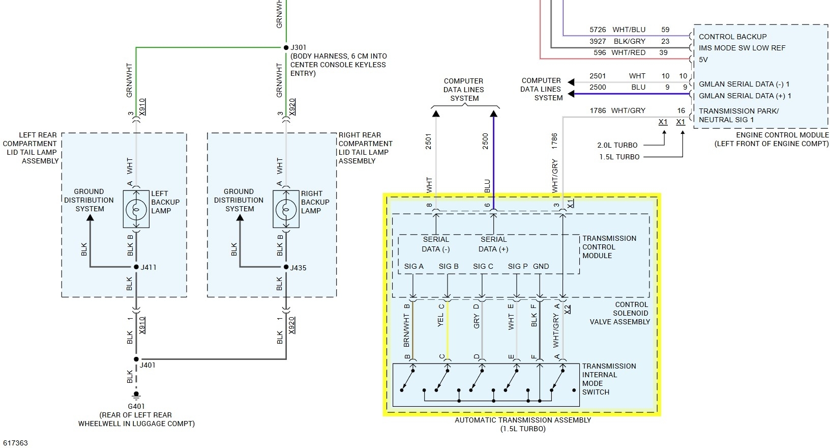
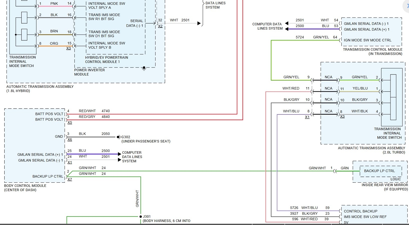
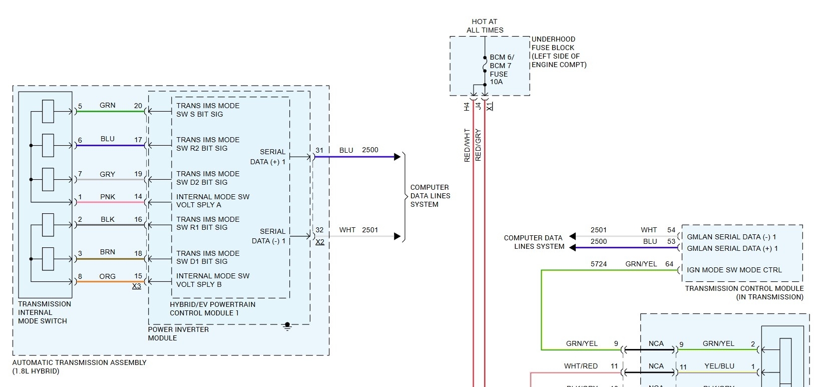
There is no fuse, the power for the reverse lights comes from the body control module. The range sensor in the transmission tells the PCM what gear it is in and that tells the BCM which activates the reverse lamps. There also is no individual switch for the lights it is part of the internal switch that also shifts the transmission. The simple test to determine where the fault lies is simple. When you shift the transmission into reverse does the shift indicator show it and does the car move in reverse? If yes it isn't the internal switch as it converts the switch positions into a digital signal that tells the BCM through the network. The first diagram is the OE for the lights. The other three are all of the circuits for all three engines, yours is in the third image at the bottom. Now it is possible that the lights ground wire has failed, do the license plate lamps work? They share a ground. If they are on the ground likely isn't the problem. Especially if you had no power in the socket. The only other test would be to go to the BCM and find the Green w/white wire at pin 2 in the X7 connector and see if there was power there when you have the key on and in reverse. Or to apply power to that pin and see if the lights come on. If they do but not through the BCM then you replace the BCM. The BCM is easy to access, go into the passenger footwell and grab the carpet that goes under the dash on the tunnel. Pull it down and the BCM is clipped into place on the tunnel. You unplug the connectors and release the tabs to remove it. To install it you put the new module in DO NOT TRY TO SWAP IN A USED ONE! That can cause more damage because of the global modules they use. You also need a scan tool to set up the new BCM to get it all to work.
Images (Click to enlarge)
Dec 19, 2025 at 12:29 PM