Hi all, thanks in advance for any help!
The vehicle is a 2012 GMC 3500 Cutaway with a Thomas school bus body. I realize this complicates things, but I hope this is fairly straightforward.
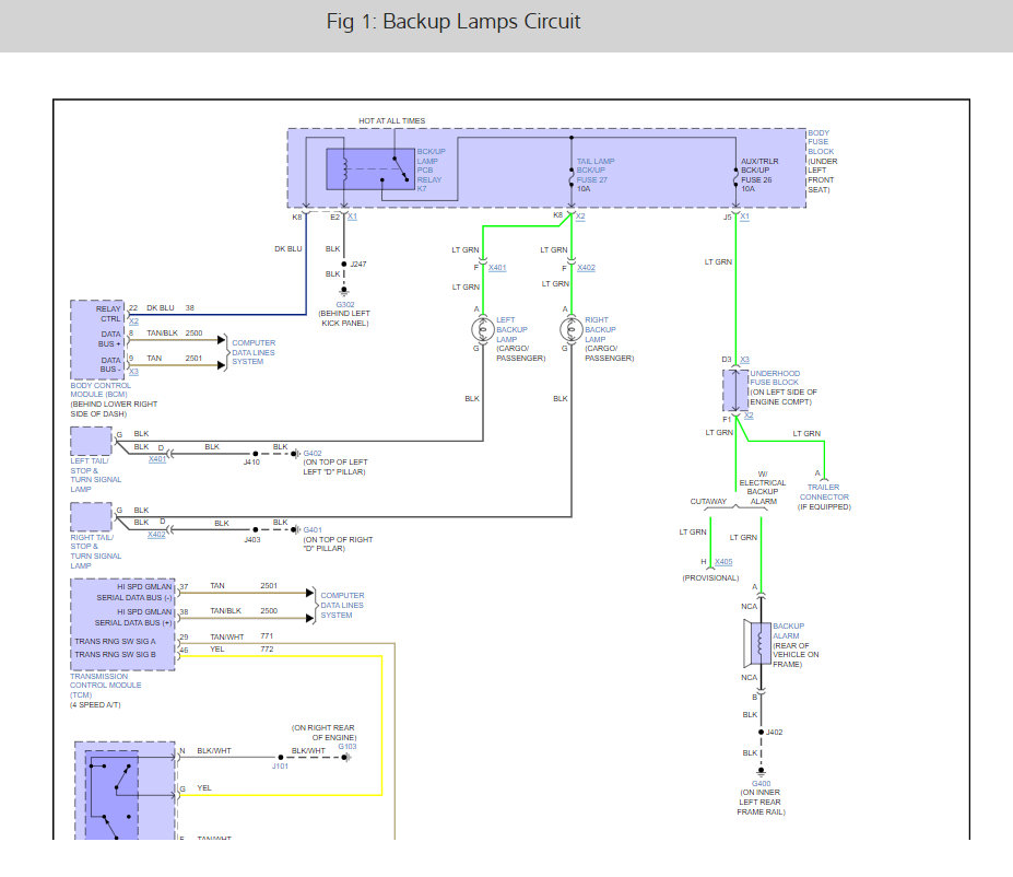
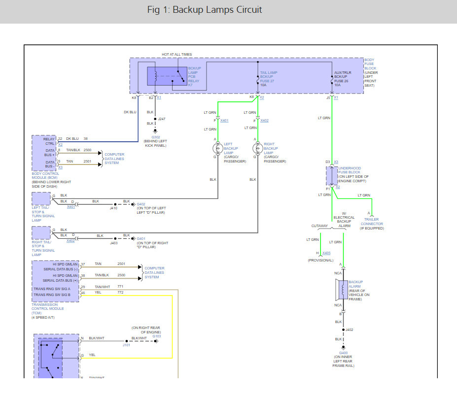
My issue is, that the 10-amp Fuse #26 under driver's seat blows when the transmission is put in reverse. The fuse is marked as the "aux/trlr bck/up" fuse. Note that fuse #27 - "tail lamp(s) bck/up" is working correctly. Photo attached.
I discovered the issue when I was testing the installation of my new backup camera. I split the power off the reverse light power so that it only turns on when the transmission is in reverse. When it didn't work, I noticed that the reverse lights did not work either and started testing wires and fuses.
The bus has been sitting undriven for the past 4 months or so, but stored properly with the battery removed, stabilizer in the gas, etc. I cannot say for certain whether the reverse lights worked before it was put into storage mode, but I'm pretty sure they did.
I have traced the wire and successfully tested for continuity from the reverse lights all the way forward to a bundle where it either joins into another wire or goes down to the fuse panel. It will be a lot of work to trace any farther, and I'm hoping there's a short to ground coming off of the transmission switch or the switch is somehow stuck from sitting all winter.
I believe the transmission is the 6L90, but I don't know how to tell for sure. I do not see any screw-in ball-check valves like the GM Genuine Parts 14069600 Back-Up Lamp Switch. I also do not see any bolt-on sensors like the GM Genuine Parts D2257C Park/Neutral Position and Back-Up Lamp Switch. I think this means the trigger for the backup lights is a slide switch inside the pan bolted to the valve body to tell the ECM which gear you have selected. I'm not super comfortable opening up my transmission like that. Can anyone tell me how to confirm which transmission I have, and/or advise on where the reverse switch is?
The bus goes into reverse, drives in reverse, and the transmission itself works perfectly. The issue is definitely electrical, and any advice about how to most easily home in on the problem is greatly appreciated!
The vehicle is a 2012 GMC 3500 Cutaway with a Thomas school bus body. I realize this complicates things, but I hope this is fairly straightforward.
My issue is, that the 10-amp Fuse #26 under driver's seat blows when the transmission is put in reverse. The fuse is marked as the "aux/trlr bck/up" fuse. Note that fuse #27 - "tail lamp(s) bck/up" is working correctly. Photo attached.
I discovered the issue when I was testing the installation of my new backup camera. I split the power off the reverse light power so that it only turns on when the transmission is in reverse. When it didn't work, I noticed that the reverse lights did not work either and started testing wires and fuses.
The bus has been sitting undriven for the past 4 months or so, but stored properly with the battery removed, stabilizer in the gas, etc. I cannot say for certain whether the reverse lights worked before it was put into storage mode, but I'm pretty sure they did.
I have traced the wire and successfully tested for continuity from the reverse lights all the way forward to a bundle where it either joins into another wire or goes down to the fuse panel. It will be a lot of work to trace any farther, and I'm hoping there's a short to ground coming off of the transmission switch or the switch is somehow stuck from sitting all winter.
I believe the transmission is the 6L90, but I don't know how to tell for sure. I do not see any screw-in ball-check valves like the GM Genuine Parts 14069600 Back-Up Lamp Switch. I also do not see any bolt-on sensors like the GM Genuine Parts D2257C Park/Neutral Position and Back-Up Lamp Switch. I think this means the trigger for the backup lights is a slide switch inside the pan bolted to the valve body to tell the ECM which gear you have selected. I'm not super comfortable opening up my transmission like that. Can anyone tell me how to confirm which transmission I have, and/or advise on where the reverse switch is?
The bus goes into reverse, drives in reverse, and the transmission itself works perfectly. The issue is definitely electrical, and any advice about how to most easily home in on the problem is greatly appreciated!
May 31, 2022 at 10:06 PM

