No reverse lights

2010 DODGE RAM
188,000 MILES • 5.7L • V8 • TURBO • 4WD • AUTOMATIC
Avatar
LYLE LOZIER
  • MEMBER
  • 2 POSTS
I have no reverse back up lights. I also can't find the NSS to replace it. Can you show me a picture please?
Jun 30, 2019 at 1:29 AM
Advertisement
Avatar
DANNY L
  • CERTIFIED EXPERT
  • 5,648 POSTS
Hello, I'm Danny.

First, I'm attaching a tutorial showing how to test your trucks wiring.

https://www.2carpros.com/articles/how-to-check-wiring

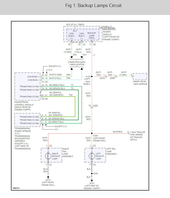
Also, I've attached below a picture of your trucks reverse light circuit.Hope this helps and thanks for using 2CarPros.
Danny-
Jun 30, 2019 at 6:15 PM
Avatar
LYLE LOZIER
  • MEMBER
  • 2 POSTS
All the wiring looks fine the bulbs are good. Where else should I be looking? Is there a sensor somewhere else like on transmission?
Jul 1, 2019 at 8:28 AM
Advertisement
Avatar
STRAILER
  • CERTIFIED EXPERT
  • 53,854 POSTS
If I can jump in here. it sounds like the TIPM is out. To be sure use this wiring diagram to check for power with the guide on how to use a test light. It easy to replace the TIPM because it self initializes. Here are diagrams and instructions on how to replace the TIPM below.

https://www.2carpros.com/articles/how-to-use-a-test-light-circuit-tester

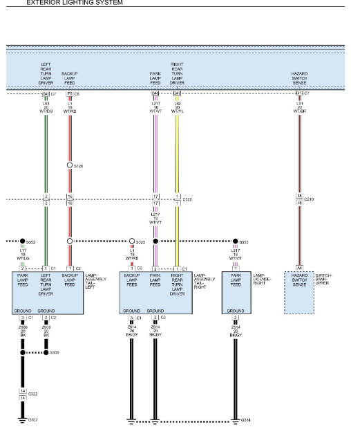
Check out the diagrams (below). Please let us know what you find. We are interested to see what it is.
Jul 3, 2019 at 7:01 PM