No reverse

2006 SCION TC
220,000 MILES • 3.7L • 4 CYL • 2WD • AUTOMATIC
Avatar
TATTOO MIKE
  • MEMBER
  • 3 POSTS
My car was working just fine, i pulled in to a gas pump after backing out of work put gas in put car in reverse and car would not go. in reverse acts like it is in neutral. So check engine light comes on i take it and have it scanned it says P0766, the shift solenoid is stuck off or low voltage. so i changed transmission fluid and filter still would not work. so i bought the sensor and changed it out reset the ECM and still will not go in reverse. on jack stands it will go in reverse, but not very much output. if it is on the ground it will not go at all but all four gears 1, 2, 3, 4 work fine i can drive it just cannot back up. please any help is very much appreciated.
Nov 23, 2017 at 2:48 PM
Advertisement
Avatar
JACOBANDNICKOLAS
  • CERTIFIED EXPERT
  • 110,175 POSTS
If you serviced the transmission, tell me if there was a lot of debris in the pan? Often time, the problem is foreign material blocking the mechanical function of the solenoid or blocking the flow of transmission fluid through the transmission's valve body.

Nov 23, 2017 at 7:17 PM
Avatar
TATTOO MIKE
  • MEMBER
  • 3 POSTS
There was very little material in the pan. is there anyway I can get a picture of shift solenoid to make sure it is the correct one?
Nov 24, 2017 at 3:47 AM
Advertisement
Avatar
STRAILER
  • CERTIFIED EXPERT
  • 53,854 POSTS
Hello,

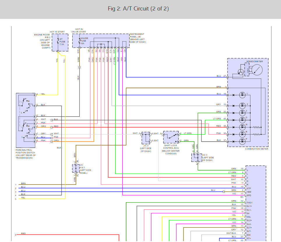
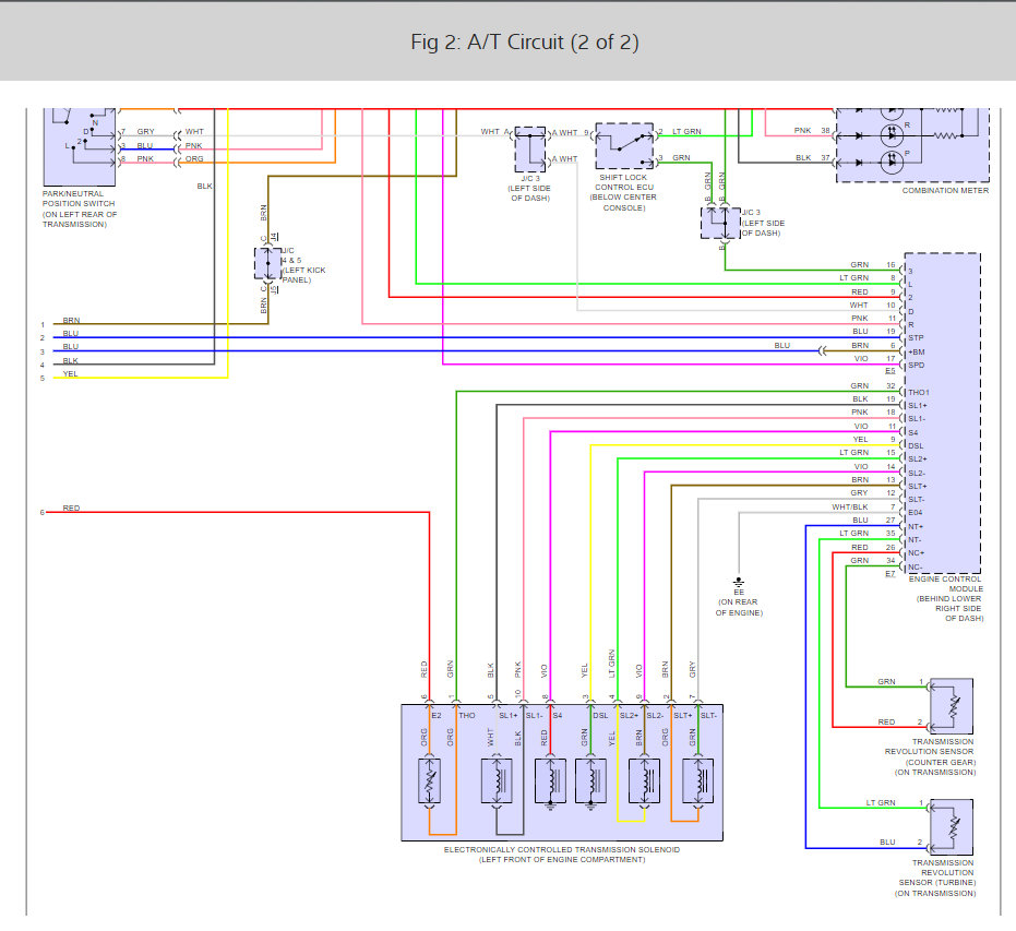
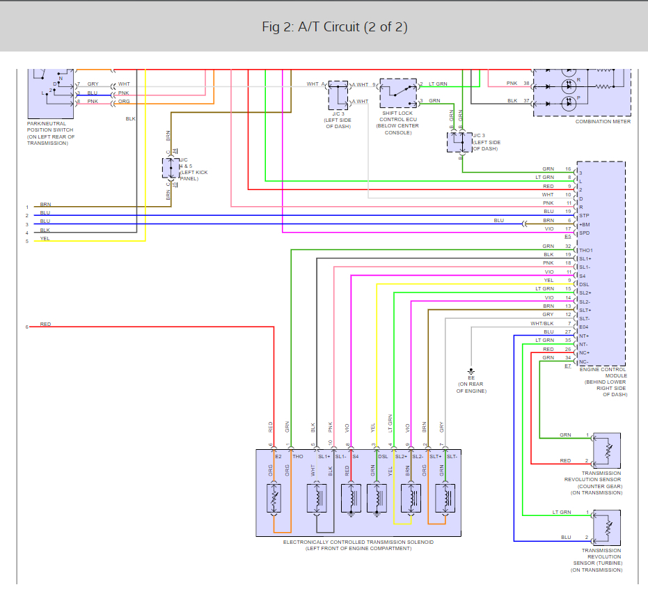
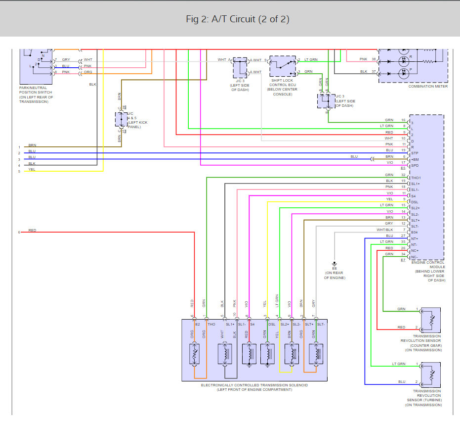
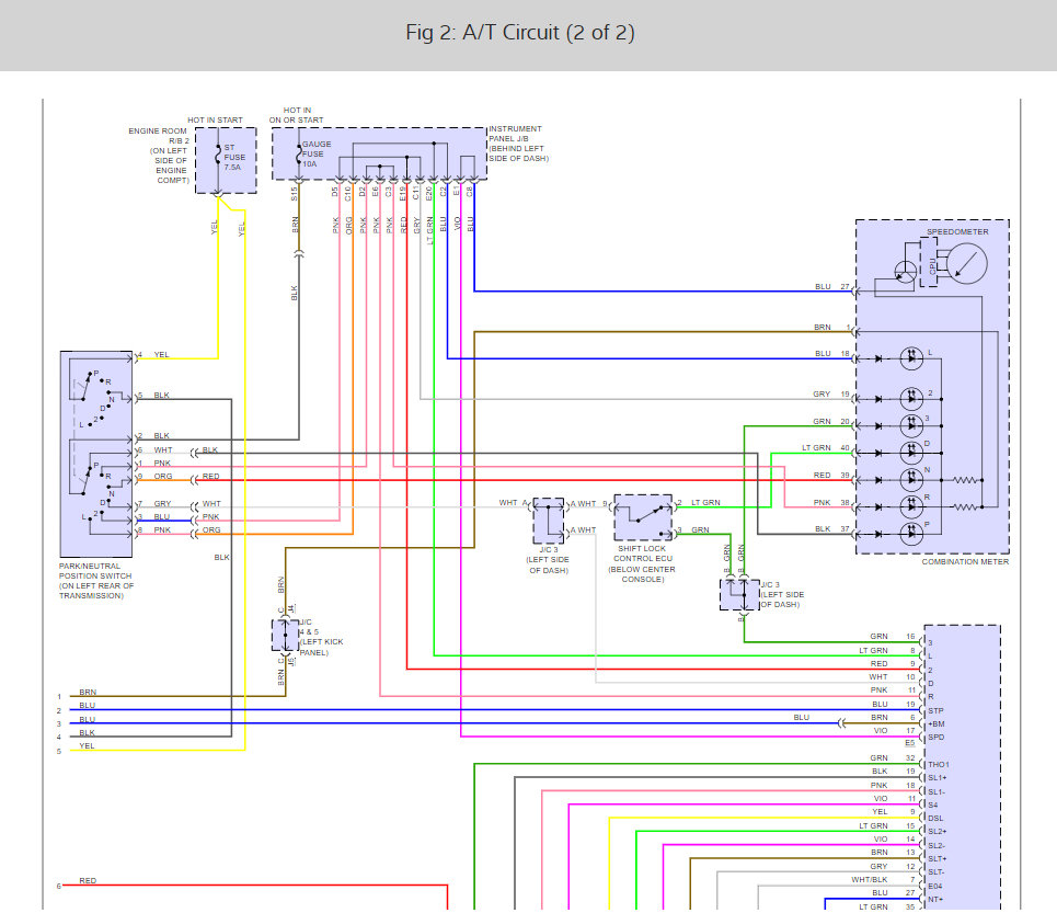
I would test the transmission position switch to make sure the computer is getting a signal that the transmission is in reverse. Here is a transmission wiring diagram and guides to help you get you going.

https://www.2carpros.com/articles/how-to-use-a-test-light-circuit-tester

Make sure you are getting signal key on in reverse.

diagrams (Below)

Please let us know what you find. We are interested to see what it is.

Cheers, Ken
Nov 26, 2017 at 7:06 PM