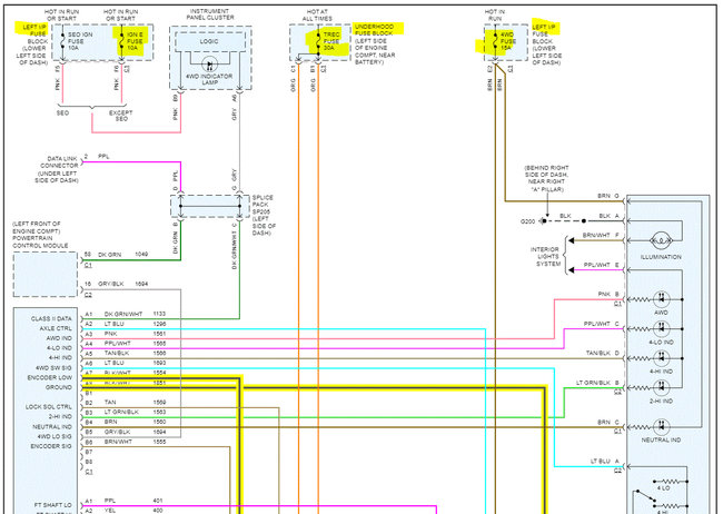
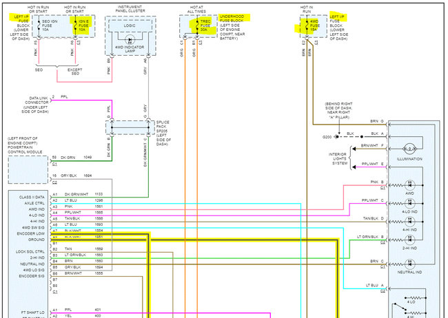
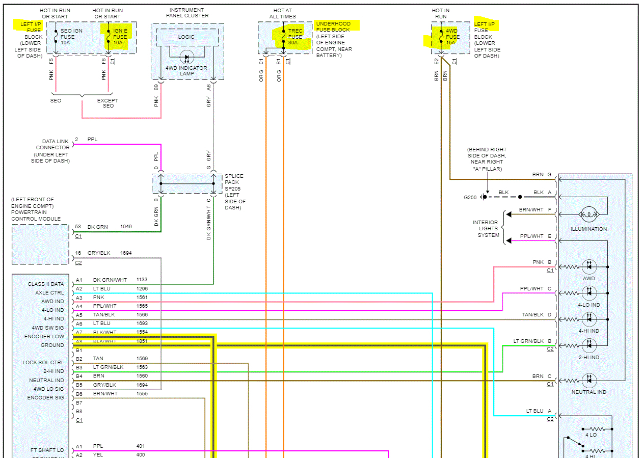
I just came back to the truck after it was sitting for a year, and the 4-button 4wd dash switch lights up when the key is turned on but doesn't do anything when I push a button. No blinking, no noise, nothing. The 2Hi light just stays lit.
I've had issues with this 4wd system in the past that were fixed by cleaning up the ground on the frame, replacing the dash switch, and more recently replacing the encoder ring and motor. The 4WS, 4WD, and IG1 fuses are all ok and have power when they key is on.
I suspect it's a ground or some other electrical connection, anyone know what would cause this?
I've had issues with this 4wd system in the past that were fixed by cleaning up the ground on the frame, replacing the dash switch, and more recently replacing the encoder ring and motor. The 4WS, 4WD, and IG1 fuses are all ok and have power when they key is on.
I suspect it's a ground or some other electrical connection, anyone know what would cause this?
Dec 9, 2021 at 3:50 PM





