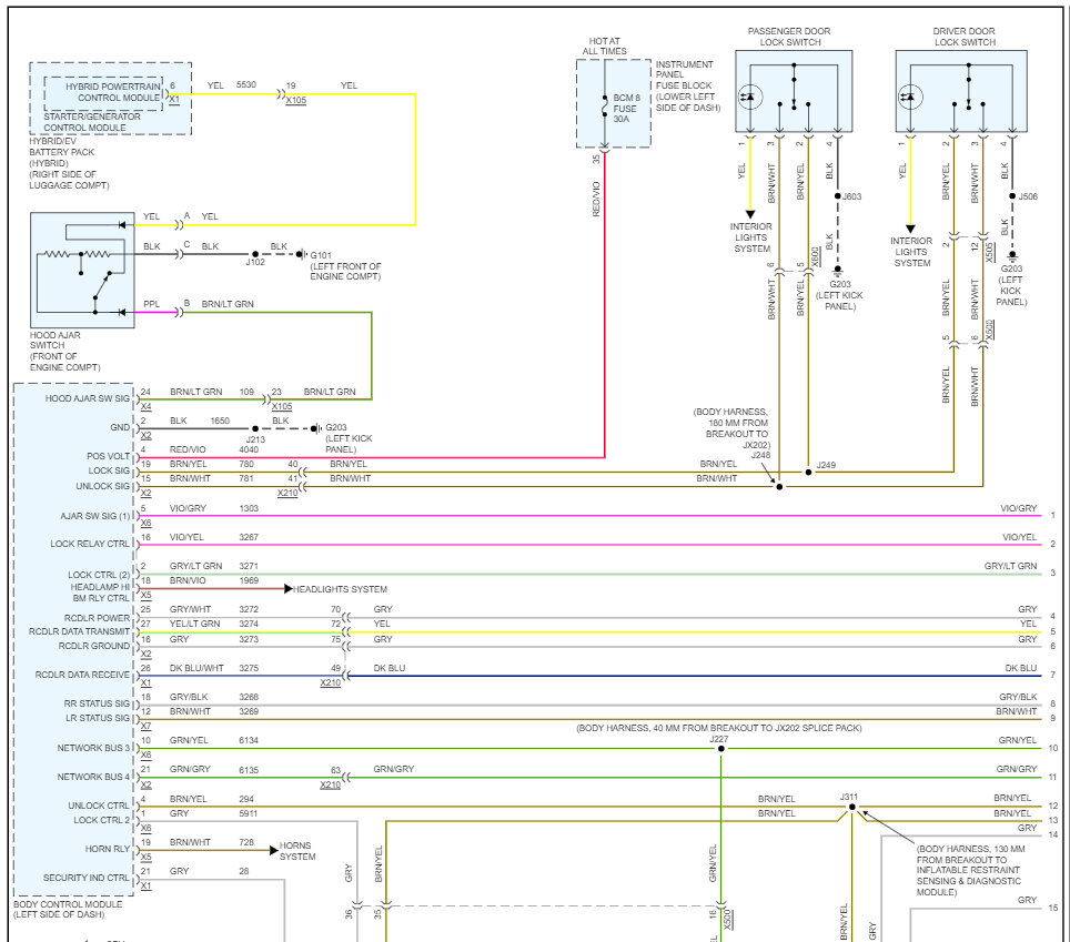
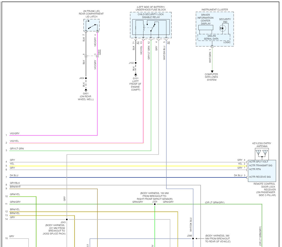
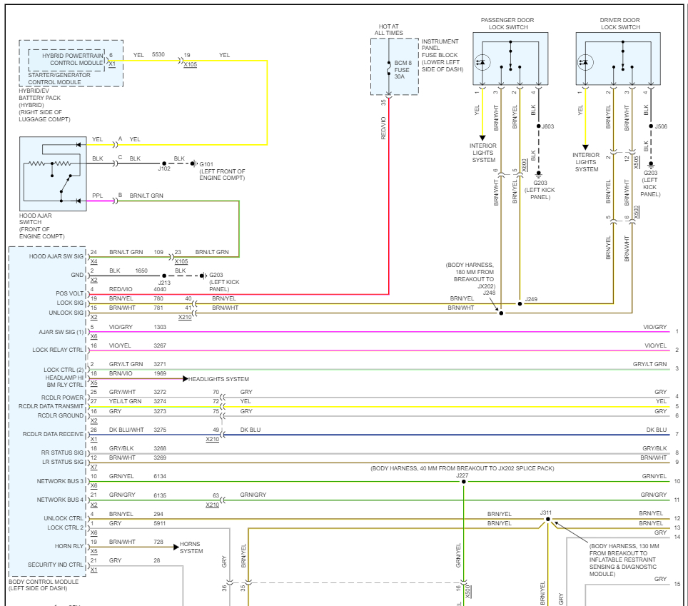
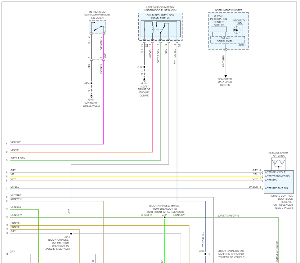
The car has been giving the message "no remote detected" when starting. It is not every time, mostly at the first start of the day or after it has been sitting awhile. We purchased a new key fob, but the problem pursuits. After looking around online, I am guessing it is not receiving the signal. Any help would be greatly appreciated.
Apr 10, 2023 at 2:58 PM





