No rear blinker, brake or hazard lights

2003 LINCOLN NAVIGATOR
157,000 MILES • 0.5L • V8 • 4WD • AUTOMATIC
Avatar
GYPSIE COLLINS
  • MEMBER
  • 2 POSTS
My rear blinkers, brake and hazards are not working. I have checked fuses, and replaced flasher relay and brake light switch. what could it be?
Jun 30, 2017 at 9:26 PM
Advertisement
Avatar
SQM
  • CERTIFIED EXPERT
  • 6,383 POSTS
Hello,

This sounds like you might have a wiring issue.
It probably has a short in the harness.
In order to find the short you will have to trace the wires using a multimeter.

Here are couple of helpful articles:

https://www.2carpros.com/articles/how-to-check-wiring
https://www.2carpros.com/articles/how-to-use-a-voltmeter

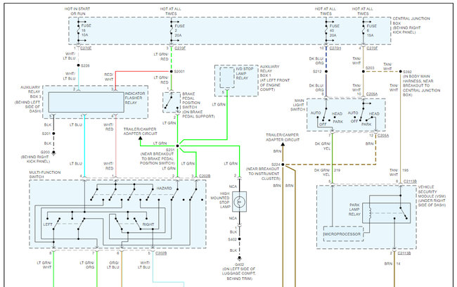
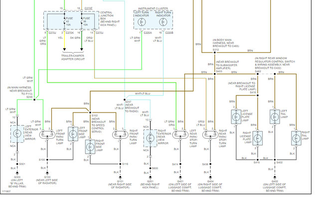
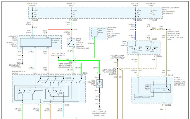
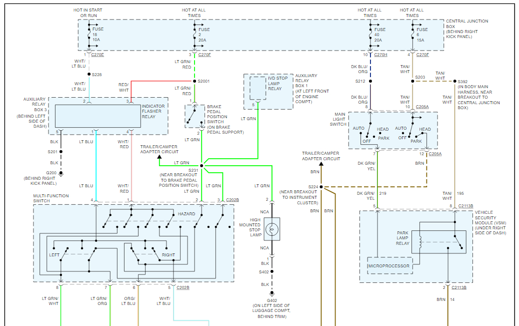
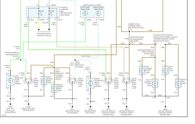
I have attached the wiring schematics for the exterior lights.

Please let me know of any questions.
Thank you.
Sep 15, 2021 at 11:14 PM