AC will work on the defrost set on cool or heat but not in AC mode

2012 FORD F-150
100,000 MILES • 0.5L • V8 • 2WD • AUTOMATIC
Avatar
  • MEMBER
  • 2 POSTS
Radio was cutting in and out and now only flashes time, the AC will work on the defrost set on cool or heat but not in AC mode? just had engine replaced , the cluster and battery.
May 18, 2019 at 2:46 PM
Advertisement
Avatar
STRAILER
  • CERTIFIED EXPERT
  • 53,854 POSTS
Hello,

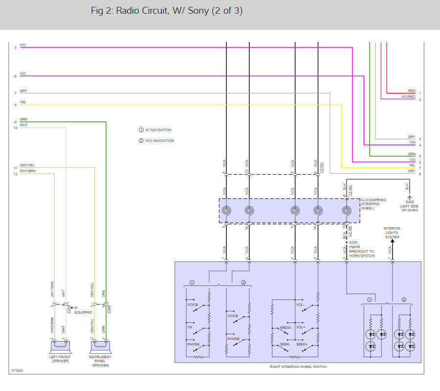
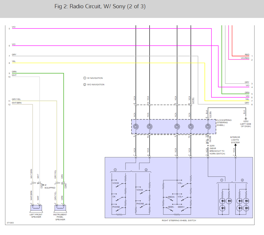
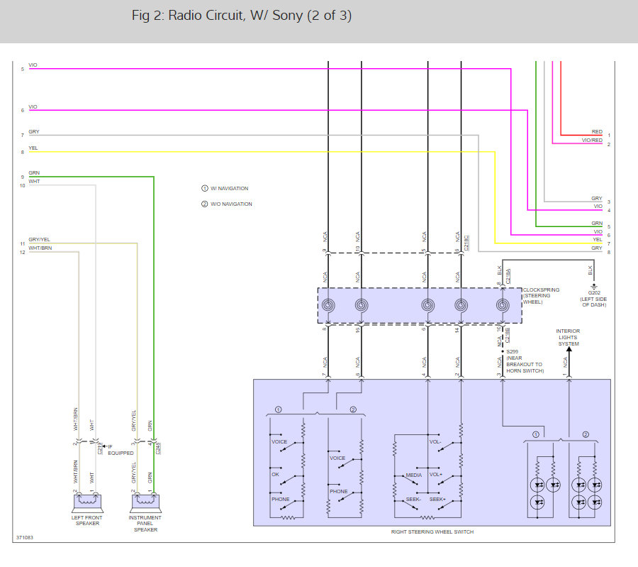
It sounds like the radio is going out. To confirm here is a guide to help check the power and grounds to confirm the failure with the radio wiring diagrams so you can see how the system works:

https://www.2carpros.com/articles/how-to-check-wiring

For the climate control do you hear any clicking under the dash when the system is on? Check out the diagrams (below). Please let us know what you find. We are interested to see what it is.
Apr 15, 2021 at 1:55 PM
Avatar
  • MEMBER
  • 2 POSTS
So we were having trouble with the oil pressure and they replaced the battery, the cluster panel. We had trouble with the cams in the engine and the engine had to be rebuilt. it was a couple of weeks later the radio started to cut in and out. took it back to see if wiring was messed up as they used my old wiring harness. they said no. and yes, there is now a clicking when you turn on the AC or heater. then it got worse and the AC cool or heat started the clicking noise. so we quit using it. I am able to use the heat and air through the defrost button, so I know the AC and heat works just not through the climate button, and radio and disk player is now non fictional. So should I take it back and have them check this connection? would take to different dealership.as this one had it for four months. thank you for responding. Kris
Apr 15, 2021 at 1:55 PM
Advertisement
Avatar
STRAILER
  • CERTIFIED EXPERT
  • 53,854 POSTS
These problems maybe not related to the engine work, it sounds like the radio has gone out if it has power and ground. The ticking noise is because the mode actuator needs to be replaced. here is a guide that will walk you through the steps with diagrams and instructions on how to replace yours:

https://www.2carpros.com/articles/replace-blend-door-motor

Here are all blend door actuator locations so you can see how to replace them and how the system works. Please let me know whats happens.
Apr 15, 2021 at 1:55 PM