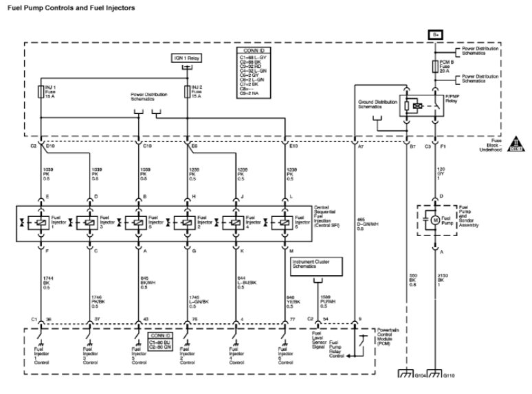
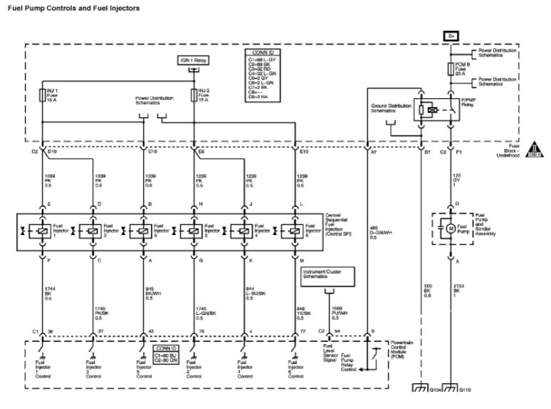
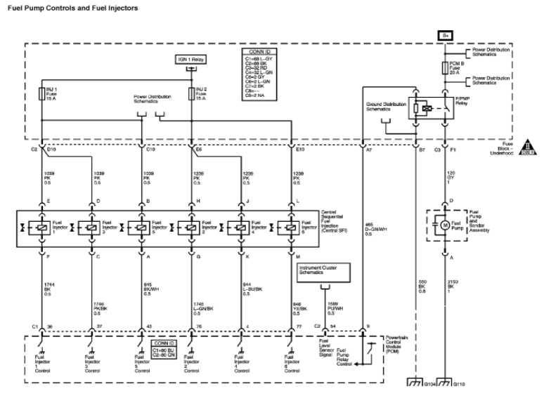
X VIN code, replaced head gaskets a few months ago and after reassembly the engine would not start. It will run if I spray carb cleaner into the intake, but the second I stop, the engine shuts off. I have 12v at injectors but am not getting a ground pulse while cranking. I replaced the ICM ( before the head gaskets due to a no spark problem when I bought the truck) , distributor assembly and ecm. Fuel pressure is around 57-60 psi, which is a little low from what I've read. Compression on all cylinders is around 160 PSI. The only code that's showing is a maf low volts that it had since it was running. Not sure what to check next.
Jul 18, 2021 at 1:47 PM














