No spark

2007 NISSAN QUEST
95,000 MILES • 3.5L • 6 CYL • 2WD • AUTOMATIC
Avatar
MECANICO3
  • MEMBER
  • 32 POSTS
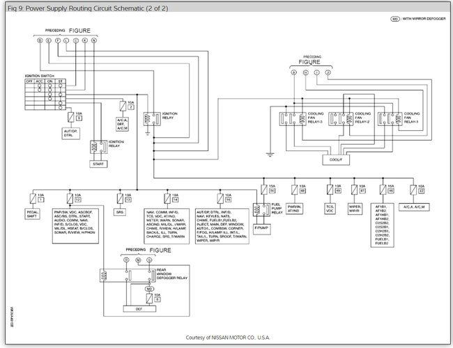
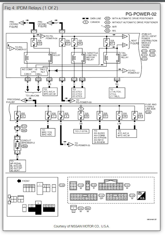
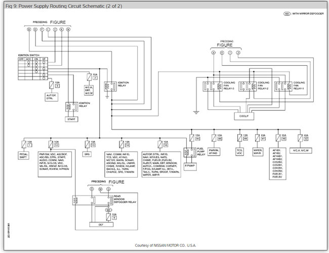
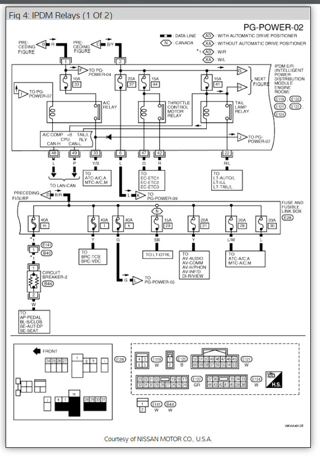
My vehicle is not getting pulse reading on all injectors therefor not starting. Cam's and crank sensor are good. Any ideas or opinions? All fuses are good. Anyway that I can get a wiring diagram of ecm, engine fuse box and fuel injectors?
Sep 29, 2017 at 10:25 AM
Advertisement
Avatar
STRAILER
  • CERTIFIED EXPERT
  • 53,854 POSTS
There is an ECM relay I would check along with the fuses.

Here are some guides with the diagrams you needed (below) so we can get started testing to fix the problem:

https://www.2carpros.com/articles/how-to-check-an-electrical-relay-and-wiring-control-circuit

and

https://www.2carpros.com/articles/how-to-use-a-test-light-circuit-tester

Please let us know what happens and upload pictures or videos of the problem.

Cheers, Ken
Oct 1, 2017 at 11:40 AM
Avatar
MECANICO3
  • MEMBER
  • 32 POSTS
thank you very much will get back at it tomorrow.....
Oct 2, 2017 at 5:28 PM
Advertisement
Avatar
STRAILER
  • CERTIFIED EXPERT
  • 53,854 POSTS
Please let us know what happens so it will help others.

Cheers, Ken
Oct 3, 2017 at 10:29 AM
Avatar
MECANICO3
  • MEMBER
  • 32 POSTS
ecm relay is good but still not getting pulse to injectors
Oct 3, 2017 at 3:41 PM
Avatar
MECANICO3
  • MEMBER
  • 32 POSTS
there is voltage on injectors but not getting the pulse on all six injecs.....since i do not possess a diagnostic tool with live data i can not check ECM or why its not sending ground to signal wire......so to me it has to be the Ecm and nothinh else...
Oct 3, 2017 at 3:59 PM
Avatar
STRAILER
  • CERTIFIED EXPERT
  • 53,854 POSTS
If all of the wiring and connection are good then yep I agree, you will need it programmed here is the location.

Let us know what happens

Cheers, Ken
Oct 4, 2017 at 11:53 AM