No power to the climate control panel

2018 CHEVROLET SILVERADO
48,000 MILES • 5.3L • V8 • 4WD • AUTOMATIC
Avatar
MNEWSOM
  • MEMBER
  • 4 POSTS
Climate control panel not getting power.
Jul 15, 2021 at 8:21 AM
Advertisement
Avatar
COLBY_STEPHENSON2000
  • CERTIFIED EXPERT
  • 32 POSTS
Hello,

The first thing I would do is to check the fuses to it. I have attached a image of the fuses to check.

Here is a guide that will help with testing and replacing them:

https://www.2carpros.com/articles/how-to-check-a-car-fuse


Let me know if you need further assistance.

Thanks,

Colby
Jul 15, 2021 at 8:31 AM
Avatar
MNEWSOM
  • MEMBER
  • 4 POSTS
Colby,

I checked all the standard fuses and all checked out good. Still no power to the climate control panel. No lights or fan power.
Jul 15, 2021 at 7:14 PM
Advertisement
Avatar
MNEWSOM
  • MEMBER
  • 4 POSTS
My climate control panel has the auto choice on the A/C knob and a sink option on the right side temperature adjuster.
The blower knob is in the middle. No power to anything on the control panel.
Any help will be appreciated.
Jul 15, 2021 at 7:18 PM
Avatar
COLBY_STEPHENSON2000
  • CERTIFIED EXPERT
  • 32 POSTS
Hello,

Sounds like your fuses are good. At this point it sounds like a possible HVAC controller. To be sure you can remove the controller and verify proper power and ground to the HVAC unit before replacing. I have attached the procedure to remove the HVAC controller, and info display module and what wires to check. The controller is different then the info display module which in your case is not working.Remove the controller behind glove box area and Check pin 1 at the HVAC controller connector x1 for battery voltage. If that checks good remove to info display module and check for battery voltage at connector x2 and check for battery voltage on pin 1. Also check for ground at pin 10 same connector the black wire. If you have good battery voltages on these checks It sounds like you may need a info display module. Could be something else please let me know what you find on your voltage checks.
Thanks
Jul 16, 2021 at 5:58 AM
Avatar
XCAPER
  • MEMBER
  • 2 POSTS
Hi. We have the same issue.
All fuse are good

On the 4 pin @ HVAC controller

Black ground is good
Red power 12.5 volts at all times
Yellowish 11.5 power at all times
Green power on key at 1.5 - moving range

Any help is great.
Aug 17, 2023 at 12:00 PM
Avatar
STRAILER
  • CERTIFIED EXPERT
  • 53,854 POSTS
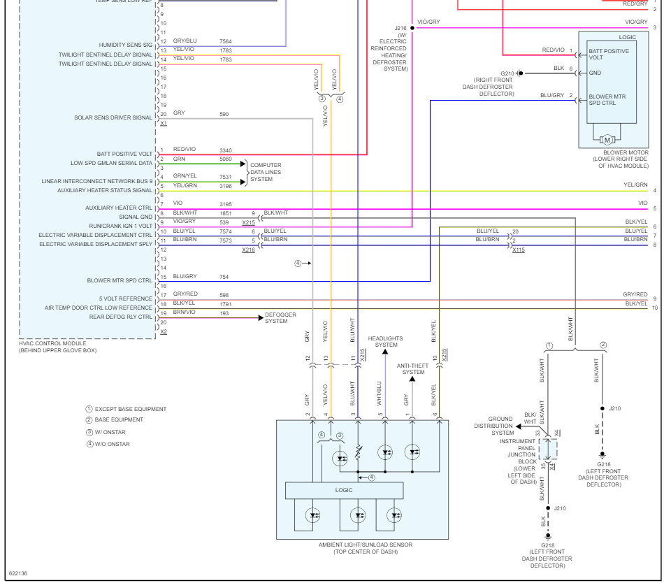
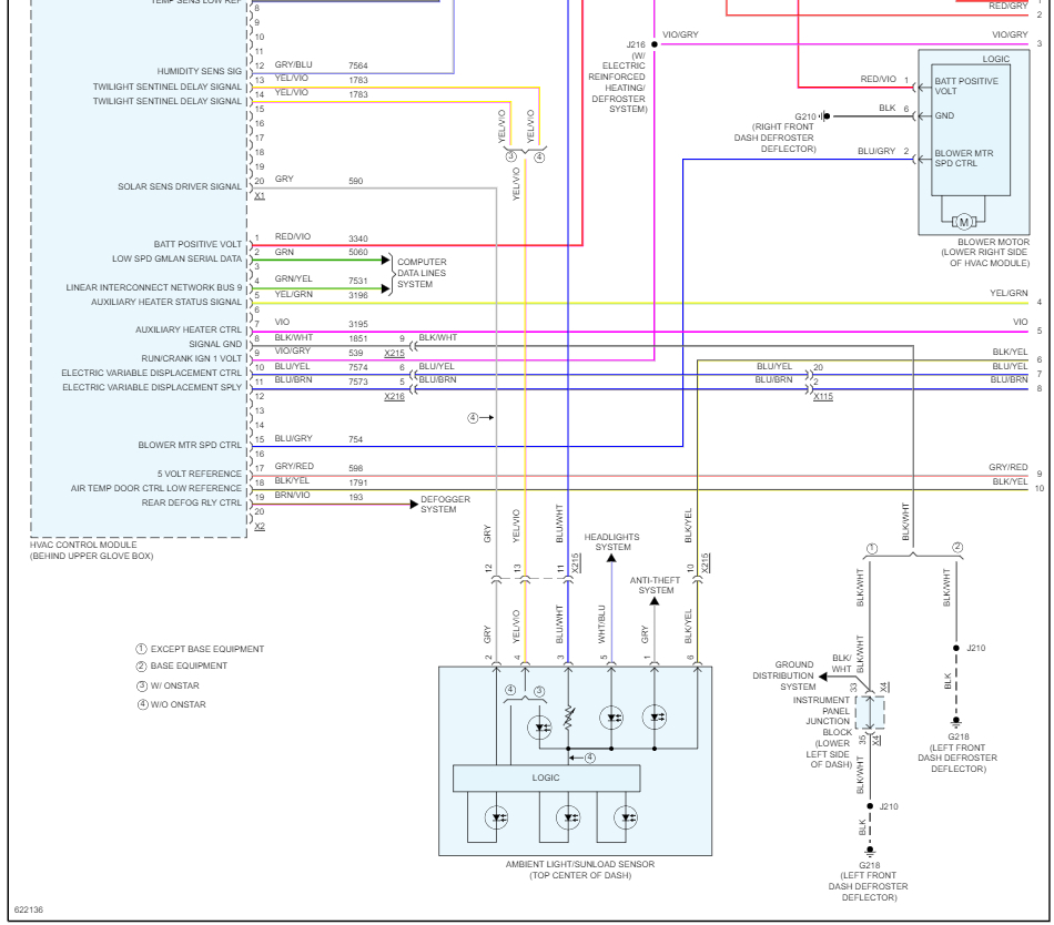
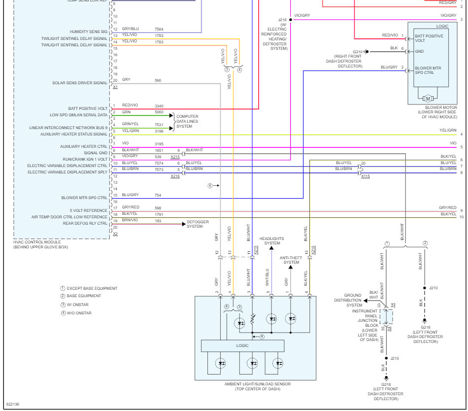
If you have power and ground the HVAC controller has gone bad. Here are the complete HVAC wiring diagrams so you can see how the system works and how to replace the HVAC controller as well. Check out the images (below). Let us know what happens and please upload pictures or videos of the problem so we can see what's going on.
Aug 20, 2023 at 11:28 AM
Avatar
STRAILER
  • CERTIFIED EXPERT
  • 53,854 POSTS
If you have power and ground the HVAC controller has gone bad. Here are the complete HVAC wiring diagrams so you can see how the system works and how to replace the HVAC controller as well.
Aug 20, 2023 at 11:28 AM